电脑桌面
添加小米粒文库到电脑桌面
安装后可以在桌面快捷访问

质量管理体系内审检查及记录表VIP免费

质量管理体系内审检查及记录表_第1页
1/22
质量管理体系内审检查及记录表_第2页
2/22
质量管理体系内审检查及记录表_第3页
3/22
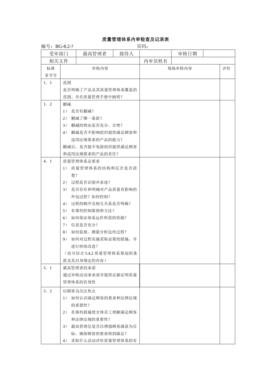
质量管理体系内审检查及记录表编号:BG-8.2-?页码:受审部门最高管理者接待人审核日期相关文件内审员姓名标准章节号审核内容现场审核内容评价1.1范围是否明确了产品及其质量管理体系覆盖的范围、并在质量管理手册中阐明?1.2删减1)是否有删减?2)删减了哪一条款?3)删减的理由是否充分、合理?4)删减是否不影响组织提供满足顾客和适用法规要求的产品的能力?删减后,是否能不免除组织提供满足顾客和适用法规要求的产品的责任?4.1质量管理体系总要求1)质量管理体系的结构和层次是否清楚?2)过程是否识别并表述?3)是否存在和明确对产品质量有影响的外包过程?如何控制?4)过程的顺序及相互关系是否明确?5)有那些控制准则和方法?6)如何保证体系运作所需的资源?7)信息是否充分?8)如何监视、测量分析这些过程?9)如何对过程实施采取必要的措施,并进行持续改进?(也可结合5.4.2质量管理体系策划的条款及其自身规定的内容)5.1最高管理者的承诺通过审核活动来承诺并提供证据证明质量管理体系的有效性5.2以顾客为关注焦点1)如何认识满足顾客的要求和法律法规的重要性?2)有那些措施使全体员工理解满足顾客和法律法规的重要性?3)最高管理层是否以增强顾客满意为目标,确保顾客的要求得到满足?4)采取什么活动评价质量管理体系的有效性?可通过其他各有关条款的相应证据证实5.3质量方针1)是否制定了质量方针并发布?2)是否与组织的宗旨相适应?3)是否包括对满足要求和持续改进的承诺?4)是否为组织提供制定和评审质量目标的框架?5)是否采取那些途径传达到相关部门?(可以抽查若干职工是否了解来证实)质量方针的适应性是否规定定期或不定期的评审和修订?5.4.1质量目标1)质量目标是否制定并发布?2)质量目标是否分解和落实?分解是否适宜并得到评审?3)质量目标是否量化并可测量?4)质量目标是否与质量方针保持一致?5)质量是否满足产品要求所需的内容?质量目标的实现情况如何是否实现了持续改进?5.4.2质量管理体系策划1)质量管理体系策划的形式、结果是什么?2)策划的结果是否能实现质量目标以及4.1总要求?3)策划的结果是否有持续改进的要求?策划和实施是否保持了质量管理体系的完整性?5.5职责权限1)是否明确各过程职能和岗位,其相互关系?2)部门之间的沟通和联络的途径是否清楚、接口是否明确?3)管理者代表是否有任命,其职责权限是否明确?4)赋予管理者代表的职责、职权是否能确保?●质量体系的建立和保持●向最高管理层报告质量体系的运行情况,包括质量改进●在整个组织提升对顾客要求的认识●质量体系有关的外部联络5)是否对沟通的方式和渠道作出规定?通过效果检查,横向、纵向的信息传递5.6管理评审1)最高管理层是否按策划对质量管理体系进行管理评审?2)管理评审的间隔时间多少?是否适宜?是否由最高领导支持管理评审?3)评审内容包括了体系的适用性、充分性、有效性?4)管理评审的输入内容是否齐全?●审核结果●顾客反馈●过程情况和产品的符合性●纠正和预防措施的状况●上一次管理评审的跟进情况●可能影响质量管理体系的变化5)管理评审的输入内容包括哪些?●质量管理体系及其过程的改进●产品的改进●资源需求●其他6)评审结果是否记录?评审结果是否得到落实,包括改进和采取相关的措施?6.1资源提供1)如何确定质量管理体系运行和产品符合性所需的资源?2)所提供的资源能否满足QMS运行和持续改进有效性的要求?所提供的资源是否确保产品或服务质量达到顾客满意?8.5改进1)如何认识“持续改进”?2)采取什么措施使全体员工理解持续改进的含义和作用?3)通过什么途径为持续改进创造全员参与的氛围?4)持续改进的项目和成效?对纠正和预防措施效果是否验证,并进行表彰和肯定?注:合格在评价栏打“√”,不合格在评价栏打“╳”,观察项作“△”。质量管理体系内审检查及记录表编号:BG-8.2-?页码:受审部门管理者代表接待人审核日期相关文件内审员姓名标准章节号审核内容现场审核内容评价5.5.2管理者代表1)是否了解管理者代表的职责、权限?2)如何确保体系的建立、实施和保持?3)在组织内提高满足顾客要求的意识做了哪些工作?4)确...

1、当您付费下载文档后,您只拥有了使用权限,并不意味着购买了版权,文档只能用于自身使用,不得用于其他商业用途(如 [转卖]进行直接盈利或[编辑后售卖]进行间接盈利)。
2、本站所有内容均由合作方或网友上传,本站不对文档的完整性、权威性及其观点立场正确性做任何保证或承诺!文档内容仅供研究参考,付费前请自行鉴别。
3、如文档内容存在违规,或者侵犯商业秘密、侵犯著作权等,请点击“违规举报”。

碎片内容

质量管理体系内审检查及记录表

您可能关注的文档

确认删除?
VIP
微信客服
  • 扫码咨询
会员Q群
  • 会员专属群点击这里加入QQ群
客服邮箱
回到顶部