电脑桌面
添加小米粒文库到电脑桌面
安装后可以在桌面快捷访问

历年电子设计大赛电源类题目汇总VIP免费

历年电子设计大赛电源类题目汇总_第1页
1/18
历年电子设计大赛电源类题目汇总_第2页
2/18
历年电子设计大赛电源类题目汇总_第3页
3/18
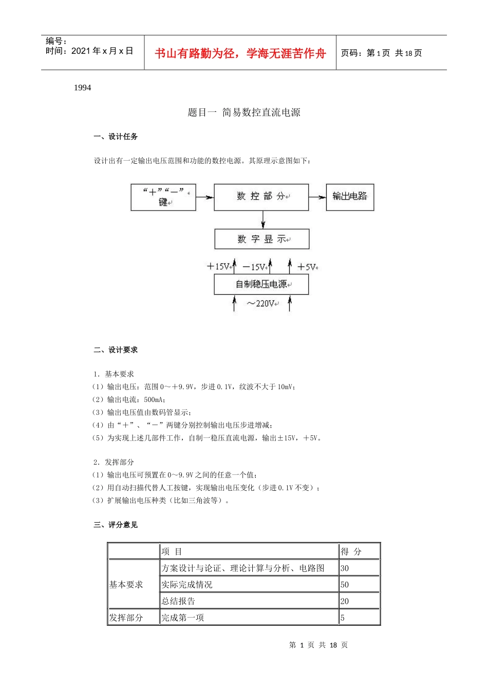
第1页共18页编号:时间:2021年x月x日书山有路勤为径,学海无涯苦作舟页码:第1页共18页1994题目一简易数控直流电源一、设计任务设计出有一定输出电压范围和功能的数控电源。其原理示意图如下:二、设计要求1.基本要求(1)输出电压:范围0~+9.9V,步进0.1V,纹波不大于10mV;(2)输出电流:500mA;(3)输出电压值由数码管显示;(4)由“+”、“-”两键分别控制输出电压步进增减;(5)为实现上述几部件工作,自制一稳压直流电源,输出±15V,+5V。2.发挥部分(1)输出电压可预置在0~9.9V之间的任意一个值;(2)用自动扫描代替人工按键,实现输出电压变化(步进0.1V不变);(3)扩展输出电压种类(比如三角波等)。三、评分意见项目得分基本要求方案设计与论证、理论计算与分析、电路图30实际完成情况50总结报告20发挥部分完成第一项5第2页共18页第1页共18页编号:时间:2021年x月x日书山有路勤为径,学海无涯苦作舟页码:第2页共18页完成第二项15完成第三项201997第3页共18页第2页共18页编号:时间:2021年x月x日书山有路勤为径,学海无涯苦作舟页码:第3页共18页A题直流稳定电源一、任务设计并制作交流变换为直流的稳定电源。二、要求1.基本要求(1)稳压电源在输入电压220V、50Hz、电压变化范围+15%~-20%条件下:a.输出电压可调范围为+9V~+12Vb.最大输出电流为1.5Ac.电压调整率≤0.2%(输入电压220V变化范围+15%~-20%下,空载到满载)d.负载调整率≤1%(最低输入电压下,满载)e.纹波电压(峰-峰值)≤5mV(最低输入电压下,满载)f.效率≥40%(输出电压9V、输入电压220V下,满载)g.具有过流及短路保护功能(2)稳流电源在输入电压固定为+12V的条件下:a.输出电流:4~20mA可调b.负载调整率≤1%(输入电压+12V、负载电阻由200Ω~300Ω变化时,输出电流为20mA时的相对变化率)(3)DC-DC变换器在输入电压为+9V~+12V条件下:a.输出电压为+100V,输出电流为10mAb.电压调整率≤1%(输入电压变化范围+9V~+12V)c.负载调整率≤1%(输入电压+12V下,空载到满载)d.纹波电压(峰-峰值)≤100mV(输入电压+9V下,满载)2.发挥部分(1)扩充功能a.排除短路故障后,自动恢复为正常状态b.过热保护c.防止开、关机时产生的“过冲”(2)提高稳压电源的技术指标a.提高电压调整率和负载调整率b.扩大输出电压调节范围和提高最大输出电流值(3)改善DC-DC变换器a.提高效率(在100V、100mA下)b.提高输出电压(4)用数字显示输出电压和输出电流三、评分意见第4页共18页第3页共18页编号:时间:2021年x月x日书山有路勤为径,学海无涯苦作舟页码:第4页共18页项目得分基本要求设计与总结报告:方案设计与论证,理论分析与计算,电路图,测试方法与数据,对测试结果的分析50实际制作完成情况50发挥部分完成第(1)项9完成第(2)项15完成第(3)项6完成第(4)项10特色与创新102005数控直流电流源(F题)一、任务设计并制作数控直流电流源。输入交流200~240V,50Hz;输出直流电压≤10V。其原第5页共18页第4页共18页编号:时间:2021年x月x日书山有路勤为径,学海无涯苦作舟页码:第5页共18页理示意图如下所示。二、要求1、基本要求(1)输出电流范围:200mA~2000mA;(2)可设置并显示输出电流给定值,要求输出电流与给定值偏差的绝对值≤给定值的1%+10mA;(3)具有“+”、“-”步进调整功能,步进≤10mA;(4)改变负载电阻,输出电压在10V以内变化时,要求输出电流变化的绝对值≤输出电流值的1%+10mA;(5)纹波电流≤2mA;(6)自制电源。2、发挥部分(1)输出电流范围为20mA~2000mA,步进1mA;(2)设计、制作测量并显示输出电流的装置(可同时或交替显示电流的给定值和实测值),测量误差的绝对值≤测量值的0.1%+3个字;(3)改变负载电阻,输出电压在10V以内变化时,要求输出电流变化的绝对值≤输出电流值的0.1%+1mA;(4)纹波电流≤0.2mA;(5)其他。三、评分标准项目满分基本要求设计与总结报告:方案比较、设计与论证,理论分析与计算,电路图及有关设计文件,测试方法与仪器,测试数据及测试结果分析。50实际完成情况50发挥部分完...

1、当您付费下载文档后,您只拥有了使用权限,并不意味着购买了版权,文档只能用于自身使用,不得用于其他商业用途(如 [转卖]进行直接盈利或[编辑后售卖]进行间接盈利)。
2、本站所有内容均由合作方或网友上传,本站不对文档的完整性、权威性及其观点立场正确性做任何保证或承诺!文档内容仅供研究参考,付费前请自行鉴别。
3、如文档内容存在违规,或者侵犯商业秘密、侵犯著作权等,请点击“违规举报”。

碎片内容

历年电子设计大赛电源类题目汇总

精品中小学文档+ 关注
实名认证
内容提供者

精品资料,值得下载

确认删除?
VIP
微信客服
  • 扫码咨询
会员Q群
  • 会员专属群点击这里加入QQ群
客服邮箱
回到顶部