电脑桌面
添加小米粒文库到电脑桌面
安装后可以在桌面快捷访问

建筑材料试验项目与取样规定VIP免费

建筑材料试验项目与取样规定_第1页
1/14
建筑材料试验项目与取样规定_第2页
2/14
建筑材料试验项目与取样规定_第3页
3/14
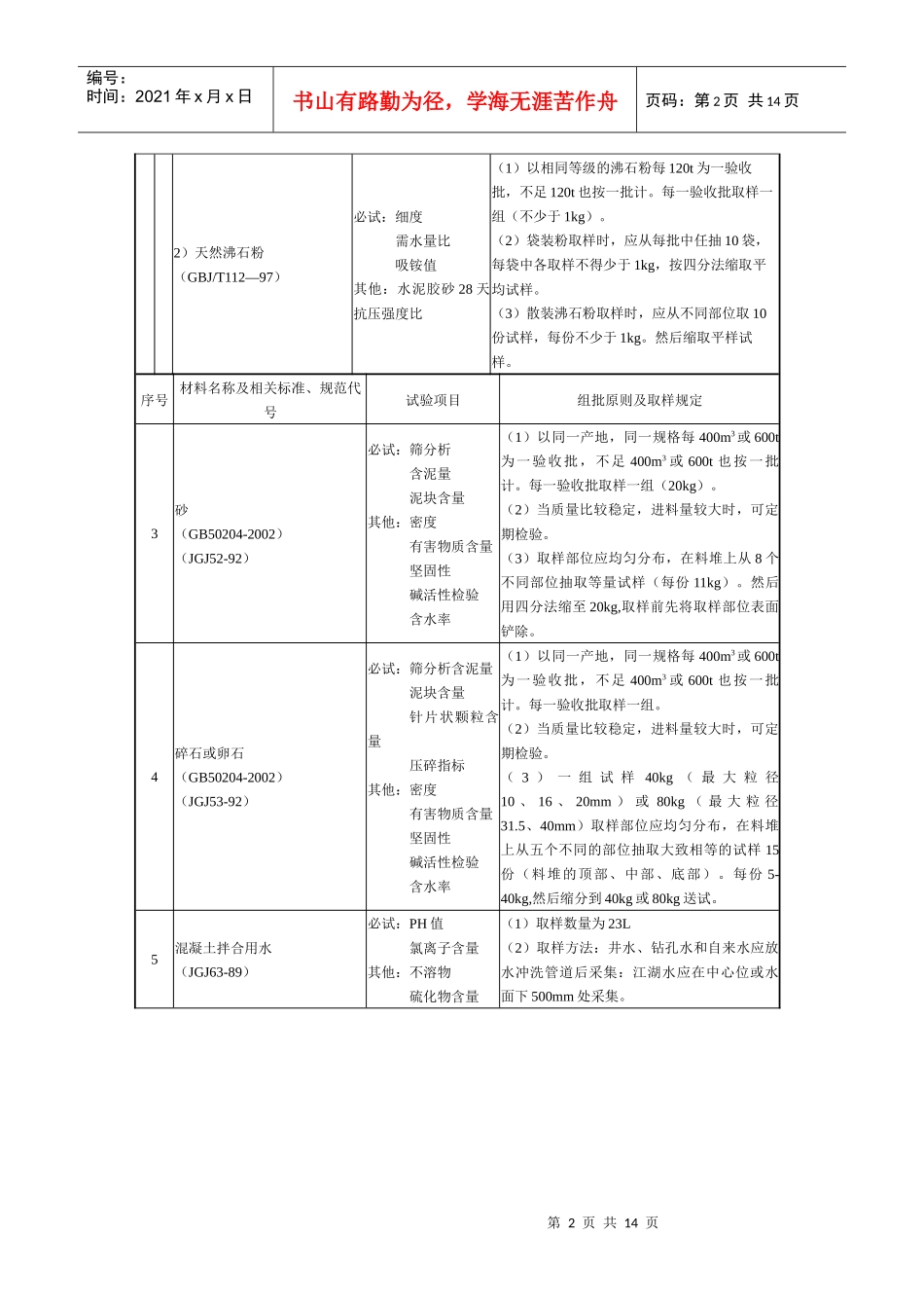
第1页共14页编号:时间:2021年x月x日书山有路勤为径,学海无涯苦作舟页码:第1页共14页建筑材料试验项目与取样规定序号材料名称及相关标准、规范代号试验项目组批原则及取样规定1水泥(1)硅酸盐水泥(2)普通硅酸盐水泥(3)矿渣硅酸盐水泥(4)粉煤灰硅酸盐水泥(5)火山灰质硅酸盐水泥(6)复合硅酸盐水泥(GB175—1999)(GB1344—1999)(GB12958—1999)必试:安定性凝结时间强度其他:细度烧失量三氧化硫火碱含量氯化物放射性(1)散装水泥:①对同一水泥厂生产的同期出厂的同品种、同强度等级、同一出厂编号的水泥为一验收批,但一验收批的总量不得超过500t。②随机从不少于3个车罐中各取等量水泥,经混拌均匀后,再从中称取不少于12kg的水泥作为试样。(2)袋装水泥:①对同一水泥厂生产的同期出厂的同品种、同强度等级、同一出厂编号的水泥为一验收批,但一验收批的总量不得超过200t②随机从不少于20袋中各取等量水泥,经混拌均匀后,再从中称取不少于12kg的水泥作为试样。(7)砌筑水泥(GB3183—1997)必试:安定性凝结时间强度泌水性(砌筑工程)其他:细度、流动度(8)高铝水泥(GB201—2000)必试:强度凝结时间细度其他:化学成分(1)同一水泥厂、同一类型、同一编号的水泥,120t为一取样单位,不足120t也按一取样单位计。(2)取样要有代表性,可从20袋中各取等量样品,总量至少15kg。注:水泥取样后,超过45天使用时须重新取样试验。(9)快硬硅酸盐水泥(GB199—90)必试:强度凝结时间安定性其他:细度氧化镁三氧化硫(1)同一水泥厂、同一类型、同一编号的水泥,400t为一取样单位,不足400t也按一取样单位计。(2)取样要有代表性,可从20袋中各取等量样品,总量至少14kg。2掺合料(1)粉煤灰(GB1596—91)必试:细度烧失量需水量比其他:含水量三氧化硫(1)以连续供应相同等级的不超过200t为一验收批,每批取试样一组(不少于1kg)。(2)散装灰取样,从不同部位取15份试样,每份1~3kg,混合拌匀按四分法缩取出1kg送试(平均样)(3)袋装灰取样,从每批任抽10袋,每袋不少于1kg,按上述方法取平均样1kg送试第2页共14页第1页共14页编号:时间:2021年x月x日书山有路勤为径,学海无涯苦作舟页码:第2页共14页2)天然沸石粉(GBJ/T112—97)必试:细度需水量比吸铵值其他:水泥胶砂28天抗压强度比(1)以相同等级的沸石粉每120t为一验收批,不足120t也按一批计。每一验收批取样一组(不少于1kg)。(2)袋装粉取样时,应从每批中任抽10袋,每袋中各取样不得少于1kg,按四分法缩取平均试样。(3)散装沸石粉取样时,应从不同部位取10份试样,每份不少于1kg。然后缩取平样试样。序号材料名称及相关标准、规范代号试验项目组批原则及取样规定3砂(GB50204-2002)(JGJ52-92)必试:筛分析含泥量泥块含量其他:密度有害物质含量坚固性碱活性检验含水率(1)以同一产地,同一规格每400m3或600t为一验收批,不足400m3或600t也按一批计。每一验收批取样一组(20kg)。(2)当质量比较稳定,进料量较大时,可定期检验。(3)取样部位应均匀分布,在料堆上从8个不同部位抽取等量试样(每份11kg)。然后用四分法缩至20kg,取样前先将取样部位表面铲除。4碎石或卵石(GB50204-2002)(JGJ53-92)必试:筛分析含泥量泥块含量针片状颗粒含量压碎指标其他:密度有害物质含量坚固性碱活性检验含水率(1)以同一产地,同一规格每400m3或600t为一验收批,不足400m3或600t也按一批计。每一验收批取样一组。(2)当质量比较稳定,进料量较大时,可定期检验。(3)一组试样40kg(最大粒径10、16、20mm)或80kg(最大粒径31.5、40mm)取样部位应均匀分布,在料堆上从五个不同的部位抽取大致相等的试样15份(料堆的顶部、中部、底部)。每份5-40kg,然后缩分到40kg或80kg送试。5混凝土拌合用水(JGJ63-89)必试:PH值氯离子含量其他:不溶物硫化物含量(1)取样数量为23L(2)取样方法:井水、钻孔水和自来水应放水冲洗管道后采集:江湖水应在中心位或水面下500mm处采集。第3页共14页第2页共14页编号:时间:2021年x月x日书山有路勤为径,学海无涯苦作舟页码:第3页共14页6轻集料...

1、当您付费下载文档后,您只拥有了使用权限,并不意味着购买了版权,文档只能用于自身使用,不得用于其他商业用途(如 [转卖]进行直接盈利或[编辑后售卖]进行间接盈利)。
2、本站所有内容均由合作方或网友上传,本站不对文档的完整性、权威性及其观点立场正确性做任何保证或承诺!文档内容仅供研究参考,付费前请自行鉴别。
3、如文档内容存在违规,或者侵犯商业秘密、侵犯著作权等,请点击“违规举报”。

碎片内容

建筑材料试验项目与取样规定

您可能关注的文档

确认删除?
VIP
微信客服
  • 扫码咨询
会员Q群
  • 会员专属群点击这里加入QQ群
客服邮箱
回到顶部