电脑桌面
添加小米粒文库到电脑桌面
安装后可以在桌面快捷访问

建设工程质量监督档案1VIP免费

建设工程质量监督档案1_第1页
1/67
建设工程质量监督档案1_第2页
2/67
建设工程质量监督档案1_第3页
3/67
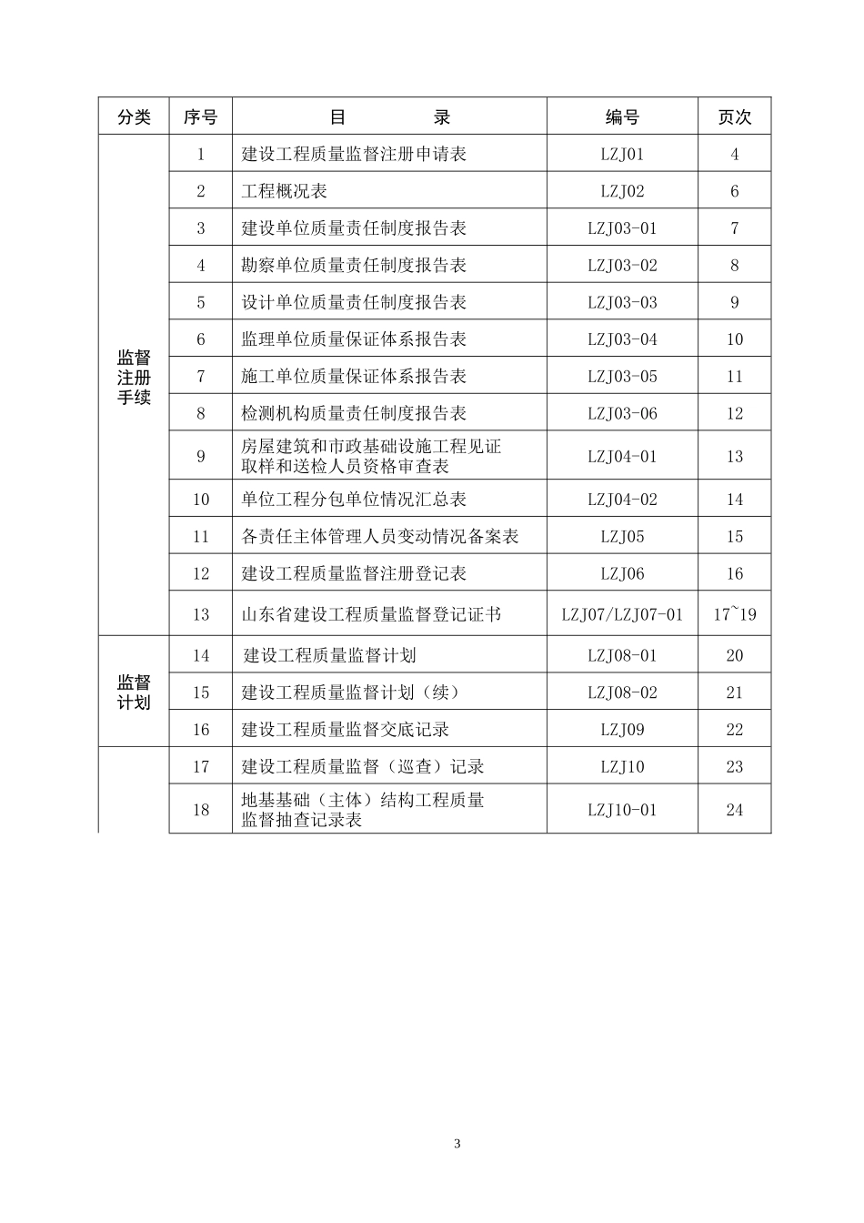
档案编号:市建设工程质量监督档案工程名称:金辰国际花园1#楼建设单位:德州金辰房地产开发有限公司勘察单位:聊城市规划建筑设计研究院有限公司设计单位:德州市建筑规划勘察设计研究院施工单位:山东德建集团有限公司监理单位:禹城市建设工程监理中心检测机构:禹城市建设工程质量检测站图审机构:德州市建诚勘察设计审查有限公司监督单位:禹城市建设工程质量监督站项目监督工程师:审核:1监督注册编号:保存年限:山东省建设工程质量监督总站制年月日2分类序号目录编号页次监督注册手续1建设工程质量监督注册申请表LZJ0142工程概况表LZJ0263建设单位质量责任制度报告表LZJ03-0174勘察单位质量责任制度报告表LZJ03-0285设计单位质量责任制度报告表LZJ03-0396监理单位质量保证体系报告表LZJ03-04107施工单位质量保证体系报告表LZJ03-05118检测机构质量责任制度报告表LZJ03-06129房屋建筑和市政基础设施工程见证取样和送检人员资格审查表LZJ04-011310单位工程分包单位情况汇总表LZJ04-021411各责任主体管理人员变动情况备案表LZJ051512建设工程质量监督注册登记表LZJ061613山东省建设工程质量监督登记证书LZJ07/LZJ07-0117~19监督计划14建设工程质量监督计划LZJ08-012015建设工程质量监督计划(续)LZJ08-022116建设工程质量监督交底记录LZJ092217建设工程质量监督(巡查)记录LZJ102318地基基础(主体)结构工程质量监督抽查记录表LZJ10-01243监督巡查、检查资料19住宅工程质量通病防治检查表LZJ10-022520住宅工程质量分户验收抽查记录表LZJ10-032621混凝土、砂浆强度监督抽测情况记录表LZJ11-012722钢筋数量位置、混凝土保护层厚度、现浇楼板厚度监督抽测记录表LZJ11-022823建设工程不良质量行为记录LZJ122924建设工程质量整改(隐患)通知书LZJ133025建设工程质量整改复查意见LZJ143126建设工程质量整改报告LZJ153245分类序号目录编号页次监督巡查、检查资料27建设工程质量局部暂停施工通知书LZJ163328建设工程复工申请表LZJ173429建设工程质量复工通知书LZJ183530建设工程质量事故报告LZJ193631监督执法行政处罚建议书LZJ2037竣工验收监督资料32建设工程竣工验收监督通知书LZJ213833建设工程竣工验收人员组成名单LZJ21-013934工程竣工验收方案LZJ21-024035建设工程竣工验收记录表LZJ22/LZJ22-01、02、03、0441~4536建设工程竣工验收监督记录表LZJ234637工程质量控制资料检查记录LZJ23-01、02、0347~4938重新申请竣工备案(组织竣工验收)通知书LZJ2450工程质量监督报告39建设工程质量监督报告LZJ255140工程概况及监督工作概况表(一)LZJ25-015241工程概况及监督工作概况表(二)LZJ25-025342工程概况及监督工作概况表(三)LZJ25-035443工程概况及监督工作概况表(四)LZJ25-045544备考表LZJ2656其他资料45其他与监督工作相关的图片、影音、文字等重要文件资料备注LZJ01建设工程质量监督注册申请表工程名称金辰国际花园1#楼监督注册编号_______________________注册日期_______________________山东省建设工程质量监督总站监制填写说明6一、本表由建设单位在申领建筑工程施工许可证前,向监督机构申请工程质量监督注册时填写,是工程资料的重要组成部分。二、本表一式四份,建设单位、施工单位、监理单位、质监站各一份。三、填写本表时应内容正确、书写规范、字迹清晰,表内子项应填写齐全,对于工程未涉及的子项应填写“无”。四、工程概况中,“基础类型”分为条形基础、独立柱基础、筏板基础、桩基等;有关单位的“资质等级及证书编号”填写资质等级和证书编号;有关人员的“资格级别及证书编号”填写执业资格类别及证书编号。五、本表填写完毕后,还应同时提交以下资料:1、工程规划许可证;2、施工中标通知书、施工合同及施工单位资质证书、项目经理资格证书;3、监理中标通知书、监理合同及监理单位资质证书、项目总监资格证书;4、施工图设计文件及审查报告、合格书;5、工程地质勘察报告;6、其他规定需要的文件资料。六、当工程项目有两家以上设计单位、监理单位时应另加附页载明。七、监督注册编号由监督机构统一组织填写。LZJ027工程概况表8工工程名称金辰国...

1、当您付费下载文档后,您只拥有了使用权限,并不意味着购买了版权,文档只能用于自身使用,不得用于其他商业用途(如 [转卖]进行直接盈利或[编辑后售卖]进行间接盈利)。
2、本站所有内容均由合作方或网友上传,本站不对文档的完整性、权威性及其观点立场正确性做任何保证或承诺!文档内容仅供研究参考,付费前请自行鉴别。
3、如文档内容存在违规,或者侵犯商业秘密、侵犯著作权等,请点击“违规举报”。

碎片内容

建设工程质量监督档案1

确认删除?
VIP
微信客服
  • 扫码咨询
会员Q群
  • 会员专属群点击这里加入QQ群
客服邮箱
回到顶部