电脑桌面
添加小米粒文库到电脑桌面
安装后可以在桌面快捷访问

建筑施工安全检查评分表1VIP免费

建筑施工安全检查评分表1_第1页
1/27
建筑施工安全检查评分表1_第2页
2/27
建筑施工安全检查评分表1_第3页
3/27
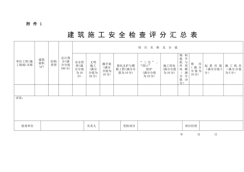
附件1建筑施工安全检查评分汇总表单位工程(施工现场)名称建筑面积(m2)结构类型总计得分(满分分值100分)项目名称及分值安全管理(满分分值为10分)文明施工(满分分值为20分)脚手架(满分分值为10分)基坑支护与模板工程(满分分值为10分)“三宝”、“四口”防护(满分分值为10分)施工用电(满分分值为10分)物料提升机与外用电梯(满分分值10分)塔吊(满分分值为10分)起重吊装(满分分值5分)施工机具(满分分值为5分)评语:检查单位负责人受检项目项目经理年月日第2页共27页编号:时间:2021年x月x日书山有路勤为径,学海无涯苦作舟页码:第2页共27页安全管理检查评分表表1序号检查项目扣分标准应得分数扣减分数实得分数1保证项目安全生产责任制未建立安全责任制的扣10分各级各部门未执行责任制的扣4-6分经济承包中无安全生产指标的扣10分未制定各工种安全技术操作规程的扣10分未按规定配备专(兼)职安全员的扣10分管理人员责任制考核不合格的扣5分102目标管理未制定安全管理目标(伤亡控制指标和安全达标、文明施工目标)的扣10分未进行安全责任目标分解的扣10分无责任目标考核规定的扣8分考核办法未落实或落实不好的扣5分103施工组织设计施工组织设计中无安全措施,扣10分施工组织设计未经审批,扣10分专业性较强的项目,未单独编制专项安全施工组织设计,扣8分安全措施不全面,扣2-4分安全措施无针对性,扣6-8分安全措施未落实,扣8分104分部(分项)工程安全技术交底无书面安全技术交底扣10分交底针对性不强扣4-6分交底不全面扣4分交底未履行签字手续扣2-4分105安全检查无定期安全检查制度扣5分安全检查无记录扣5分检查出事故隐患整改做不到定人、定时间、定措施扣2-6分对重大事故隐患整改通知书所列项目未如期完成扣5分10第3页共27页第2页共27页编号:时间:2021年x月x日书山有路勤为径,学海无涯苦作舟页码:第3页共27页6安全教育无安全教育制度扣10分新入厂工人未进行三级安全教育扣10分无具体安全教育内容扣6-8分变换工种时未进行安全教育扣10分每有一人不懂本工种安全技术操作规程扣2分施工管理人员未按规定进行年度培训的扣5分专职安全员未按规定进行年度培训考核或考核不合格的扣5分10小计60续表1序号检查项目扣分标准应得分数扣减分数实得分数7一般项目班前安全活动未建立班前安全活动制度,扣10分班前安全活动无记录,扣2分108特种作业持证上岗一人未经培训从事特种作业,扣4分一人未持操作证上岗,扣2分109工伤事故处理工伤事故未按规定报告,扣3-5分工伤事故未按事故调查分析规定处理,扣10分未建立工伤事故档案,扣4分1010安全标志无现场安全标志布置总平面图,扣5分现场未按安全标志总平面图设置安全标志的扣5分10小计40检查项目合计100第4页共27页第3页共27页编号:时间:2021年x月x日书山有路勤为径,学海无涯苦作舟页码:第4页共27页总监理工程师:项目经理:文明施工检查评分表表2序号检查项目扣分标准应得分数扣减分数实得分数1保证项目现场围挡在市区主要路段的工地周围未设置高于2.5m的围挡扣10分一般路段的工地周围未设置高于1.8m的围挡扣10分围挡材料不坚固、不稳定、不整洁、不美观扣5-7分围挡没有沿工地四周连续设置的扣3-5分102封闭管理施工现场进出口无大门的扣3分无门卫和无门卫制度的扣3分进入施工现场不佩戴工作卡的扣3分门头未设置企业标志的扣3分103施工场地工地地面未做硬化处理的扣5分道路不畅通的扣5分无排水设施、排水不通畅的扣4分无防止泥浆、污水、废水外流或堵塞下水道和排水河道措施的扣3分工地有积水的扣2分工地未设置吸烟处、随意吸烟的扣2分温暖季节无绿化布置的扣4分104材料堆放建筑材料、构件、料具不按总平面布局堆放的扣4分料堆未挂名称、品种、规格等标牌的扣2分堆放不整齐的扣3分未做到工完场地清的扣3分建筑垃圾堆放不整齐、未标出名称、品种的扣3分易燃易爆物品未分类存放的扣4分105临时设施在建工程兼作住宿的扣8分施工作业区与办公、生活区不能明显划分的扣6分应设置办公室(开间不小于5M)保卫室、资料室、饮水间、厕所缺一项扣4分106现场防火无消防措施、制度或无灭火器材的扣10分灭火器材配置不合理的扣5分无消防水源(高层...

1、当您付费下载文档后,您只拥有了使用权限,并不意味着购买了版权,文档只能用于自身使用,不得用于其他商业用途(如 [转卖]进行直接盈利或[编辑后售卖]进行间接盈利)。
2、本站所有内容均由合作方或网友上传,本站不对文档的完整性、权威性及其观点立场正确性做任何保证或承诺!文档内容仅供研究参考,付费前请自行鉴别。
3、如文档内容存在违规,或者侵犯商业秘密、侵犯著作权等,请点击“违规举报”。

碎片内容

建筑施工安全检查评分表1

确认删除?
VIP
微信客服
  • 扫码咨询
会员Q群
  • 会员专属群点击这里加入QQ群
客服邮箱
回到顶部