电脑桌面
添加小米粒文库到电脑桌面
安装后可以在桌面快捷访问

建筑施工生态环境污染源和风险识别评价清单

建筑施工生态环境污染源和风险识别评价清单_第1页
1/22
建筑施工生态环境污染源和风险识别评价清单_第2页
2/22
建筑施工生态环境污染源和风险识别评价清单_第3页
3/22
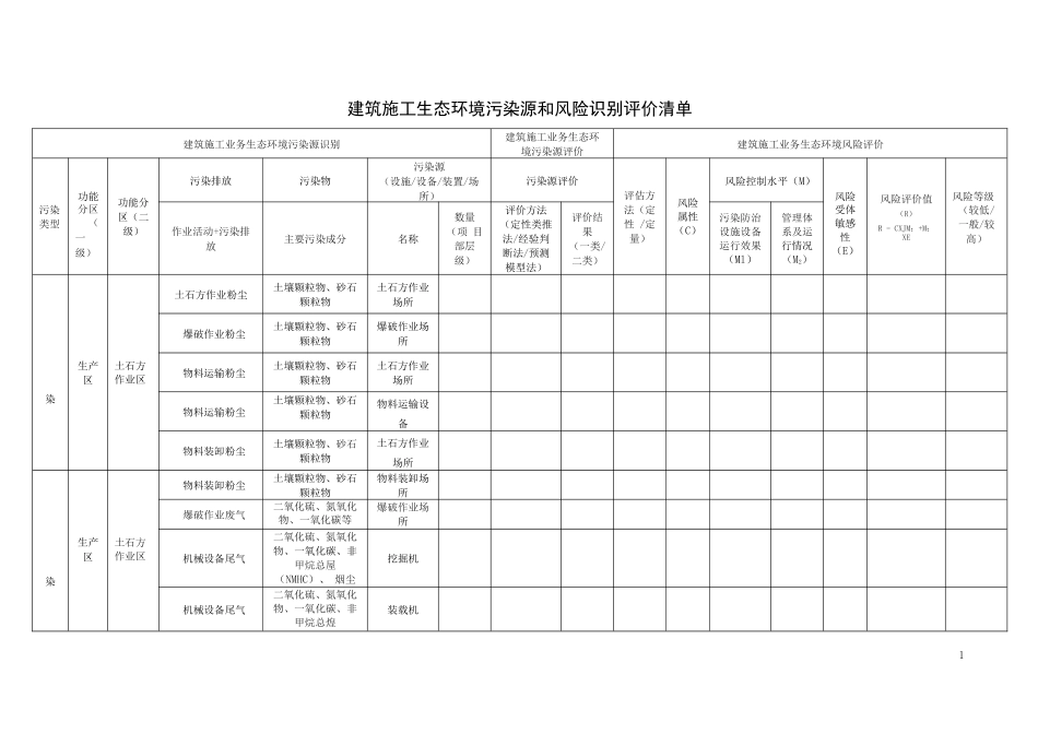
1建筑施工生态环境污染源和风险识别评价清单建筑施工业务生态环境污染源识别建筑施工业务生态环 境污染源评价建筑施工业务生态环境风险评价功能功能分 区(二 级)污染排放污染物污染源(设施/设备/装置/场 所)污染源评价评估方 法(定性 /定量)风险 属性 (C)风险控制水平(M)风险风险评价值 (R)R = CXJM;+M; XE风险等级污染 类型分区(一 级)作业活动+污染排 放主要污染成分名称数量(项 目部层 级)评价方法 (定性类推 法/经验判 断法/预测 模型法)评价结 果(一类/ 二类)污染防治 设施设备 运行效果 (Ml)管理体 系及运 行情况 (M2)受体 敏感 性(E)(较低/ 一般/较 高)土石方作业粉尘土壤颗粒物、砂石 颗粒物土石方作业 场所爆破作业粉尘土壤颗粒物、砂石 颗粒物爆破作业场 所生产 区土石方 作业区物料运输粉尘土壤颗粒物、砂石 颗粒物土石方作业 场所染物料运输粉尘土壤颗粒物、砂石 颗粒物物料运输设 备物料装卸粉尘土壤颗粒物、砂石 颗粒物土石方作业 场所物料装卸粉尘土壤颗粒物、砂石 颗粒物物料装卸场 所爆破作业废气二氧化硫、氮氧化 物、一氧化碳等爆破作业场 所染生产 区土石方 作业区机械设备尾气二氧化硫、氮氧化 物、一氧化碳、非 甲烷总屋(NMHC)、 烟尘微粒等挖掘机机械设备尾气二氧化硫、氮氧化 物、一氧化碳、非 甲烷总煌(NMHC),装载机2烟尘微粒等机械设备尾气二氧化硫、氮氧化 物、一氧化碳、非 甲烷总屋(NMHC).烟尘微粒等自卸汽车机械设备尾气二氧化硫、氮氧化 物、一氧化碳、非 甲烷总屋(NMHC)、 烟尘微粒等岩石破碎机大气 污染 物排 放污 染生产 区土石方 作业区机械设备尾气二氧化硫、氮氧化 物、一氧化碳、非 甲烷总屋(NMHC)、 烟尘微粒等空气压缩设 备机械设备尾气二氧化硫、氮氧化 物、一氧化碳、非 甲烷总屋(NMHC).烟尘微粒等发电机支护作 业区混凝土喷射粉尘砂石颗粒物、水泥 粉尘混凝土喷射 设备清扫作业粉尘砂石颗粒物、土壤 颗粒物清扫作业场 所金属焊接烟尘焊接烟尘金属焊接设 备金属除锈粉尘金属粉尘金属除锈设 备木材加工粉尘木粉灰木材加工设 备金属焊接废气一氧化碳、氮氧化 物焊接场所机械设备尾气二氧化硫、氮氧化 物、一氧化碳、非 甲烷总屋(NMHC)、 烟尘微粒等空气压缩设 备大 气 污 染 物 排 放污生产 区支护作 业区机械设备尾气二氧化硫、氮氧化 物、一氧化碳、非 ...

1、当您付费下载文档后,您只拥有了使用权限,并不意味着购买了版权,文档只能用于自身使用,不得用于其他商业用途(如 [转卖]进行直接盈利或[编辑后售卖]进行间接盈利)。
2、本站所有内容均由合作方或网友上传,本站不对文档的完整性、权威性及其观点立场正确性做任何保证或承诺!文档内容仅供研究参考,付费前请自行鉴别。
3、如文档内容存在违规,或者侵犯商业秘密、侵犯著作权等,请点击“违规举报”。

碎片内容

建筑施工生态环境污染源和风险识别评价清单

您可能关注的文档

最好的沉淀+ 关注
实名认证
内容提供者

行业文档

确认删除?
VIP
微信客服
  • 扫码咨询
会员Q群
  • 会员专属群点击这里加入QQ群
客服邮箱
回到顶部