电脑桌面
添加小米粒文库到电脑桌面
安装后可以在桌面快捷访问

工业与民用建筑工程监理工作流程VIP免费

工业与民用建筑工程监理工作流程_第1页
1/16
工业与民用建筑工程监理工作流程_第2页
2/16
工业与民用建筑工程监理工作流程_第3页
3/16
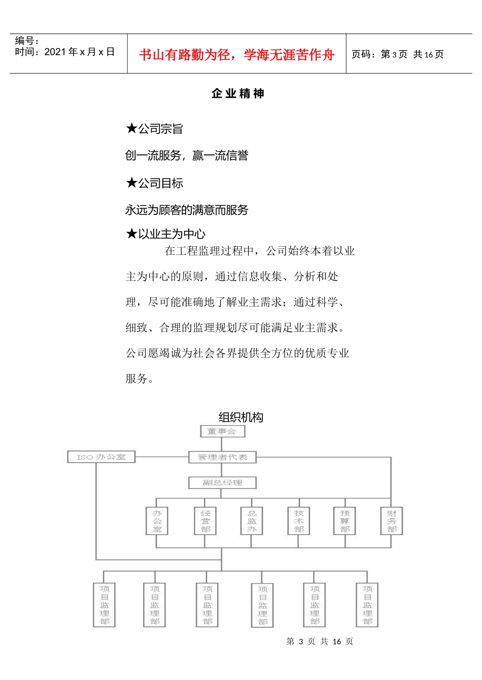
第1页共16页编号:时间:2021年x月x日书山有路勤为径,学海无涯苦作舟页码:第1页共16页工业与民用建筑工程监理工作流程第2页共16页第1页共16页编号:时间:2021年x月x日书山有路勤为径,学海无涯苦作舟页码:第2页共16页第3页共16页第2页共16页编号:时间:2021年x月x日书山有路勤为径,学海无涯苦作舟页码:第3页共16页企业精神★公司宗旨创一流服务,赢一流信誉★公司目标永远为顾客的满意而服务★以业主为中心在工程监理过程中,公司始终本着以业主为中心的原则,通过信息收集、分析和处理,尽可能准确地了解业主需求;通过科学、细致、合理的监理规划尽可能满足业主需求。公司愿竭诚为社会各界提供全方位的优质专业服务。组织机构第4页共16页第3页共16页编号:时间:2021年x月x日书山有路勤为径,学海无涯苦作舟页码:第4页共16页公司现有制度编号文件名称发布时间ZD-001监理大纲编写制度2000年ZD-002监理规划编写制度2000年ZD-003监理细则编写制度2000年ZD-004合同管理制度2000年ZD-005公文与技术档案编号管理制度2000年ZD-006监理工作汇报与检查制度2000年ZD-007监理工作质量评定制度2000年ZD-008贯标工作考核与奖惩制度2000年ZD-009工程回访制度2000年ZD-010成品、半成品检测制度2000年ZD-011施工图预算审核制度2000年ZD-012施工图纸会审制度2000年ZD-013施工组织设计审核及审批制度2000年ZD-014开工申请制度2000年ZD-015现场监理旁站制度2000年第5页共16页第4页共16页编号:时间:2021年x月x日书山有路勤为径,学海无涯苦作舟页码:第5页共16页ZD-016项目总监巡视制度2000年ZD-017监理月报制度200年ZD-018进度分析及调整制度2000年ZD-019监理工程师现场安全控制制度2000年ZD-020监理工程师文明施工控制制度2000年ZD-021紧急情况处理制度2000年ZD-022中间验收制度2000年ZD-023工程竣工验收制度2000年ZD-024监理组织工作例会制度2000年ZD-025原材料送检制度2000年ZD-026试件送检制度2000年ZD-027现场考勤制度2000年ZD-028办公室管理制度2000年ZD-029公司办公会及部门会议制度2000年ZD-030经济合同管理制度2000年ZD-031档案室管理制度2000年ZD-032公司保密管理制度2000年ZD-033印章管理制度2000年ZD-034人员聘用制度2000年ZD-035员工考核与培训制度2000年ZD-036考勤制度2000年ZD-037财务管理制度2000年监管标准一、基本部分第6页共16页第5页共16页编号:时间:2021年x月x日书山有路勤为径,学海无涯苦作舟页码:第6页共16页1、是否有临时施工用装有漏电保护器的开关箱2、施工用材料是否分类、整齐堆放3、施工现场是否配备合格的灭火器4、施工现场是否有吸烟现象5、施工现场动用电气焊时是否办证并设专人监护6、电气施工人员是否具有特种工操作证7、是否按平面图现场弹线放样8、原成品是否进行保护二、防火安全10、对木质装饰装修材料是否进行防火涂料涂布前应对其表面进行清洁。涂布至少分两次进行,且第二次徒步应在第一次徒步的涂层表干后进行,徒步量应不小于500g/㎡。11、照明、电热器等设备的高温部位靠近非A级材料、或导线穿越B2级以下装修材料时,是否采用岩棉、瓷管或玻璃棉等A级材料隔热。当照明灯具或镇流器嵌入可燃装饰装修材料中时,是否采取隔热措施予以分隔。12、明敷塑料导线应穿管或加线槽板保护,吊顶内的导线是否穿金属管或B1级PVC管保护,导线不得裸露。13、使用油漆等挥发性材料时,是否封闭其容器。擦拭后的棉纱等物品应集中存放且远离热源。三、防水工程14、防水工程是否做两次蓄水试验或48小时。15、大面积抹灰前应设置标筋。抹灰应分层进行,每层必须一次成型,每遍厚度宜为5-7mm。抹石灰砂浆和水泥混合砂浆每遍厚度宜为7-9mm。当抹灰总厚度超出35mm时,应采取加强措施。16、混凝土,表面应凿毛或在表面洒水湿润后涂刷1:1水泥砂浆(加适量胶粘剂)。第7页共16页第6页共16页编号:时间:2021年x月x日书山有路勤为径,学海无涯苦作舟页码:第7页共16页17、保护层水泥砂浆的厚度、强度是否符合设计要求。18、防水沙浆的配合比是否符合设计或产品的要求,防水层是否与基层结合牢固,表面应平整,是否有空鼓、裂缝和麻面起沙,阴阳角应做成圆弧形。19、防...

1、当您付费下载文档后,您只拥有了使用权限,并不意味着购买了版权,文档只能用于自身使用,不得用于其他商业用途(如 [转卖]进行直接盈利或[编辑后售卖]进行间接盈利)。
2、本站所有内容均由合作方或网友上传,本站不对文档的完整性、权威性及其观点立场正确性做任何保证或承诺!文档内容仅供研究参考,付费前请自行鉴别。
3、如文档内容存在违规,或者侵犯商业秘密、侵犯著作权等,请点击“违规举报”。

碎片内容

工业与民用建筑工程监理工作流程

您可能关注的文档

确认删除?
VIP
微信客服
  • 扫码咨询
会员Q群
  • 会员专属群点击这里加入QQ群
客服邮箱
回到顶部