电脑桌面
添加小米粒文库到电脑桌面
安装后可以在桌面快捷访问

数控中级车工岗位说明书VIP免费

数控中级车工岗位说明书_第1页
1/2
数控中级车工岗位说明书_第2页
2/2
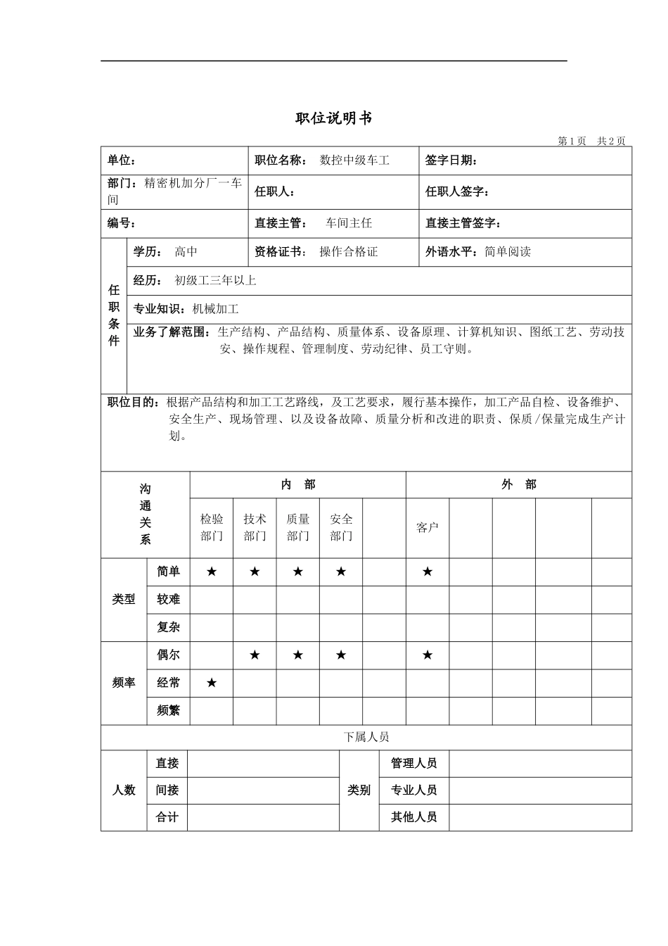
职位说明书第1页共2页单位:职位名称:数控中级车工签字日期:部门:精密机加分厂一车间任职人:任职人签字:编号:直接主管:车间主任直接主管签字:任职条件学历:高中资格证书:操作合格证外语水平:简单阅读经历:初级工三年以上专业知识:机械加工业务了解范围:生产结构、产品结构、质量体系、设备原理、计算机知识、图纸工艺、劳动技安、操作规程、管理制度、劳动纪律、员工守则。职位目的:根据产品结构和加工工艺路线,及工艺要求,履行基本操作,加工产品自检、设备维护、安全生产、现场管理、以及设备故障、质量分析和改进的职责、保质/保量完成生产计划。沟通关系内部外部检验部门技术部门质量部门安全部门客户类型简单★★★★★较难复杂频率偶尔★★★★经常★频繁下属人员人数直接类别管理人员间接专业人员合计其他人员职位说明书第2页共2页职责范围说明:按职责重要程度列出每项职责及其目的责任程度衡量标准1.基本操作:根据生产作业计划和工艺规程、派工单,实施班前准备,阅读程序文件,准备工具、辅具、量具、检查设备正常,核实上工序加工件质量,按程序启动操作,保证完成加工任务。全责完成量2.产品自检:根据工艺规程/质量标准,对加工首件实施自检、互检、专检,发现问题进行分析,或通报相关人员参与研究,提出改进意见,及时纠正质量问题,达到加工质量要求。全责合格率3.设备维护:根据设备保养规程,对操作的设备加工操作前,实施试运行,使用中注意观察是否正常,班后进行日常维护,并配合专业人员定期检查、调试、保养、填写记录,保证设备正常运行。全责保养记录真实完整4.安全生产:根据劳动技术安全条例和操作规程,实施操作,正确使用必须的劳动保护用品,安全操作起重量具,按要求合理码放加工件、成品件,保证人身设备安全。全责违章频次事故率5.现场管理:根据现场管理条例,对量具、工具、辅具,半成品及成品件,与相关操作人员紧密配合,按区分类、上架定置码放;对加工铁屑清理、定点倾倒,保持地面清洁卫生,防止“泡、冒、滴、漏”,以良好的环境,保证生产安全有序进行。全责标准符合率6.故障分析:根据加工运行中发现的设备故障和质量问题,及时分析/排除;对于较难的故障和质量问题,通报请示专业人员,并参与分析,提出排除意见,执行改进措施,填写交接班记录,保证加工正常进行,减少损失。全责及时性

1、当您付费下载文档后,您只拥有了使用权限,并不意味着购买了版权,文档只能用于自身使用,不得用于其他商业用途(如 [转卖]进行直接盈利或[编辑后售卖]进行间接盈利)。
2、本站所有内容均由合作方或网友上传,本站不对文档的完整性、权威性及其观点立场正确性做任何保证或承诺!文档内容仅供研究参考,付费前请自行鉴别。
3、如文档内容存在违规,或者侵犯商业秘密、侵犯著作权等,请点击“违规举报”。

碎片内容

数控中级车工岗位说明书

确认删除?
VIP
微信客服
  • 扫码咨询
会员Q群
  • 会员专属群点击这里加入QQ群
客服邮箱
回到顶部