电脑桌面
添加小米粒文库到电脑桌面
安装后可以在桌面快捷访问

建筑水电安装工程施工组织设计VIP免费

建筑水电安装工程施工组织设计_第1页
1/37
建筑水电安装工程施工组织设计_第2页
2/37
建筑水电安装工程施工组织设计_第3页
3/37
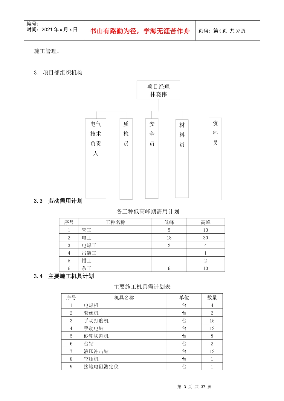
第一章编制依据《建筑电气工程施工质量验收规范》GB50303-2002《通风与空调工程施工质量验收规范》GB50243-2002《通风管道技术规范》JGJ141-2004J363-2004《压缩机、风机、泵安装工程施工验收规范》GB50275-1998《建筑工程施工质量验收统一标准》GB50300-2001《建筑施工安全检查标准》JGJ59-2011《施工现场临时用电安全技术规范》JGJ46-88《建设工程项目管理规范》GB/T50326-2001《机械设备安装工程施工及验收规范》GB50231-98设计的空调、强电、弱电等全部图纸;全国通用电气安装图集;本公司类似工程相关经验资料。第二章工程概况×××工程由地下二层,地上二十一层组成,总建筑面积约24357.3m2,其中地下建筑面积约4410m2,首层至二十一建筑面积约19947.3m2。-2层层高3.70米,-1层层高4.50米,首层层高5.98米,2至19层层高4.88米,20至21层层高3.0米,建筑屋面高度99.82米。由广东工业大学建筑设计研究院设计,广东华联建设项目管理咨询有限公司监理。建筑电气安装工程由湛江市第四建筑工程公司承建。2.1电气工程概况配电方式:地下室一般照明采用电缆放射式供电,商务楼干线电缆放射式供电,插接箱及电表箱全部设在地下室负一层及夹层,每户设户分配电盘;一户一表,电度表箱设在地下室负一层及夹层。配电线路:一般干线配线采用ZR-YJV电缆,消防及地下室采用NH-YJV电缆,支干线均为ZR-YJV电缆。消防设备及一部分重要负荷的电源为一级负荷,设在事故母线段,待市电停电后,由柴油发电机供电。消防用电设备:如消防电梯、消防水泵、防排烟风机等采用双回路供电,在末端双电源切换配电箱处自动切换,其中一路引自应急母线段。应急段配电电缆均为耐火电缆。非消防电源:干线采用阻燃电缆,当火灾确认后,由消防控制室键盘切断或通知配电房人工切断某些非消防电源。第2页共37页编号:时间:2021年x月x日书山有路勤为径,学海无涯苦作舟页码:第2页共37页本建筑物按第二类防雷建筑物设防。从首层起,每三层利用结构圈梁水平钢筋焊通成均压环,所有引下线,建筑物内的金属构件和金属物体等均与均压环连接。每套室内卫生间应做局部等电位联结。防雷接地、电气接地、信息系统接地及其它系统接地共用一个接地网,综合接地电阻≦1欧。2.2空调通风工程概况工程内容主要包括通风管道制作安装、防火阀安装、止回阀安装、送风口、排风口、集气箱、排风机、离心和轴流风机安装。1、地下室车库平时通风和消防排烟同一个通风系统:地下室负二层车库设有二个防火分区,因此配有两个消防排烟系统,机动车库机械送风,地下二层车库设有二个防火分区,因此配有二个消防排烟系统,机械送风。第三章施工部署×××水电安装工程是由我公司承建的一个大型建筑安装工程,公司本着对业主负责的态度,全权负责该工程的管理。本项目部将于各个单位部门积极配合,服从建设单位及现场监理的管理,从严控制工程质量,同时抓好安全生产和文明施工,责任到人,实行目标管理,精心组织施工,以一流的质量回报业主。3.1施工准备1.根据工程进度计划、工程量、施工现场实际情况,作好人员、机械设备及物料进场工作,班组操作人员必须经过培训方可上岗,特殊工种操作人员持证上岗。2.施工前组织施工、质安有关人员认真熟悉施工图纸及有关技术资料,结合现场实际情况掌握施工的重点、难点,提出设计中存在的问题,为图纸自审、会审做好准备。3.施工前技术负责人向操作人员详细技术交底,使全体操作人员领会设计意图,明明白白操作。4.必须熟悉技术规范、标准及施工方法。3.2组织机构1.实施项目法施工的管理模式,组建本工程的项目经理部,对工程施工全过程的进度、质量、安全和文明施工负责。2.本工程将委派我公司高水平专业人员担任各个管理岗位,负责对工程各个专业第3页共37页第2页共37页编号:时间:2021年x月x日书山有路勤为径,学海无涯苦作舟页码:第3页共37页施工管理。3.项目部组织机构3.3劳动需用计划各工种低高峰期需用计划序号工种名称低峰高峰1管工5102电工18303电焊工244吊装工15钳工26杂工6103.4主要施工机具计划主要施工机具需计划表序号机具名称单位数量1电焊机台42套丝机台23手动打磨机台154...

1、当您付费下载文档后,您只拥有了使用权限,并不意味着购买了版权,文档只能用于自身使用,不得用于其他商业用途(如 [转卖]进行直接盈利或[编辑后售卖]进行间接盈利)。
2、本站所有内容均由合作方或网友上传,本站不对文档的完整性、权威性及其观点立场正确性做任何保证或承诺!文档内容仅供研究参考,付费前请自行鉴别。
3、如文档内容存在违规,或者侵犯商业秘密、侵犯著作权等,请点击“违规举报”。

碎片内容

建筑水电安装工程施工组织设计

确认删除?
VIP
微信客服
  • 扫码咨询
会员Q群
  • 会员专属群点击这里加入QQ群
客服邮箱
回到顶部