电脑桌面
添加小米粒文库到电脑桌面
安装后可以在桌面快捷访问

质量检验表-施工VIP专享VIP免费

质量检验表-施工_第1页
1/91
质量检验表-施工_第2页
2/91
质量检验表-施工_第3页
3/91
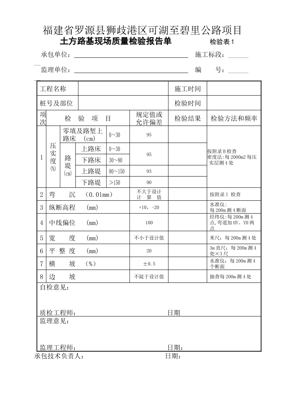
福建省罗源县狮歧港区可湖至碧里公路项目土方路基现场质量检验报告单检验表1承包单位:施工标段:________监理单位:编号:________工程名称施工时间桩号及部位检验时间项次检验项目规定值或允许偏差检验结果检验方法和频率1压实度(%)零填及路堑上路床(cm)0~3095按附录B检查密度法:每2000m2每压实层测4处路堤(cm)上路床0~3095下路床30~80上路堤80~15093下路堤>150902弯沉(0.01mm)不大于设计计算值按附录I检查3纵断高程(mm)+10,-20水准仪:每200m测4断面4中线偏位(mm)100经纬仪:每200m测4点,弯道加HY、YH两点5宽度(mm)不小于设计值米尺:每200m测4处6平整度(mm)203m直尺:每200m测4处×3尺7横坡(%)±0.5水准仪:每200m测4个断面8边坡不陡于设计值抽查每200m测4处自检意见:质检工程师:日期监理意见:监理工程师:日期:承包技术负责人:日期:福建省罗源县狮歧港区可湖至碧里公路项目石方路基现场质量检验报告单检验表2承包单位:施工标段:________监理单位:编号:________工程名称施工时间桩号及部位检验时间项次检验项目规定值或允许偏差检验结果检验方法和频率1压实度层厚和碾压遍数符合要求查施工记录2纵断高程(mm)+10,-30水准仪:每200m测4个断面3中线偏位(mm)100经纬仪:每200m测4点弯道加HY、YH两点4宽度(mm)不小于设计值米尺:每200m测4处5平整度(mm)303m直尺:每200m测4处×3尺6横坡(%)±0.5水准仪:每200m测4个断面7边坡坡度不陡于设计值每200m抽查4处平顺度符合设计自检意见:质检工程师:日期:监理意见:监理工程师:日期:承包技术负责人:日期:福建省罗源县狮歧港区可湖至碧里公路项目垂直排水井(即袋装砂井、塑料排水板)检验表3处理软基现场质量检验报告单承包单位:施工标段:________监理单位:编号:________工程名称施工时间桩号及部位检验时间项次检验项目规定值或允许偏差检验结果检验方法和频率1井(板)间距(mm)±150抽查2%2井(板)长度(m)不小于设计查施工记录3竖直度1.5%查施工记录4砂井直径(mm)+10,-0挖验2%5灌砂量5%查施工记录自检意见:质检工程师:日期:监理意见:监理工程师:日期:承包技术负责包人:日期:福建省罗源县狮歧港区可湖至碧里公路项目管道基础及管节安装现场质量检验报告单检验表4承包单位:施工标段:________监理单位:编号:工程名称施工时间桩号及部位检验时间项次检验项目规定值或允许偏差检验结果检验方法和频率1砼抗压强度或砂浆强度(MPa)在合格标准内按附录D、F检查2管轴线偏位(mm)50经纬仪或拉线:每两井间测3处3管内底高程(mm)±20水准仪:每两井间测2处4基础厚度(mm)不小于设计值尺量:每两井间测3处5管座宽度(mm)不小于设计值尺量、拉边线,每两井间测2处6抹带宽度不小于设计值尺量:按10%抽查厚度7相邻管内底错口(mm)5(下游低于上游)尺量:按10%抽查自检意见:质检工程师:日期:监理意见:监理工程师:日期:承包技术负责人:日期:福建省罗源县狮歧港区可湖至碧里公路项目检查(雨水)井砌筑现场质量检验报告单检验表5承包单位:施工标段:_______监理单位:编号:工程名称施工时间桩号及部位检验时间项次检验项目规定值或允许偏差检验结果检验方法和频率1砂浆强度(MPa)在合格标准内按附录F检查2轴线偏位(mm)50经纬仪,每个井检查3圆井直径或方井长、宽(mm)±20尺量,每个井检查4井盖与相邻路面高差(mm)雨水井0~-4水准仪,水平尺,每个井检查检查井0~+4自检意见:质检工程师:日期:监理意见::监理工程师:日期:承包技术负责人:日期:福建省罗源县狮歧港区可湖至碧里公路项目浆砌排水沟现场质量检验报告单检验表6承包单位:施工标段:监理单位:编号:工程名称施工时间桩号及部位检验时间项次检验项目规定值或允许偏差检验结果检验方法和频率1砂浆强度(MPa)在合格标准内按附录F检查2轴线偏位(mm)50经纬仪:每200m测5点3沟底高程(mm)±50水准仪:每200m测5点4墙面直顺度或坡度(mm)30或不陡于设计20m拉线、坡度尺:每200m查2点5断面尺寸(mm)±30尺量:每200m查2点6铺砌厚度(mm)不小于设计尺量:每200m查2点7基础垫层宽、厚度(mm)不小于设计尺量:每200m查2点自检意见:质检工程师:日期:监理意见:...

1、当您付费下载文档后,您只拥有了使用权限,并不意味着购买了版权,文档只能用于自身使用,不得用于其他商业用途(如 [转卖]进行直接盈利或[编辑后售卖]进行间接盈利)。
2、本站所有内容均由合作方或网友上传,本站不对文档的完整性、权威性及其观点立场正确性做任何保证或承诺!文档内容仅供研究参考,付费前请自行鉴别。
3、如文档内容存在违规,或者侵犯商业秘密、侵犯著作权等,请点击“违规举报”。

碎片内容

质量检验表-施工

确认删除?
VIP
微信客服
  • 扫码咨询
会员Q群
  • 会员专属群点击这里加入QQ群
客服邮箱
回到顶部