电脑桌面
添加小米粒文库到电脑桌面
安装后可以在桌面快捷访问

建筑材料主要技术指标VIP免费

建筑材料主要技术指标_第1页
1/12
建筑材料主要技术指标_第2页
2/12
建筑材料主要技术指标_第3页
3/12
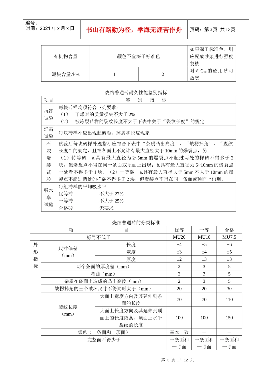
第1页共12页编号:时间:2021年x月x日书山有路勤为径,学海无涯苦作舟页码:第1页共12页生石灰的技术指标项目钙质石灰镁质石灰一等二等三等一等二等三等有效钙加氧化镁含量不小于(%)858070807565未消化残渣含量(5mm圆孔筛余)不大于(%)71117161420消石灰粉的技术指标项目钙质石灰镁质石灰一等二等三等一等二等三等有效钙加氧化镁含量不小于(%)656055605550含水率不大于(%)444444细度0.71mm方孔筛余不大于(%)0110110.125mm方孔累计筛余不大于(%)1320-1320-建筑石膏质量标准技术指标项目一等二等三等凝结时间(min)初凝不早于543终凝不早于766终凝不迟于303030细度(筛余≯%)64孔/cm2筛2812900孔/cm2筛253540抗拉强度(Mpa)养护一天0.80.60.5养护七天1.51.21.0抗压强度(Mpa)养护一天4.9~83.4~4.41.5~2.9养护七天7.8~11.85.9~7.42.5~4.9碎石或卵石中不良颗粒及有害杂质的规定项目≥C30<C30≤C10针片状颗粒含量(%)152540含泥量(%)12适当放宽泥块含量(%)0.50.71硫化物和硫酸盐含量(%)1卵石中有机物含量颜色不宜深于标准色,否则以砼进行强度对比试验复核注:①对有抗冻、抗渗要求的砼,所用碎石、卵石的含泥量不大于1%;②如含泥基本上是非粘土质的石粉时,其总含量可由1%及2%分别提高到1.5%和3%;第2页共12页第1页共12页编号:时间:2021年x月x日书山有路勤为径,学海无涯苦作舟页码:第2页共12页③含有颗粒状硫化物和硫酸盐时,要经专门检验,确认能满足砼耐久性要求时,方能使用。石子的颗粒强度火成岩变质岩水成岩水饱和极限抗压强度(Mpa)806060注:石子的颗粒强度与所采用的砼标号之比,不应小于1.5%。石子的压碎指标值岩石品种砼强度等级压碎指标值(%)碎石火成岩C55~C40≤10≤C35≤16变质岩或深成的火成岩C55~C40≤12≤C35≤20水成岩C55~C40≤13≤C35≤30卵石C55~C40≤12≤C35≤16砂、石的坚固性指标砼所处的环境条件循环后的重量损失砂石在严寒及寒冷地区室外使用,并经常处于潮湿或干湿交替状态下的砼≤8≤8在其他条件下的砼≤10≤12砂中泥污、有害物质含量的规定项目≥C30<C30注含泥量≯%35有抗冻、抗渗或其它特殊要求的砼用砂不宜>3%;对≤C10的砼用砂可放宽云母含量≯%2有抗冻、抗渗要求的砼用砂不宜>1%轻物质含量≯%1-硫化物和硫酸盐含量≯%1含有颗粒状者,要经专门检验,确认能满足砼耐久性要求时,方能使用第3页共12页第2页共12页编号:时间:2021年x月x日书山有路勤为径,学海无涯苦作舟页码:第3页共12页有机物含量颜色不宜深于标准色如果深于标准色,则应配成砂浆进行强度复核泥块含量≯%12对≤C10的砼用砂可放宽烧结普通砖耐久性能鉴别指标项目鉴别指标抗冻试验每块砖样均须符合下列要求:(1)干燥时的质量损失不大于2%(2)被冻裂砖样的裂纹长度不大于下表中关于“裂纹长度”的规定泛霜试验每块砖样不应出现起砖粉、掉屑和脱皮现象石灰爆裂试验试验后每块砖样外观指标应符合下表中“杂质凸出高度”、“缺楞掉角”、“裂纹长度”的规定,且在各面上不允许有最大直径大于10mm的爆裂点,另:(1)特等砖a.具有最大直径为2~5mm的爆裂点不超过两处的样砖不得多于2块,但爆裂点不得在同一条面或顶面上出现;b.具有最大直径为5~10mm的爆裂点一处者不得多于1块。(2)一等砖a.具有最大直径大于5mm不大于10mm的爆裂点不超过两处的样砖不得多于2块,但爆裂点不得在同一条面或顶面上出现。吸水率试验每组砖样的平均吸水率优等砖不大于27%一等砖不大于25%合格砖无要求烧结普通砖的分类标准项目优等一等合格标号不低于MU20MU10MU7.5外形指标尺寸偏差(mm)长度±4±5±6宽度±3±4±5厚度±2±3±3两个条面的厚度差(mm)235弯曲(mm)235杂质在砖面上造成的凸出高度(mm)235缺楞掉角的三个破坏尺寸不得同时大于(mm)202030裂纹长度(mm)大面上宽度方向及其延伸到条面的长度7070110大面上长度方向及其延伸到顶面上的长度或条、顶面上水平裂纹的长度100100150颜色(一条面和一顶面)基本一致--完整面不得少于一条面和一顶面一条面和一顶面一条面和一顶面第4页共12页第3页共12页编号:时间:2021年x月x日书山有路勤为径,学海无涯苦作舟页码...

1、当您付费下载文档后,您只拥有了使用权限,并不意味着购买了版权,文档只能用于自身使用,不得用于其他商业用途(如 [转卖]进行直接盈利或[编辑后售卖]进行间接盈利)。
2、本站所有内容均由合作方或网友上传,本站不对文档的完整性、权威性及其观点立场正确性做任何保证或承诺!文档内容仅供研究参考,付费前请自行鉴别。
3、如文档内容存在违规,或者侵犯商业秘密、侵犯著作权等,请点击“违规举报”。

碎片内容

建筑材料主要技术指标

您可能关注的文档

精品中小学文档+ 关注
实名认证
内容提供者

精品资料,值得下载

确认删除?
VIP
微信客服
  • 扫码咨询
会员Q群
  • 会员专属群点击这里加入QQ群
客服邮箱
回到顶部