电脑桌面
添加小米粒文库到电脑桌面
安装后可以在桌面快捷访问

安全和绿色施工保证措施 (doc 43页)VIP免费

安全和绿色施工保证措施 (doc 43页)_第1页
1/47
安全和绿色施工保证措施 (doc 43页)_第2页
2/47
安全和绿色施工保证措施 (doc 43页)_第3页
3/47
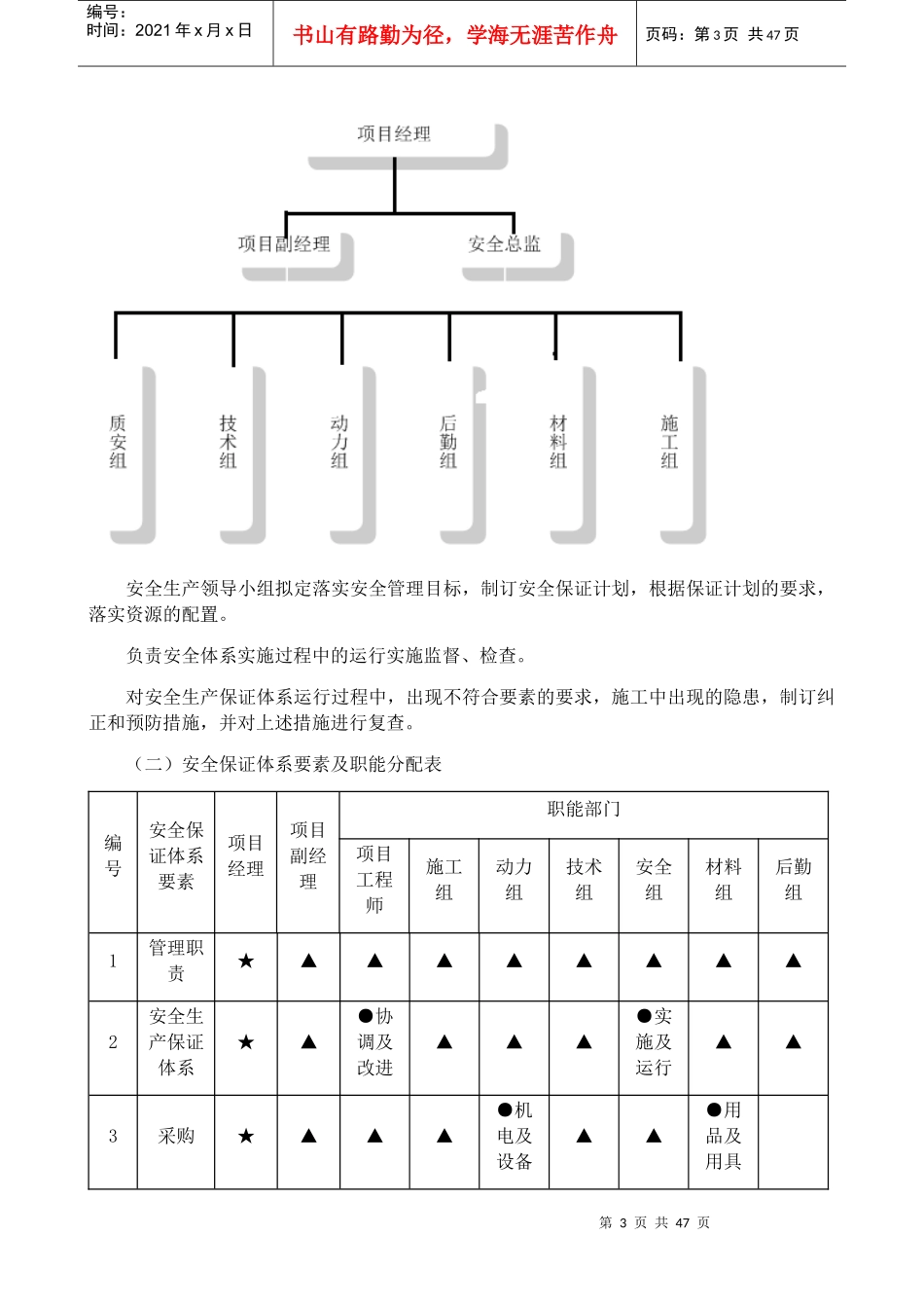
第1页共47页编号:时间:2021年x月x日书山有路勤为径,学海无涯苦作舟页码:第1页共47页安全和绿色施工保证措施第一章安全施工措施1第二章安全技术措施.....................................8第三章机械设备的安全措施..............................13第四章治安保卫措施....................................20第五章安全教育、培训、考核及审核......................22第六章绿色施工措施....................................24第2页共47页第1页共47页编号:时间:2021年x月x日书山有路勤为径,学海无涯苦作舟页码:第2页共47页第一章安全施工措施一.管理方针在施工管理中,我们要始终如一的坚持“安全第一、预防为主”的安全管理方针,以安全促生产,以安全保目标。二.安全管理目标杜绝重大人身伤亡事故和机械事故,确保安全生产,无重大事故,责任事故死亡率为零。安全管理体系施工现场安全生产管理体系是施工企业和施工现场整个管理体系的一个组成部分,包括为制定、实施、审核和保持“安全第一,预防为主”方针和安全管理目标所需的组织结构、计划活动、职责、程序、过程和资源。施工现场安全生产管理体系的建立不仅是为了满足工程项目部自身安全生产的要求,同时也是为了满足相关方(政府、投资者、业主、保险公司、社会)对施工现场安全生产管理体系的持续改善和安全生产保证能力的信任。(一)组织机构安全管理机构如下图示:第3页共47页第2页共47页编号:时间:2021年x月x日书山有路勤为径,学海无涯苦作舟页码:第3页共47页安全生产领导小组拟定落实安全管理目标,制订安全保证计划,根据保证计划的要求,落实资源的配置。负责安全体系实施过程中的运行实施监督、检查。对安全生产保证体系运行过程中,出现不符合要素的要求,施工中出现的隐患,制订纠正和预防措施,并对上述措施进行复查。(二)安全保证体系要素及职能分配表编号安全保证体系要素项目经理项目副经理职能部门项目工程师施工组动力组技术组安全组材料组后勤组1管理职责★▲▲▲▲▲▲▲▲2安全生产保证体系★▲●协调及改进▲▲▲●实施及运行▲▲3采购★▲▲▲●机电及设备▲▲●用品及用具第4页共47页第3页共47页编号:时间:2021年x月x日书山有路勤为径,学海无涯苦作舟页码:第4页共47页编号安全保证体系要素项目经理项目副经理职能部门项目工程师施工组动力组技术组安全组材料组后勤组4分包方的控制★有效管理▲▲▲▲▲▲上岗流动管理5施工现场的安全控制★●总负责▲●现场管理▲▲●监督检查▲▲6检查检验和标识★●总负责▲▲▲▲●监督检查▲▲7事故隐患的控制★●总负责▲▲▲▲●监督检查▲▲8纠正和预防措施★▲●负责、组织▲▲▲▲▲▲9教育和培训★▲▲▲▲▲▲▲●负责组织10安全记录★●总负责▲▲▲▲收集整理▲▲11内部安全体系审核★▲●审核及贯标▲▲▲▲▲▲注:★—主管领导●—主管部门(人)▲—相关部门(人)(三)安全生产责任制项目经理:全面负责施工现场的安全措施、安全生产等,保证施工现场的安全。项目副经理:直接对安全生产负责,督促、安排各项安全工作,并按规定组织检查、做好记录。第5页共47页第4页共47页编号:时间:2021年x月x日书山有路勤为径,学海无涯苦作舟页码:第5页共47页项目工程师:制定项目安全技术措施和分部工程安全方案,督促安全措施落实,解决施工过程中不安全的技术问题。质安组:督促施工全过程的安全生产,纠正违章,配合有关部门排除施工不安全因素,安排项目部安全活动及安全教育的开展,监督劳保用品的发放和使用。动力组:保证所使用的各类机械的安全使用,监督机械操作人员保证遵章操作,并对用电机械进行安全检查。施工组:负责上级安排的安全工作的实施,制定分项工程的安全方案,进行施工前的安全交底工作,监督并参与班组的安全学习。其他部门:生产调度室保证进场施工人员的安全技术素质,控制加班加点,保证劳逸结合;财务部门保证用于安全生产上的经费;后勤、行政部门保证工人的基本生活条件,保证工人健康;材料部门应采购合格的用于安全生产及劳防的产品和材料。三、安全管理制度(一)编制安全生产技术措施制度1、...

1、当您付费下载文档后,您只拥有了使用权限,并不意味着购买了版权,文档只能用于自身使用,不得用于其他商业用途(如 [转卖]进行直接盈利或[编辑后售卖]进行间接盈利)。
2、本站所有内容均由合作方或网友上传,本站不对文档的完整性、权威性及其观点立场正确性做任何保证或承诺!文档内容仅供研究参考,付费前请自行鉴别。
3、如文档内容存在违规,或者侵犯商业秘密、侵犯著作权等,请点击“违规举报”。

碎片内容

安全和绿色施工保证措施 (doc 43页)

确认删除?
VIP
微信客服
  • 扫码咨询
会员Q群
  • 会员专属群点击这里加入QQ群
客服邮箱
回到顶部