电脑桌面
添加小米粒文库到电脑桌面
安装后可以在桌面快捷访问

数控加工工艺课程设计 内容VIP免费

数控加工工艺课程设计 内容_第1页
1/11
数控加工工艺课程设计 内容_第2页
2/11
数控加工工艺课程设计 内容_第3页
3/11
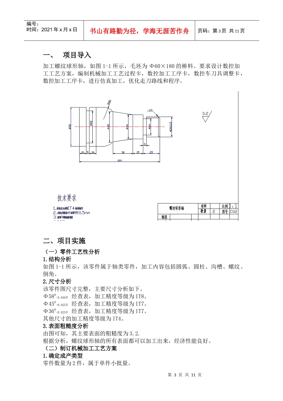
第1页共11页编号:时间:2021年x月x日书山有路勤为径,学海无涯苦作舟页码:第1页共11页12345674567878学院《数控加工工艺与编程》课程设计任务书班级学生姓名指导教师课程设计题目螺纹球形轴的加工工艺与编程主要设计内容加工一个螺纹球形轴主要技术指标和设计要求1.设计指标①轴类零件,加工内容包括圆弧、圆柱、沟槽、螺纹、倒角。2.设计要求①毛坯为Φ60×180的棒料②设计数控加工工艺方案,编制机械加工工艺过程卡,数控加工工序卡,数控车刀具调整卡,数控加工工序卡,进行仿真加工,优化走刀路线和程序。主要参考资料及文献第2页共11页第1页共11页编号:时间:2021年x月x日书山有路勤为径,学海无涯苦作舟页码:第2页共11页目录一、项目导入……………………………………………….……...3二、项目实施……………………………........................................32.1零件工艺性分析…………………………………….……….....32.1.1结构分析…………………………………………….………..32.1.2尺寸分析…………………………………………….………..32.1.3表面粗糙度分析…………………………………….………..32.2制定机械加工工艺方案…………………………….………….32.2.1确定生产类型……….……………………………….……….32.2.2拟订工艺路线……….……………………………….……….42.2.3设计数控车加工工序…….…………………………….…….42.3编制数控技术文档……………………………………….…….52.3.1编制机械加工工艺过程卡……….………….……………….52.3.2编制数控加工工序卡……….……………………….……….62.3.3编制刀具调整卡……….…………………………….……….72.3.4编制数控加工程序卡……….………………………….…….72.4试加工与优化……………………………………………….….9三、设计小结………………………………………………….……9四、参考文献………………………………………………………10五、附件1……………………………………………….…………11第3页共11页第2页共11页编号:时间:2021年x月x日书山有路勤为径,学海无涯苦作舟页码:第3页共11页一、项目导入加工螺纹球形轴,如图1-1所示,毛坯为Φ60×180的棒料。要求设计数控加工工艺方案,编制机械加工工艺过程卡,数控加工工序卡,数控车刀具调整卡,数控加工工序卡,进行仿真加工,优化走刀路线和程序。二、项目实施(一)零件工艺性分析1.结构分析如图1-1所示,该零件属于轴类零件,加工内容包括圆弧、圆柱、沟槽、螺纹、倒角。2.尺寸分析该零件图尺寸完整,主要尺寸分析如下。Φ580-0.046:经查表,加工精度等级为IT8。Φ450-0.025:经查表,加工精度等级为IT7。Φ360-0.025:经查表,加工精度等级为IT7。其他尺寸的加工精度等级为IT4。3.表面粗糙度分析由图可知,其主要表面的粗糙度为3.2.根据分析,螺纹球形轴的所有表面都可以加工出来,经济性能良好。(二)制订机械加工工艺方案1.确定成产类型零件数量为2件,属于单件小批量。第4页共11页第3页共11页编号:时间:2021年x月x日书山有路勤为径,学海无涯苦作舟页码:第4页共11页2.拟定工艺路线(1)确定工件的定位基准。确定坯料轴线和左端面为定位基准。(2)选择加工方法。该零件的加工表面均为回转体,主要加工表面的加工精度等级为IT8,表面粗糙度为3.2。采用加工方法为粗车、半精车。(3)拟定工艺路线①按Φ65×200下料。②车削各表面。③去毛刺。④检验。3.设计数控车加工工序(1)选择加工设备。选用FANUC0i标准斜床身后置刀架,系统为FANUC0i。(2)选择工艺装备①该零件采用三爪自动定心卡盘自定心夹紧。②刀具选择如下。外圆机夹粗车刀T0101(刀片的刀尖角为550):车端面,粗车、半精车各外圆。外圆机夹精车刀T0202(刀片的刀尖角为350):精车各外圆。切断刀宽5mm(T0303),用于切槽和切断。螺纹刀T0404:车螺纹。③量具选择如下。量程为200mm,分度值为0.02的游标卡尺。测量范围为25~50,分度值为0.001的外径千分尺。M30×2-7g环规。(3)确定工步和走刀路线。按加工过程确定走刀路线...

1、当您付费下载文档后,您只拥有了使用权限,并不意味着购买了版权,文档只能用于自身使用,不得用于其他商业用途(如 [转卖]进行直接盈利或[编辑后售卖]进行间接盈利)。
2、本站所有内容均由合作方或网友上传,本站不对文档的完整性、权威性及其观点立场正确性做任何保证或承诺!文档内容仅供研究参考,付费前请自行鉴别。
3、如文档内容存在违规,或者侵犯商业秘密、侵犯著作权等,请点击“违规举报”。

碎片内容

数控加工工艺课程设计 内容

确认删除?
VIP
微信客服
  • 扫码咨询
会员Q群
  • 会员专属群点击这里加入QQ群
客服邮箱
回到顶部