电脑桌面
添加小米粒文库到电脑桌面
安装后可以在桌面快捷访问

吊篮施工方案(DOC32页)VIP免费

吊篮施工方案(DOC32页)_第1页
1/25
吊篮施工方案(DOC32页)_第2页
2/25
吊篮施工方案(DOC32页)_第3页
3/25
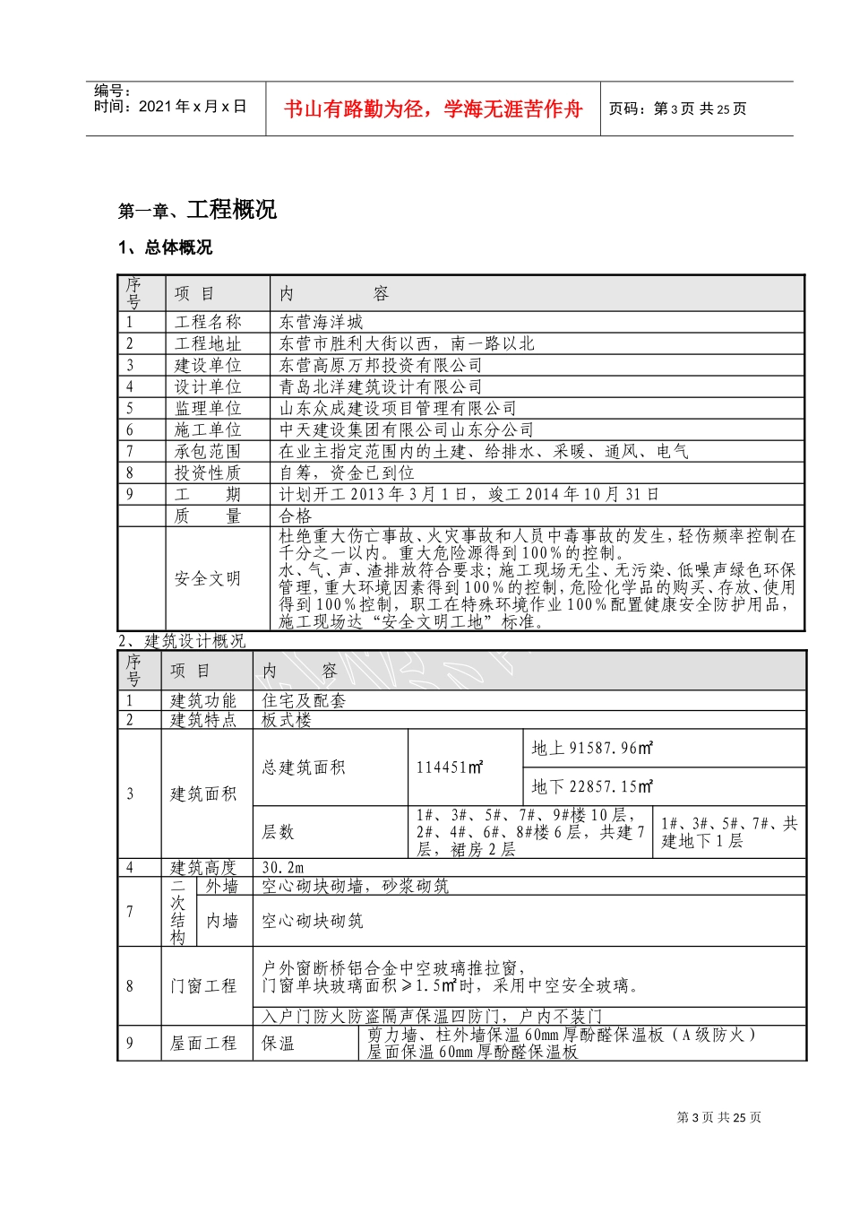
第1页共25页编号:时间:2021年x月x日书山有路勤为径,学海无涯苦作舟页码:第1页共25页目录第一章、工程概况..............................................................................................31、总体概况..................................................................................................34、结构概况..................................................................................................55、装修概况..................................................................................................6第二章、高处作业吊篮简介..............................................................................72.1、吊篮型号ZLP63,主要技术性能参数如下:...................................72.2、吊篮结构原理简介如下:...................................................................8第三章、吊篮布置方法......................................................................................93.1、吊篮平面布置.......................................................................................9第四章、施工准备..............................................................................................94.2、材料组织.............................................................................................11第五章、安装程序............................................................................................115.1、安装流程.............................................................................................115.2、吊篮悬挂系统的安装.........................................................................125.4、组装悬吊平台。.................................................................................135.5、将安全锁及提升机安装就位.............................................................14第六章、交接、吊篮验收................................................................................14第七章、吊篮拆卸............................................................................................15第八章、安全措施............................................................................................15第九章、环保措施............................................................................................16第十章、吊篮悬挂系统稳定性验算................................................................17第2页共25页编号:时间:2021年x月x日书山有路勤为径,学海无涯苦作舟页码:第2页共25页第十一章.电动吊篮技术交底兼安全操作规程.............................................17第十二章.应急预案.........................................................................................22第十三章.安装安全技术交底及吊篮操作规范.............................................25第十四章吊篮操作规范...............................................................................26第3页共25页编号:时间:2021年x月x日书山有路勤为径,学海无涯苦作舟页码:第3页共25页第一章、工程概况1、总体概况序号项目内容1工程名称东营海洋城2工程地址东营市胜利大街以西,南一路以北3建设单位东营高原万邦投资有限公司4设计单位青岛北洋建筑设计有限公司5监理单位山东众成建设项目管理有限公司6施工单位中天建设集团有限公司山东分公司7承包范围在业主指定范围内的土建、给排水、采暖、通风、电气8投资性质自筹,资金已到位9工期计划开工2013年3月1日,竣工2014年10月31日质量合格安全文明杜绝重大伤亡事故、火灾事故和人员中毒事故的发生,轻伤频率控制在千分之一以内。重大危险源得到100%的控制。水、气、声、渣排放符合要求...

1、当您付费下载文档后,您只拥有了使用权限,并不意味着购买了版权,文档只能用于自身使用,不得用于其他商业用途(如 [转卖]进行直接盈利或[编辑后售卖]进行间接盈利)。
2、本站所有内容均由合作方或网友上传,本站不对文档的完整性、权威性及其观点立场正确性做任何保证或承诺!文档内容仅供研究参考,付费前请自行鉴别。
3、如文档内容存在违规,或者侵犯商业秘密、侵犯著作权等,请点击“违规举报”。

碎片内容

吊篮施工方案(DOC32页)

您可能关注的文档

确认删除?
VIP
微信客服
  • 扫码咨询
会员Q群
  • 会员专属群点击这里加入QQ群
客服邮箱
回到顶部