电脑桌面
添加小米粒文库到电脑桌面
安装后可以在桌面快捷访问

施工组织设计(道路、桥梁、排水)VIP免费

施工组织设计(道路、桥梁、排水)_第1页
1/98
施工组织设计(道路、桥梁、排水)_第2页
2/98
施工组织设计(道路、桥梁、排水)_第3页
3/98
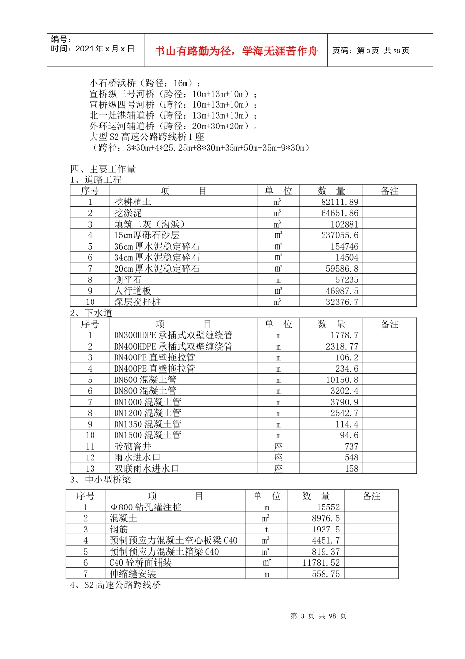
第1页共98页编号:时间:2021年x月x日书山有路勤为径,学海无涯苦作舟页码:第1页共98页第一章技术标编制综合说明一、前言首先,我公司很荣幸能参加这次航三公路(闵行区界~南六公路)新建工程二标段的投标活动。我们将结合曾参加外环线、中环线大型桥梁建设时的施工管理经验,熟悉和掌握的当地人文环境资料,详细的地质水文资料,精心编制出符合当地情况、工程特点的技术标,毋求面面具到,使贵方满意。二、技术标编制依据1、航三公路(闵行区界~南六公路)新建工程二标段施工招标文件。2、航三公路(闵行区界~南六公路)新建工程二标段施工招标图纸。3、现场踏勘情况。4、《市政桥梁工程质量检验评定标准》(CJJ2-90)5、《城市道路工程施工质量验收规范》(DGJ08—117—2005)6、《铁路桥涵质量检验评定标准》(TB10415-98)7、《公路工程质量检验评定标准》(JTGF80/1-2004)8、《公路工程施工质量验收规范》(DGJ08—119—2005)9、《市政道路、排水管道成品与半成品施工及验收规程》(DGJ08—87—2000)10、《城市道路工程施工质量验收规程》(DGJ08—118—2005)11、《市政排水构筑物工程施工及验收规程》(DGJ08—220—96)12、《市政地下工程施工及验收规程》(DGJ08—236—1999)13、《砌体工程施工及验收规程》(GB50203-98)14、《市政工程排水管道施工及验收规程》(DGJ08—220—96)15、《市政排水构筑物工程施工及验收规程》(DGJ08—224—96)16、《给水排水管道工程施工及验收规程》(GB50268-97)17、《钢筋焊接及验收规程》(JGJ18-2003)18、《上海地下工程施工质量验收规程》(DG/TJ08—236—2006)19、《玻璃纤维增强塑料夹砂排水管道施工既验收规程》(DBJ08—234--2001)20、《公路桥涵施工技术规范》(JTJ041-2000)21、《公路路基施工技术规范》(JTGF10-2006)22、《公路土工合成材料试验规程》(JTJ/T060-98)23、《公路工程集料试验规程》(JTJ056-2000)24、《公路沥青路面施工技术规范》(JTGF40-2004)25、《公路交通安全设施施工技术规范》(JTGF71-2006)26、《上海市排水管道通用图》(第一册)(PSAR-D-01-92)27、《埋地塑料排水管道工程技术规程》(DG/TJ108-308-2002、J10185-2002)28、《型钢水泥土搅拌墙技术规程》(DGJ08-116-2005)29、《地基处理技术规范》(DBJ-08-40-94)30、其他国家、上海市的现行施工验收规范、质量评定标准和有关规定。31、本公司IS09001企业质量标准文件及标准化现场施工管理的有关细则。第二章工程简述航三公路(闵行区界~南六公路)新建工程位于上海市浦东新区。本标段西起S3高速,东至K13+680,桩号为K5+816~K13+680,道路全长7.864公里,按规划红线宽度45米实施。第2页共98页第1页共98页编号:时间:2021年x月x日书山有路勤为径,学海无涯苦作舟页码:第2页共98页主要建设内容:桥梁工程、雨水管道工程、污水管道工程、箱涵工程、护岸工程、道路工程等。一、道路工程概况:标准断面:3m(人行道)+4.5m(非机动车道)+4m(分隔带)+8.5m(机动车道)+5m(中央隔离带)+8.5m(机动车道)+4m(分隔带)+4.5m(非机动车道)3m(人行道)=45m沿线新建箱涵7座、管涵2座。路面结构:1)主线机动车道4㎝细粒式沥青混凝土AC-13C(改性沥青)5㎝中粒式沥青混凝土AC-20C(改性沥青)7㎝中粒式沥青混凝土AC-25C1㎝封层(SBS改性沥青+同步碎石)36㎝水泥稳定碎石15㎝砾石砂2)非机动车道4㎝细粒式沥青混凝土AC-13F6㎝中粒式沥青混凝土AC-20C20㎝水泥稳定碎石15㎝砾石砂3)人行道6cm同质砖3cmM10水泥砂浆10㎝C20混凝土10㎝碎石二、下水道工程概况:根据下水道招标设计图纸,雨水管道管径DN600~DN1500分别设置于两侧非机动车道内,采用开槽埋管法施工。污水管道管径DN300~DN600设置在中心线南侧中央隔离带内,采用开槽埋管法、定向钻进敷设(牵引)法施工。DN300、DN400管材采用HDPE承插式双壁缠绕管,双峰式弹性密封橡胶结构,当埋深≤4.0米时,环刚度≥8KN/㎡,当埋深>4.0米时,环刚度≥10KN/㎡。HDPE管基采用20㎝厚碎石(5-40㎜)或砾石砂基础,上铺50㎜中粗砂找平,管道坞膀采用中粗砂回填至管顶以上500㎜。DN6...

1、当您付费下载文档后,您只拥有了使用权限,并不意味着购买了版权,文档只能用于自身使用,不得用于其他商业用途(如 [转卖]进行直接盈利或[编辑后售卖]进行间接盈利)。
2、本站所有内容均由合作方或网友上传,本站不对文档的完整性、权威性及其观点立场正确性做任何保证或承诺!文档内容仅供研究参考,付费前请自行鉴别。
3、如文档内容存在违规,或者侵犯商业秘密、侵犯著作权等,请点击“违规举报”。

碎片内容

施工组织设计(道路、桥梁、排水)

确认删除?
VIP
微信客服
  • 扫码咨询
会员Q群
  • 会员专属群点击这里加入QQ群
客服邮箱
回到顶部