电脑桌面
添加小米粒文库到电脑桌面
安装后可以在桌面快捷访问

高三化学二轮复习 第1部分 专题4 化学实验 突破点19 实验方案的设计与评价-人教高三化学试题VIP免费

高三化学二轮复习 第1部分 专题4 化学实验 突破点19 实验方案的设计与评价-人教高三化学试题_第1页
1/12
高三化学二轮复习 第1部分 专题4 化学实验 突破点19 实验方案的设计与评价-人教高三化学试题_第2页
2/12
高三化学二轮复习 第1部分 专题4 化学实验 突破点19 实验方案的设计与评价-人教高三化学试题_第3页
3/12
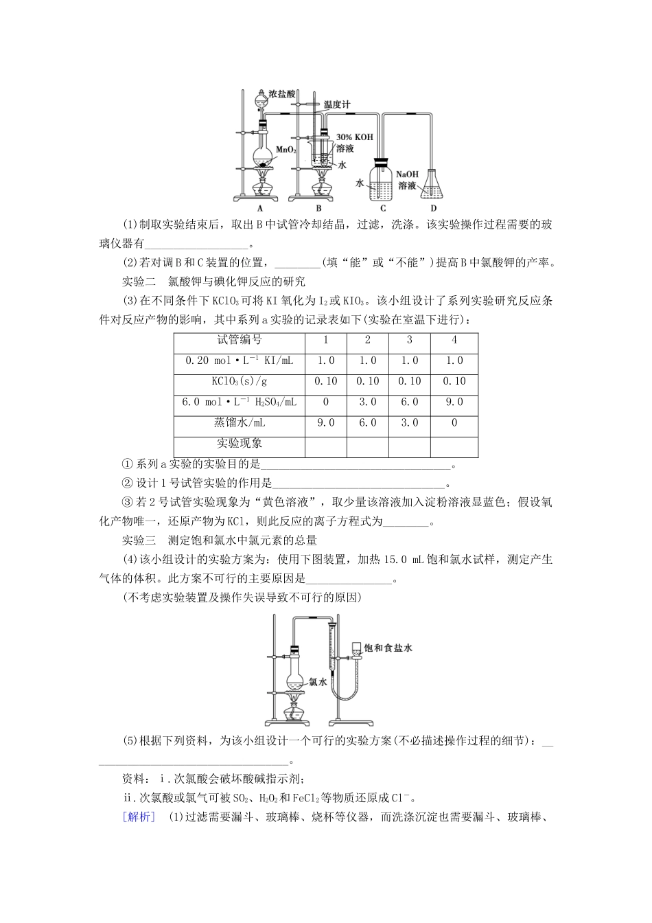
突破点19实验方案的设计与评价提炼1实验方案设计1.实验方案设计的基本思路2.设计实验方案时注意的问题(1)实验方案要可行。要尽量避免使用高压和特殊催化剂等实验室难以达到的条件,实验方案要简单易行。(2)实验顺序要科学。要对各个实验步骤进行统一的规划和安排,保证实验准确且高效。同时要减少副反应的发生和避免实验步骤间的干扰。(3)实验现象要直观。如“证明醋酸是弱电解质”的实验,可配制一定浓度的CH3COONa溶液,用pH试纸测溶液的pH,通过测定的结果pH>7从而得出结论,既操作简便又现象明显。(4)实验结论要可靠。要反复推敲实验步骤和多方论证实验结果,保证实验结论准确可靠。提炼2实验方案评价的基本思路1.从试剂、仪器和装置的合理性上评价。2.从实验原理上评价,实验方案要符合实验原理,保证达到实验目的。3.从操作步骤、实验现象上评价,实验方案要步骤简单,现象明显。4.从环境保护上评价,实验方案的设计要充分体现环保意识。5.从节能、安全可靠上评价,实验方案的设计要节约能源,节省原料且安全可靠。回访1(2015·福建高考)某化学兴趣小组制取氯酸钾和氯水并进行有关探究实验。【导学号:14942072】实验一制取氯酸钾和氯水利用下图所示的实验装置进行实验。(1)制取实验结束后,取出B中试管冷却结晶,过滤,洗涤。该实验操作过程需要的玻璃仪器有__________________。(2)若对调B和C装置的位置,________(填“能”或“不能”)提高B中氯酸钾的产率。实验二氯酸钾与碘化钾反应的研究(3)在不同条件下KClO3可将KI氧化为I2或KIO3。该小组设计了系列实验研究反应条件对反应产物的影响,其中系列a实验的记录表如下(实验在室温下进行):试管编号12340.20mol·L-1KI/mL1.01.01.01.0KClO3(s)/g0.100.100.100.106.0mol·L-1H2SO4/mL03.06.09.0蒸馏水/mL9.06.03.00实验现象①系列a实验的实验目的是_________________________________。②设计1号试管实验的作用是______________________________。③若2号试管实验现象为“黄色溶液”,取少量该溶液加入淀粉溶液显蓝色;假设氧化产物唯一,还原产物为KCl,则此反应的离子方程式为________。实验三测定饱和氯水中氯元素的总量(4)该小组设计的实验方案为:使用下图装置,加热15.0mL饱和氯水试样,测定产生气体的体积。此方案不可行的主要原因是_______________。(不考虑实验装置及操作失误导致不可行的原因)(5)根据下列资料,为该小组设计一个可行的实验方案(不必描述操作过程的细节):___________________________________。资料:ⅰ.次氯酸会破坏酸碱指示剂;ⅱ.次氯酸或氯气可被SO2、H2O2和FeCl2等物质还原成Cl-。[解析](1)过滤需要漏斗、玻璃棒、烧杯等仪器,而洗涤沉淀也需要漏斗、玻璃棒、烧杯等仪器。(2)若对调B和C装置,可以通过水先把Cl2中的HCl除去,可提高KClO3的产率。(3)①根据图表可看出其他条件都相同,只有H2SO4的浓度不同,因此该实验研究的是硫酸的浓度对反应产物的影响。②1号实验中H2SO4的浓度为0,故该实验起到与其他实验对照的作用;③淀粉遇到碘单质会显蓝色,故氧化产物为碘单质,ClO被还原为Cl-。(4)产生的Cl2会重新溶于水,同时HClO也会发生分解,生成HCl,极易溶于水,则无法计算氯元素的量。(5)根据信息可知SO2、H2O2、FeCl2都能将次氯酸或者氯气还原,如果选择SO2会引入SO,对Cl-的测定造成干扰,如果选择FeCl2则会引入Cl-,而H2O2不会引入杂质离子,因此选择H2O2将次氯酸或者氯气还原为Cl-,再用AgNO3溶液测定Cl-。[答案](1)烧杯、漏斗、玻璃棒、胶头滴管(不填“胶头滴管”也可)(2)能(3)①研究反应体系中硫酸浓度对反应产物的影响②硫酸浓度为0的对照实验③ClO+6I-+6H+===Cl-+3I2+3H2O(4)因存在Cl2的重新溶解、HClO分解等,此方案无法测算试样含氯总量(或其他合理答案)(5)量取一定量的试样,加入足量的H2O2溶液,加热除去过量的H2O2,冷却,再加入足量的硝酸银溶液,称量沉淀质量(或其他合理答案)回访2(2015·全国卷Ⅰ)草酸(乙二酸)存在于自然界的植物中,其K1=5.4×10-2,K2=5.4×10-5。草酸的钠盐和钾盐易溶于水,而其钙盐难溶于水。草酸晶体(H2C2O4·2H2O)无色,熔点...

1、当您付费下载文档后,您只拥有了使用权限,并不意味着购买了版权,文档只能用于自身使用,不得用于其他商业用途(如 [转卖]进行直接盈利或[编辑后售卖]进行间接盈利)。
2、本站所有内容均由合作方或网友上传,本站不对文档的完整性、权威性及其观点立场正确性做任何保证或承诺!文档内容仅供研究参考,付费前请自行鉴别。
3、如文档内容存在违规,或者侵犯商业秘密、侵犯著作权等,请点击“违规举报”。

碎片内容

高三化学二轮复习 第1部分 专题4 化学实验 突破点19 实验方案的设计与评价-人教高三化学试题

确认删除?
VIP
微信客服
  • 扫码咨询
会员Q群
  • 会员专属群点击这里加入QQ群
客服邮箱
回到顶部