电脑桌面
添加小米粒文库到电脑桌面
安装后可以在桌面快捷访问

宁波市杭州湾现代农业开发区新型业态农业试点技术方案VIP免费

宁波市杭州湾现代农业开发区新型业态农业试点技术方案_第1页
1/36
宁波市杭州湾现代农业开发区新型业态农业试点技术方案_第2页
2/36
宁波市杭州湾现代农业开发区新型业态农业试点技术方案_第3页
3/36
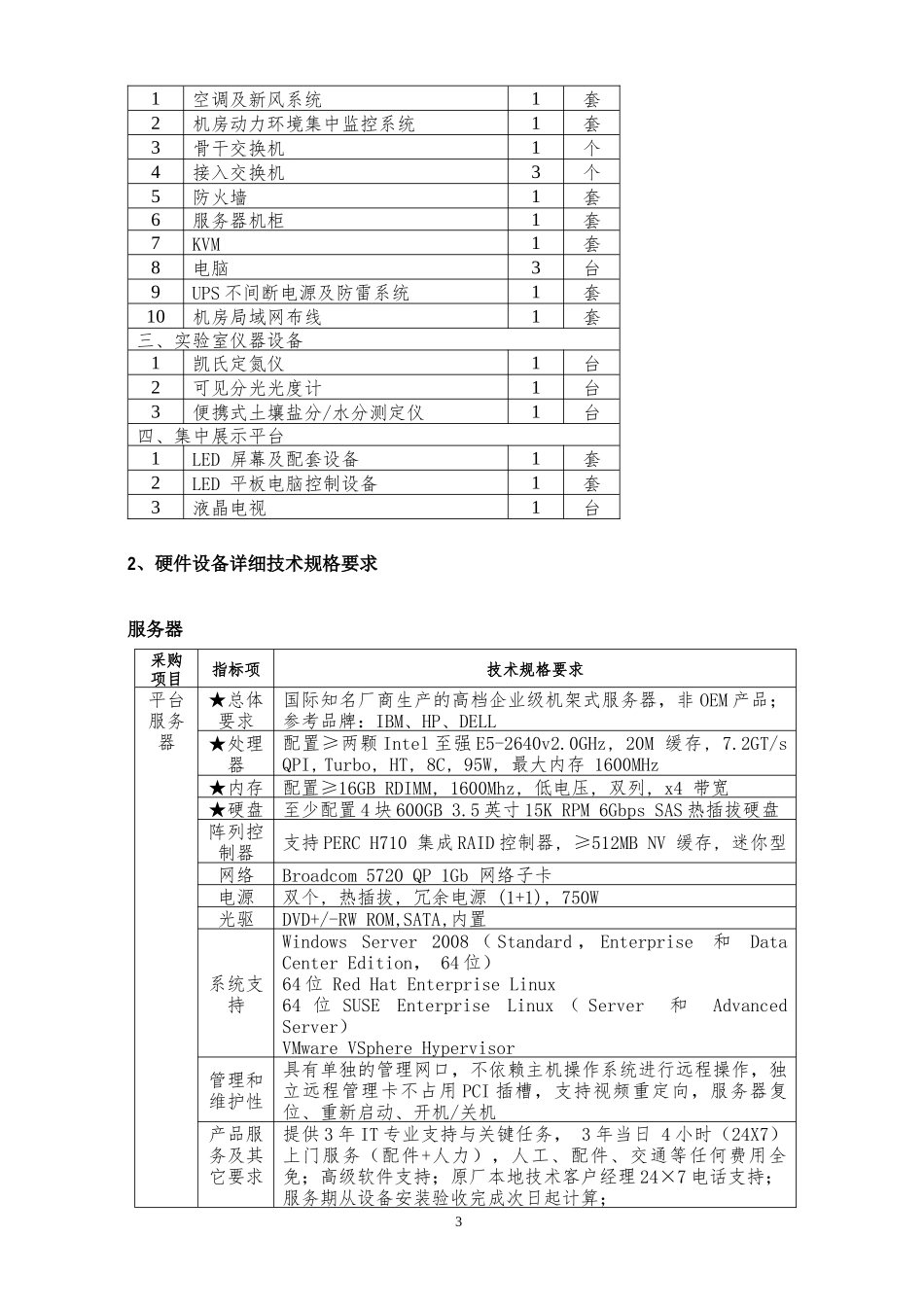
12技术要求一、招标数量1、主要软硬件设备清单序号设备名称数量单位一、智能农业综合服务平台(一)软件开发1开发区智能农业综合展示平台1.1开发区及各基地空间展示与管理系统1套1.2安全生产远程远程可视化监管系统1套1.3开发区生产环境远程实时监测系统1套2开发区农产品质量安全管理及溯源平台2.1开发区农产品质量监管系统1套2.2开发区基地现代农业生产管控系统1套2.3开发区农产品质量安全溯源系统1套2.4基地农业生产数据智能采集系统(基地用)10套3开发区为农综合服务平台3.1农技专家咨询服务系统1套3.2农产品质量检测及信息服务系统1套3.3农业动植物防疫服务系统1套3.4为农综合服务系统1套3.5农产品市场服务系统1套4开发区内网协同工作平台4.1开发区内网信息发布服务1套4.2开发区办公管理平台1套4.3智能农业短信及手机APP平台1套5外网发布平台5.1操作软件1套5.2数据库软件1套5.3Window2008R2标准版1套(二)硬件设备1平板电脑2台2智能农业试点基地接入3项3农产品质量溯源二维码打印机及标签1套4平台服务器2套二、机房工程及设备31空调及新风系统1套2机房动力环境集中监控系统1套3骨干交换机1个4接入交换机3个5防火墙1套6服务器机柜1套7KVM1套8电脑3台9UPS不间断电源及防雷系统1套10机房局域网布线1套三、实验室仪器设备1凯氏定氮仪1台2可见分光光度计1台3便携式土壤盐分/水分测定仪1台四、集中展示平台1LED屏幕及配套设备1套2LED平板电脑控制设备1套3液晶电视1台2、硬件设备详细技术规格要求服务器采购项目指标项技术规格要求平台服务器★总体要求国际知名厂商生产的高档企业级机架式服务器,非OEM产品;参考品牌:IBM、HP、DELL★处理器配置≥两颗Intel至强E5-2640v2.0GHz,20M缓存,7.2GT/sQPI,Turbo,HT,8C,95W,最大内存1600MHz★内存配置≥16GBRDIMM,1600Mhz,低电压,双列,x4带宽★硬盘至少配置4块600GB3.5英寸15KRPM6GbpsSAS热插拔硬盘阵列控制器支持PERCH710集成RAID控制器,≥512MBNV缓存,迷你型网络Broadcom5720QP1Gb网络子卡电源双个,热插拔,冗余电源(1+1),750W光驱DVD+/-RWROM,SATA,内置系统支持WindowsServer2008(Standard,Enterprise和DataCenterEdition,64位)64位RedHatEnterpriseLinux64位SUSEEnterpriseLinux(Server和AdvancedServer)VMwareVSphereHypervisor管理和维护性具有单独的管理网口,不依赖主机操作系统进行远程操作,独立远程管理卡不占用PCI插槽,支持视频重定向,服务器复位、重新启动、开机/关机产品服务及其它要求提供3年IT专业支持与关键任务,3年当日4小时(24X7)上门服务(配件+人力),人工、配件、交通等任何费用全免;高级软件支持;原厂本地技术客户经理24×7电话支持;服务期从设备安装验收完成次日起计算;4采购项目指标项技术规格要求实验室设备采购项目指标项技术规格要求凯氏定氮仪品牌国际知名品牌,参考品牌:FOSS、瑞士BUCHI主要功能用于氮及粗蛋白质含量分析及其它挥发性组分蒸馏分析工作时间连续工作≥8小时技术指标采用国际AOAC等及中国国家标准GB的凯氏定氮方法:浓硫酸消化、碱性环境蒸汽蒸馏、硼酸吸收、指示剂滴定终点颜色判定法、内置滴定系统(同一厂家生产)检测范围0.1-200mg氮;回收率≥99.5%(1-200mgN);重现性RSD≤1%。系统要求定氮仪主机内置操作系统,液晶彩色触摸屏操作,带中英文操作界面。带全自动分析控制系统,包括:样品稀释、碱液添加、吸收液添加、蒸馏、滴定、计算、报告以及消化管自动排空、滴定缸自动清洗等全自动功能。20位直接进样器,采用机械进样,无样品转移(无样品的损失,保证更高的准确性),实现无人值守的全自动操作SAfE技术:通过改变试剂的添加顺序,即在消化液中加入稀释水后立即通入蒸汽,通过蒸汽的搅拌作用使消化液中的浓硫酸被充分稀释,降低随后浓碱加入时的反应强度,改善蒸馏效果。双蒸馏模式:蒸汽平衡添加蒸馏模式和延时蒸馏模式。蒸馏馏出液温度监控系统,位于冷凝器下方,直接测定溜出液温度,监控是否有意外操作导致氨损失,保证分析结果准确可靠。边蒸馏边滴定的功能和自动判断终点技术,确保得到准确可靠的分析结果,并缩短分析时间,降低成本。20位直接进样器,采用...

1、当您付费下载文档后,您只拥有了使用权限,并不意味着购买了版权,文档只能用于自身使用,不得用于其他商业用途(如 [转卖]进行直接盈利或[编辑后售卖]进行间接盈利)。
2、本站所有内容均由合作方或网友上传,本站不对文档的完整性、权威性及其观点立场正确性做任何保证或承诺!文档内容仅供研究参考,付费前请自行鉴别。
3、如文档内容存在违规,或者侵犯商业秘密、侵犯著作权等,请点击“违规举报”。

碎片内容

宁波市杭州湾现代农业开发区新型业态农业试点技术方案

精品中小学资料+ 关注
实名认证
内容提供者

精品文档

确认删除?
VIP
微信客服
  • 扫码咨询
会员Q群
  • 会员专属群点击这里加入QQ群
客服邮箱
回到顶部