电脑桌面
添加小米粒文库到电脑桌面
安装后可以在桌面快捷访问

暖通工程设计指导书与说明书VIP免费

暖通工程设计指导书与说明书_第1页
1/9
暖通工程设计指导书与说明书_第2页
2/9
暖通工程设计指导书与说明书_第3页
3/9
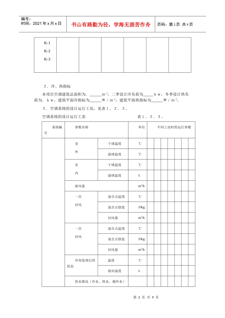
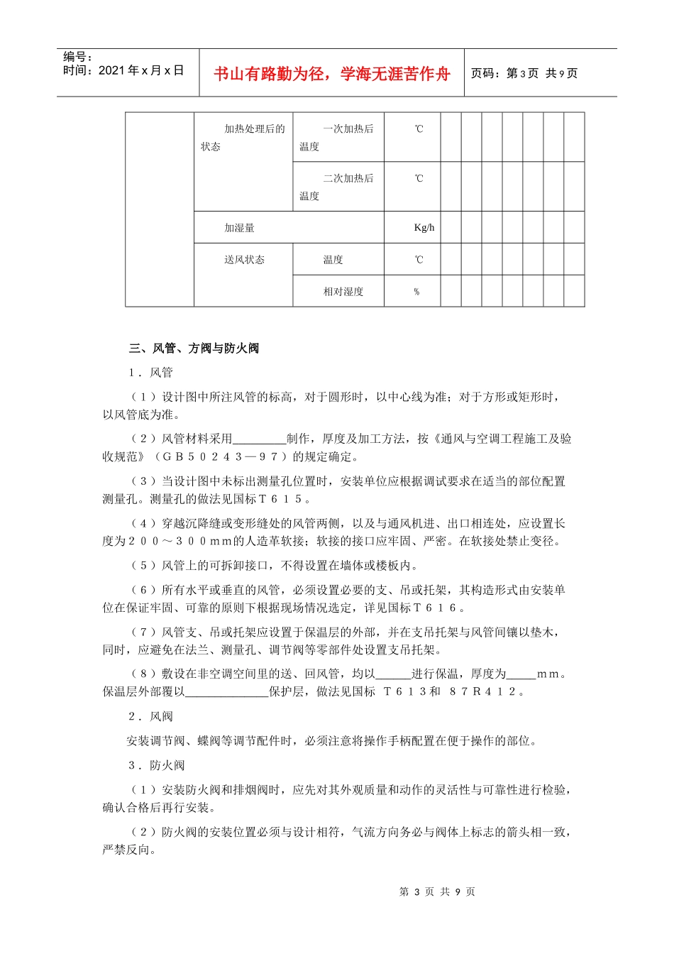
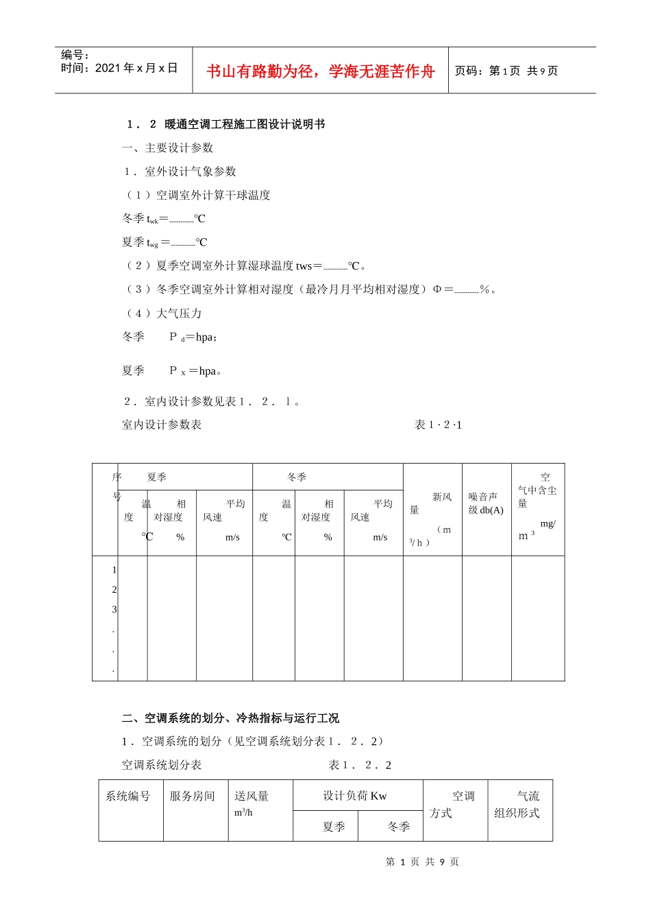
第1页共9页编号:时间:2021年x月x日书山有路勤为径,学海无涯苦作舟页码:第1页共9页1.2暖通空调工程施工图设计说明书一、主要设计参数1.室外设计气象参数(1)空调室外计算干球温度冬季twk=-----------℃夏季twg=-----------℃(2)夏季空调室外计算湿球温度tws=-----------℃。(3)冬季空调室外计算相对湿度(最冷月月平均相对湿度)Φ=-----------%。(4)大气压力冬季Pd=hpa;夏季Px=hpa。2.室内设计参数见表1.2.l。室内设计参数表表1·2·1二、空调系统的划分、冷热指标与运行工况1.空调系统的划分(见空调系统划分表1.2.2)空调系统划分表表1.2.2系统编号服务房间送风量m3/h设计负荷Kw空调方式气流组织形式夏季冬季序号夏季冬季新风量(m3/h)噪音声级db(A)空气中含尘量mg/m3温度℃相对湿度%平均风速m/s温度℃相对湿度%平均风速m/s123...第2页共9页第1页共9页编号:时间:2021年x月x日书山有路勤为径,学海无涯苦作舟页码:第2页共9页K-1K-2K-32.冷、热指标本项目空调建筑总面积为.______m2,二季设计冷负荷为_____kw,冬季设计热负荷为.kw,建筑平面冷指标为______W/m2,建筑平面热指标为______W/m2。3.空调系统的设计运行工况,见表1.2.3。空调系统的设计运行工表表1.2.3。系统编号参数名称单位不同工况时的运行参数室外干球温度℃湿球温度℃室内干球温度℃湿球温度%新风量m3/h一次回风混合点温度℃混合点焓值J/Kg回风量m3/h一次回风混合点温度℃混合点焓值J/Kg回风量m3/h冷却处理后的状态温度℃相对湿度%供水情况(冷水、热水、循环水)第3页共9页第2页共9页编号:时间:2021年x月x日书山有路勤为径,学海无涯苦作舟页码:第3页共9页加热处理后的状态一次加热后温度℃二次加热后温度℃加湿量Kg/h送风状态温度℃相对湿度%三、风管、方阀与防火阀1.风管(1)设计图中所注风管的标高,对于圆形时,以中心线为准;对于方形或矩形时,以风管底为准。(2)风管材料采用_________制作,厚度及加工方法,按《通风与空调工程施工及验收规范》(GB50243—97)的规定确定。(3)当设计图中未标出测量孔位置时,安装单位应根据调试要求在适当的部位配置测量孔。测量孔的做法见国标T615。(4)穿越沉降缝或变形缝处的风管两侧,以及与通风机进、出口相连处,应设置长度为200~300mm的人造革软接;软接的接口应牢固、严密。在软接处禁止变径。(5)风管上的可拆卸接口,不得设置在墙体或楼板内。(6)所有水平或垂直的风管,必须设置必要的支、吊或托架,其构造形式由安装单位在保证牢固、可靠的原则下根据现场情况选定,详见国标T616。(7)风管支、吊或托架应设置于保温层的外部,并在支吊托架与风管间镶以垫木,同时,应避免在法兰、测量孔、调节阀等零部件处设置支吊托架。(8)敷设在非空调空间里的送、回风管,均以______进行保温,厚度为_____mm。保温层外部覆以______________保护层,做法见国标T613和87R412。2.风阀安装调节阀、蝶阀等调节配件时,必须注意将操作手柄配置在便于操作的部位。3.防火阀(1)安装防火阀和排烟阀时,应先对其外观质量和动作的灵活性与可靠性进行检验,确认合格后再行安装。(2)防火阀的安装位置必须与设计相符,气流方向务必与阀体上标志的箭头相一致,严禁反向。第4页共9页第3页共9页编号:时间:2021年x月x日书山有路勤为径,学海无涯苦作舟页码:第4页共9页(3)防火阀必须单独配置支吊架。四、冷热水系统1.制冷机(1)冷源选用______型_______机组共______台。冷源服务的建筑面积为_________m2,装机容量指标为________W/m3。3.制冷机的设计运行工况及各项参数见表1.2.4。制冷机设计运行参数表表1.2.4冷机号冷凝温度℃蒸发温度℃制冷水冷却水初温℃终温℃水量(m3/h)初温℃终温℃水量(m3/h)R—1R—2R—3::(3)制冷机组的清洗、安装、试漏、加油、抽真空、充加制冷剂、调试等事宜,应严格按照制造厂提供的《使用说明书》进行;同时,还应遵守《制冷设备、空气分离设备安装工程施工及验...

1、当您付费下载文档后,您只拥有了使用权限,并不意味着购买了版权,文档只能用于自身使用,不得用于其他商业用途(如 [转卖]进行直接盈利或[编辑后售卖]进行间接盈利)。
2、本站所有内容均由合作方或网友上传,本站不对文档的完整性、权威性及其观点立场正确性做任何保证或承诺!文档内容仅供研究参考,付费前请自行鉴别。
3、如文档内容存在违规,或者侵犯商业秘密、侵犯著作权等,请点击“违规举报”。

碎片内容

暖通工程设计指导书与说明书

您可能关注的文档

确认删除?
VIP
微信客服
  • 扫码咨询
会员Q群
  • 会员专属群点击这里加入QQ群
客服邮箱
回到顶部