电脑桌面
添加小米粒文库到电脑桌面
安装后可以在桌面快捷访问

现浇板施工方案(DOC36页)VIP免费

现浇板施工方案(DOC36页)_第1页
1/26
现浇板施工方案(DOC36页)_第2页
2/26
现浇板施工方案(DOC36页)_第3页
3/26
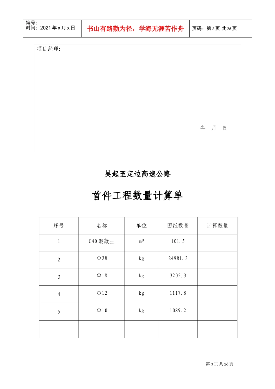
第1页共26页编号:时间:2021年x月x日书山有路勤为径,学海无涯苦作舟页码:第1页共26页吴起至定边高速公路现浇板首件工程(试验段)施工技术方案LJ-2合同段施工单位名称:(盖章)江西井冈路桥(集团)有限公司二○一六年八月二十三日第2页共26页编号:时间:2021年x月x日书山有路勤为径,学海无涯苦作舟页码:第2页共26页吴起至定边高速公路首件工程工程量表合同段:LJ-2编号:工程名称K59+682.5~K60+033.5颗颗川大桥桩号第10孔支付编号项目名称单位设计数量403-3-a光圆钢筋(HPB300)㎏2178.45403-3-b带肋钢筋(HRB400)㎏58608.98新增细目C40混凝土现浇板m³203.00第3页共26页编号:时间:2021年x月x日书山有路勤为径,学海无涯苦作舟页码:第3页共26页项目经理:年月日吴起至定边高速公路首件工程数量计算单序号名称单位图纸数量计算数量1C40混凝土m³101.52Φ28kg24981.33Φ18kg3205.34Φ12kg1117.85Φ10kg1089.2第4页共26页编号:时间:2021年x月x日书山有路勤为径,学海无涯苦作舟页码:第4页共26页吴起至定边高速公路首件工程进场机械设备表施工单位:江西井冈路桥(集团)有限公司合同段:LJ-2编号:工程名称K59+682.5~K60+033.5颗颗川大桥桩号第10孔序号机械或设备名称型号台数性能新旧状况备注1装载机ZLC50F2良好新购2砼罐车9m³7良好新购3挖掘机卡特320D2良好新购4吊车QY163良好新购5翻斗车双桥4良好新购6塔吊70322良好新购第5页共26页编号:时间:2021年x月x日书山有路勤为径,学海无涯苦作舟页码:第5页共26页项目经理(签字):年月日专业工程师意见:年月日工作组意见:年月日吴起至定边高速公路首件工程现场管理人员表施工单位:江西井冈路桥(集团)有限公司合同段:LJ-2编号:工程名称K59+682.5~K60+033.5颗颗川大桥桩号第10孔序号姓名性别年龄职称学历专业担任职务备注1李文波男30工程师专科路桥质检工程师2黄勋男28助工专科路桥测量工程师3吴红芳女41工程师本科路桥试验工程师4张亚军男44工程师专科路桥安全工程师5王乃站男33工程师专科路桥桥梁工程师第6页共26页编号:时间:2021年x月x日书山有路勤为径,学海无涯苦作舟页码:第6页共26页6刘盼新男43现场负责人专科路桥现场负责人项目经理(签字):年月日专业工程师意见:年月日工作组意见:年月日吴起至定边高速公路首件工程现场施工人力表施工单位:江西井冈路桥(集团)有限公司合同段:LJ-2编号:工程名称K59+682.5~K60+033.5颗颗川大桥桩号第10孔熟练工人工种级别人数上岗证号码混凝土工中级1514010502040326140105020545731401050201265414010502042442钢筋工中级14310105195330543408277711330234282770112367第7页共26页编号:时间:2021年x月x日书山有路勤为径,学海无涯苦作舟页码:第7页共26页电工中级111270810044008474100010070788电焊工中级10410002009002524100020081330241000200910215普通工人人数基本工人16民工6项目经理(签字):年月日专业工程师意见:年月日工作组意见:年月日吴起至定边高速公路首件工程进场材料表施工单位:江西井冈路桥(集团)有限公司合同段:LJ-2编号:工程名称K59+682.5~K60+033.5颗颗川大桥桩号第10孔序号材料名称型号/规格进场数量共需数量检验批号备注1水泥P.O42.560T26T2砂子中砂1500m³58.5m³3碎石1200m³91m³第8页共26页编号:时间:2021年x月x日书山有路勤为径,学海无涯苦作舟页码:第8页共26页4外加剂缓凝减水剂5000㎏511㎏5钢筋Φ2850000kg24981.36钢筋Φ188000kg3205.37钢筋Φ1210000kg1117.88钢筋Φ105000kg1089.2项目经理(签字):年月日专业工程师意见:年月日工作组意见:年月日现浇板施工技术方案为加强吴定高速公路LJ-2标项目部工程质量管理,确保优质工程质量。我部选定颗颗川大桥右幅第10孔作为现浇板首件工程进行施工,作为首件工程既是管理处和工作组对我们施工方案、施工工艺的全面考查,同时又可以给我部现浇板后续施工提供了一个可行性方案。一、工程概况颗颗川大桥位于吴起镇房台,桥位跨越U型深谷,深谷约40米,宽度约200米。本桥处于梁台隧道和颗颗川隧道之间,跨越通往周湾镇的地方沥青道路、颗颗川,右幅桥梁跨越石油管线...

1、当您付费下载文档后,您只拥有了使用权限,并不意味着购买了版权,文档只能用于自身使用,不得用于其他商业用途(如 [转卖]进行直接盈利或[编辑后售卖]进行间接盈利)。
2、本站所有内容均由合作方或网友上传,本站不对文档的完整性、权威性及其观点立场正确性做任何保证或承诺!文档内容仅供研究参考,付费前请自行鉴别。
3、如文档内容存在违规,或者侵犯商业秘密、侵犯著作权等,请点击“违规举报”。

碎片内容

现浇板施工方案(DOC36页)

您可能关注的文档

确认删除?
VIP
微信客服
  • 扫码咨询
会员Q群
  • 会员专属群点击这里加入QQ群
客服邮箱
回到顶部