电脑桌面
添加小米粒文库到电脑桌面
安装后可以在桌面快捷访问

暖通工程施工组织设计方案(DOC15页)VIP免费

暖通工程施工组织设计方案(DOC15页)_第1页
1/15
暖通工程施工组织设计方案(DOC15页)_第2页
2/15
暖通工程施工组织设计方案(DOC15页)_第3页
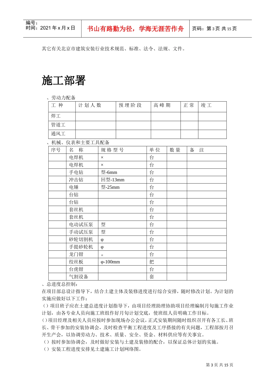
3/15
第1页共15页编号:时间:2021年x月x日书山有路勤为径,学海无涯苦作舟页码:第1页共15页目录第一章工程概况................................................................第二章施工部署................................................................第三章主要施工方法及质量控制点设置。..........................................第四章技术组织................................................................第五章质量保证措施............................................................第六章施工成品保护措施........................................................第七章安全消防措施............................................................第八章现场文明施工管理措施....................................................第九章降低成本措施............................................................第2页共15页编号:时间:2021年x月x日书山有路勤为径,学海无涯苦作舟页码:第2页共15页工程概况、建筑概况本工程为某报社干部住宅号楼,地下一层为设备层,地下二层为人防,地上共九层为住宅,总建筑高度米,总建筑面积平方米。建筑物地点为某路号。、安装工程概况本安装工程招标范围:电气工程、给排水工程(不含卫生器具)、采暖工程、通风工程。、给排水工程(不含卫生器具)、采暖工程、通风工程主要内容给排水管道与卫生工程3.1.1给水系统:生活水泵设在地下一层,由市政两条供水管至建筑物,生活供水由变频设备供水。3.1.2消防栓系统:为临时高压给水系统,由设在地下一层的消防水池水泵、屋顶水箱供水,消防水池为110m3,屋顶水箱18m3。3.1.3排水系统:生活给水直接排至室外,首层单独排出,经化粪池后排入污水管网,地下室废水直接排,由污水泵排入室外管网,污水泵液位控制。3.1.4管材选用:生活给水管采用热镀锌管,消火栓采用焊接钢管焊接;生活排水管铸铁管,承插连接。3.1.5吊顶内的给排水管均做防接露保温,保温材料为10mm的聚氨脂塑料软管,外缠玻璃布,刷防火漆一遍;设备层,楼梯间内的给排水管、消防管用30mm岩棉管壳保温,外缠玻璃布,刷调和漆二遍。采暖系统3.2.1热源由小区锅炉房供给-55°C热水,采用分户供暖,下供下给,供回水干管附设在管道井内,在每单元入口处设有供回水压差控制器。管井内设包括分户热计量表在内的入户装置。户内系统为水平单管串联式,管道埋地布置,住宅部分每组散热器设三通调节阀。3.2.2暖气片选用:地下车库采用内径无砂柱翼型定向对流铸铁散热器,型号为;住宅及办公采用铜管铝串片散热器,型号为。3.2.3管材选用:供水及回水干管采用热镀锌管,螺纹连接,埋设在地面垫层内的管道采用交联铝塑复合管(),并不得有接头,出地面后用专用铜管件连接。通风工程3.3.1风烟道用镀锌钢板,厚度分别为1.0mm及3.0mm。3.3.2所有风烟道每户均设倒流装置。、工程施工、验收应遵守的技术标准、规范《建筑给水排水及采暖工程施工质量验收规范》《通风与空调工程施工质量验收规范》《建筑安装工程质量检验评定统一标准》《建筑采暖卫生与煤气工程质量检验评定标准》《建筑现场文明管理规定》405-1-4《建筑给水塑料管安装》(年合订本)《建筑排水硬聚乙烯管道工程技术规范》《华北设备安装通用图集》《建设工程施工现场供用电安全规范》第3页共15页编号:时间:2021年x月x日书山有路勤为径,学海无涯苦作舟页码:第3页共15页其它有关北京市建筑安装行业技术规范、标准、法令、法规、文件。施工部署、劳动力配备工种计划人数预埋阶段高峰期正常竣工焊工管道工通风工、机械、仪表和主要工具配备序号名称规格型号单位数量备注电焊机×台电焊机×台手电钻型-6mm台冲击钻回型-13mm台电锤型-25mm台台钻台台钻台套丝机台套丝机台电动试压泵型台手动试压泵型台砂轮切割机φ台手提砂轮机φ台龙门钳#台绞丝板φ-100mm把台虎钳台气割设备套、总进度总控制:在项目部总设计指导下,结合土建主体及装修进度进行综合安排,随时修改计划。为计划的实施应做好以下工作:()项目班子应在土建总进度计划指导下,由...

1、当您付费下载文档后,您只拥有了使用权限,并不意味着购买了版权,文档只能用于自身使用,不得用于其他商业用途(如 [转卖]进行直接盈利或[编辑后售卖]进行间接盈利)。
2、本站所有内容均由合作方或网友上传,本站不对文档的完整性、权威性及其观点立场正确性做任何保证或承诺!文档内容仅供研究参考,付费前请自行鉴别。
3、如文档内容存在违规,或者侵犯商业秘密、侵犯著作权等,请点击“违规举报”。

碎片内容

暖通工程施工组织设计方案(DOC15页)

确认删除?
VIP
微信客服
  • 扫码咨询
会员Q群
  • 会员专属群点击这里加入QQ群
客服邮箱
回到顶部