电脑桌面
添加小米粒文库到电脑桌面
安装后可以在桌面快捷访问

煤气柜检修施工组织设计方案VIP免费

煤气柜检修施工组织设计方案_第1页
1/20
煤气柜检修施工组织设计方案_第2页
2/20
煤气柜检修施工组织设计方案_第3页
3/20
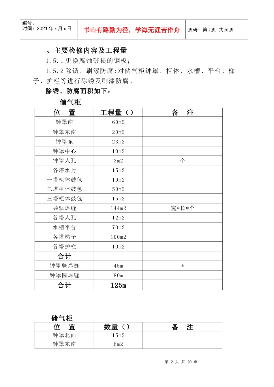
第1页共20页编号:时间:2021年x月x日书山有路勤为径,学海无涯苦作舟页码:第1页共20页煤气柜检修施工组织设计第一章工程概况、工程简介工程内容:对物业管理公司万立方及万立方煤气储气柜腐蚀破损的钢板、巡检平台及护栏进行更换;轨道与滚轮进行调整。图纸编号:设计研究院《煤气储柜扩建工程》。工程性质:检修设备依照《质量管理体系:与公司企业标准()进行质量管理。、制作组织机构序号管理人员职能部门总质量保证责任师总经理办公室公司安全负责人质安部项目经理项目部施工员,安全员项目部质检员项目部施工队长安装一队施工队技术员安装一队、项目部管理体系:对施工全过程负责,按照岗位责任分工负责。序号职务工作内容项目经理负责项目部全面工作,对工程全面负责,按项目法组织施工,代表公司处理与项目有关的一切事务。负责项目的施工生产、施工进度计划、预结算、物资设备等事务。工程技术负责项目的工程技术、质量、安全文明工作,负责施工管理、技术管理、检验试验标准和质量计划等。设备材料负责材料、设备及周转料具供应、采购和保管工作。计划负责合同评审与签订,负责施工预结算和材料计划的编制。施工处负责材料运输,现场施工,施工资料填写,按计划保证安全、质量、工期。、工程特点:本工程所涉及的储气柜属于重点危险源,易燃、易爆,所以在施工过程中严格执行施工工序及有关安全管理制度。第2页共20页第1页共20页编号:时间:2021年x月x日书山有路勤为径,学海无涯苦作舟页码:第2页共20页、主要检修内容及工程量1.5.1更换腐蚀破损的钢板;1.5.2除锈、刷漆防腐:对储气柜钟罩、柜体、水槽、平台、梯子、护栏等进行除锈及刷漆防腐。除锈、防腐面积如下:储气柜位置工程量()备注钟罩南60m2钟罩东南20m2钟罩东23m2钟罩中心10m2钟罩人孔3m2个各塔水封15m2一塔柜体鼓包10m2二塔柜体鼓包50m2三塔柜体鼓包15m2导轨焊缝144m2宽*长*个各塔人孔12m2水槽平台70m2各塔梯子100m2各塔护栏10m2合计钟罩竖焊缝45m*钟罩圆焊缝80m合计125m储气柜位置数量()备注钟罩北面15m2钟罩东南6m2第3页共20页第2页共20页编号:时间:2021年x月x日书山有路勤为径,学海无涯苦作舟页码:第3页共20页钟罩东35m2钟罩中心6m2钟罩东北15m2各塔水封245m2钟罩人孔3m2个一塔柜体鼓包5m2二塔柜体东北鼓包10m2二塔柜体东边鼓包8m2三塔柜体鼓包5m2各塔水封367m2个各塔人孔12m2水槽平台102m2导轨焊缝224m2宽*长*各塔梯子100m2各塔护栏100m2合计1258m2钟罩竖焊缝120m钟罩圆焊缝条220m一塔上边圆焊缝126m二塔上边圆焊缝126m三塔上边圆焊缝126m水槽焊缝100m合计698m1.5.3钟罩锈蚀部位除锈时进行厚度监测,个别锈蚀部位厚度不够的,进行局部更换。1.5.4对导轮进行检修、校正、除锈,导轮磨损严重的进行补焊修复,磨损较大的导轨进行修复,导轨头部连接部分修复。维修量如下:储气柜导轮组,,位置数量备注水槽梯子入口导轨头断裂第4页共20页第3页共20页编号:时间:2021年x月x日书山有路勤为径,学海无涯苦作舟页码:第4页共20页水槽平台导轮座腐蚀严重一塔东北导轮磨损严重二塔导轮磨损严重储气柜导轮组,,位置数量备注水槽梯子入口导轨头断裂水槽平台导轮座腐蚀严重一塔东北导轮磨损严重二塔导轮磨损严重1.5.5筒体同心度校正:对骨架部分进行调整、加固,校正储气柜柜体圆度、同心度,现出现变形严重的主要部分是万气柜的二塔和三塔。(立柱骨架在每个导轮的下方)1.5.6水封部位进行焊缝检修补焊、除锈刷漆。1.5.7骨架修复后进行除锈、刷漆。1.5.8内部化学腐蚀部位需重新刷漆。1.5.9清理淤泥的内容参考施工程序中的相关内容。第二章施工准备、工期目标:满足生产单位的正常运行。、质量目标:认真贯彻执行国家、省、市的有关施工规范,规程及标准严格按设计要求进行施工,确保工程一次性验收合格。、安全目标:针对本工程特点制定并落实相应的安全保证措施,确保施工过程中达到以下目标:()死亡、重伤、人为机械事故为零。()职工安全培训,教育率达到。()轻伤率为。、施工人员的准备.1人员培训与人员资格的确认,确保特殊工种人员具备资格,持证上岗。2.4.2对所有施工人员要进行技术质量安...

1、当您付费下载文档后,您只拥有了使用权限,并不意味着购买了版权,文档只能用于自身使用,不得用于其他商业用途(如 [转卖]进行直接盈利或[编辑后售卖]进行间接盈利)。
2、本站所有内容均由合作方或网友上传,本站不对文档的完整性、权威性及其观点立场正确性做任何保证或承诺!文档内容仅供研究参考,付费前请自行鉴别。
3、如文档内容存在违规,或者侵犯商业秘密、侵犯著作权等,请点击“违规举报”。

碎片内容

煤气柜检修施工组织设计方案

确认删除?
VIP
微信客服
  • 扫码咨询
会员Q群
  • 会员专属群点击这里加入QQ群
客服邮箱
回到顶部