电脑桌面
添加小米粒文库到电脑桌面
安装后可以在桌面快捷访问

质量程序控制附表(DOC5页)VIP免费

质量程序控制附表(DOC5页)_第1页
1/4
质量程序控制附表(DOC5页)_第2页
2/4
质量程序控制附表(DOC5页)_第3页
3/4
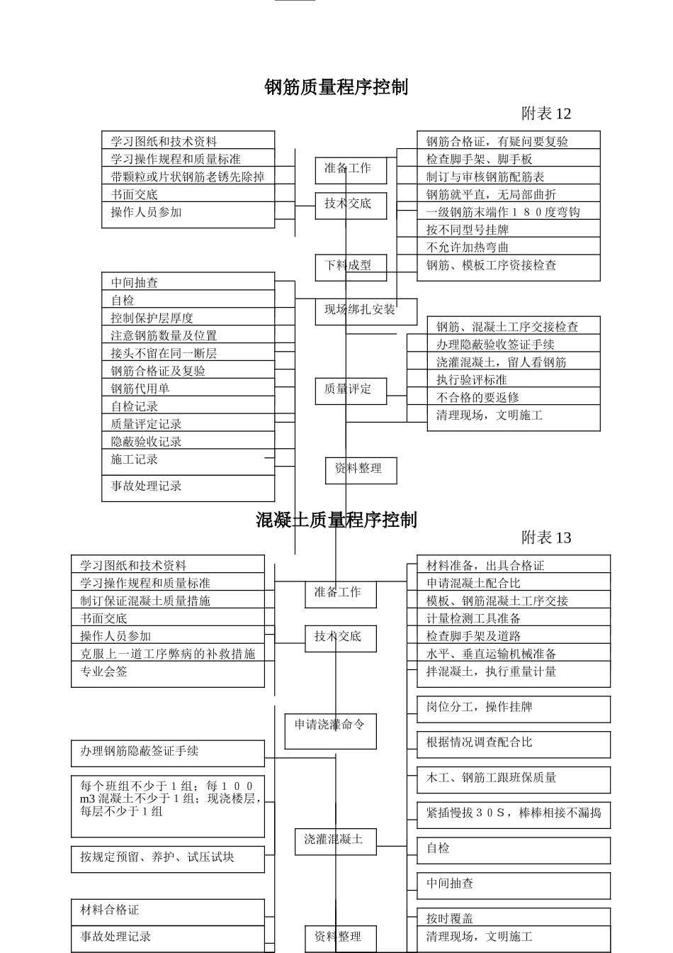
钢筋质量程序控制附表12收混凝土质量程序控制附表13者舍学习图纸和技术资料钢筋合格证,有疑问要复验学习操作规程和质量标准带颗粒或片状钢筋老锈先除掉书面交底操作人员参加检查脚手架、脚手板制订与审核钢筋配筋表钢筋就平直,无局部曲折一级钢筋末端作180度弯钩按不同型号挂牌不允许加热弯曲加热钢筋、模板工序资接检查中间抽查自检控制保护层厚度注意钢筋数量及位置接头不留在同一断层钢筋合格证及复验单钢筋代用单自检记录质量评定记录隐蔽验收记录施工记录钢筋、混凝土工序交接检查办理隐蔽验收签证手续浇灌混凝土,留人看钢筋执行验评标准不合格的要返修清理现场,文明施工事故处理记录准备工作技术交底下料成型现场绑扎安装质量评定资料整理学习图纸和技术资料材料准备,出具合格证学习操作规程和质量标准操作远程规程制订保证混凝土质量措施书面交底操作人员参加克服上一道工序弊病的补救措施施专业会签办理钢筋隐蔽签证手续每个班组不少于1组;每100m3混凝土不少于1组;现浇楼层,每层不少于1组按规定预留、养护、试压试块试块报告单自检记录质量评定记录混凝土浇灌命令施工记录测温记录事故处理记录材料合格证申请混凝土配合比模板、钢筋混凝土工序交接计量检测工具准备检查脚手架及道路水平、垂直运输机械准备拌混凝土,执行重量计量岗位分工,操作挂牌根据情况调查配合比木工、钢筋工跟班保质量紧插慢拔30S,棒棒相接不漏捣自检中间抽查按时覆盖暖热季节定时养护七昼夜冬季注意保温防冻注意不要早期加荷执行验评标准不合格品的处理作(返工)清理现场,文明施工准备工作技术交底申请浇灌命令浇灌混凝土养护质量评定资料整理模板工程质量程序控制附表11车学习图纸和技术资料学习操作规程和质量标准底面抄平放线书面交底操作人员参加底部标高、中心线、断面尺寸放线注意预埋件的位置和尺寸模板选择平整钢模板模板涂隔离剂与钢筋工序交接钢模板孔洞堵补执行验评标准中间抽查自检注意二次接模接缝梁、板底部按规定起拱要有足够刚度,防止涨模和钢筋、混凝土工序交接检查浇灌混凝土时,留人看守清理现场,文明施工按强度曲线拆模时间注意保护棱角修被模板、分类堆放自检记录质量评定记录预埋件隐蔽记录施工记录准备工作技术交底支模质量评定拆模资料整理门窗施工质量程序控制附表14学习图纸和技术资料门窗洞外尺寸检查学习操作规程和质量标准门窗运到现场,出具合格证门窗及框外形尺寸检查安装工具准备书面交底操作人员参加克服上一道工序弊病的补救措施控制框、扇安装缝隙中间抽查自检注意门窗框与墙的连接自检记录质量评定记录施工记录门窗框、扇出厂合格证执行检评标准不合格的处理(返工)清理现场,文明施工先立口:平面位置、标高放线,后塞口,检查墙体预埋件准备工作技术交底安装质量评定资料整理质量程序控制附表16材料准备,出具质量证明准备试模和计具工具试块强度报告申请混凝土配合比焊接接头试验报告检查脚手架及马道混凝土施工日志水平、垂直运输工具准备自检记录书面交底隐蔽验收记录操作人员参加注意截面尺寸和位置、标高钢筋、模板交接检查按规定预留、养护、试压试块质量评定每楼层不少于1组执行验评标准养护不合格的处理(返工)拆模钢筋隐蔽签证质量评定记录申请浇灌命令事故处理记录木工、钢筋工看模及钢筋中间抽查材料合格证自检学习图纸和技术资料执行检评标准学习操作规程和质量标准不合格的处理(返工)编制施工方案施工机具准备测量仪器准备克服上道工序弊病的补救措施注意钢筋接头和保护层厚度中间抽查自检注意模板堵缝、堵孔中间抽查自检模板、钢筋、混凝土交接检查执行检评标准不合格的处理(返工)测量记录准备工作技术交底钢筋模板混凝土资料整理

1、当您付费下载文档后,您只拥有了使用权限,并不意味着购买了版权,文档只能用于自身使用,不得用于其他商业用途(如 [转卖]进行直接盈利或[编辑后售卖]进行间接盈利)。
2、本站所有内容均由合作方或网友上传,本站不对文档的完整性、权威性及其观点立场正确性做任何保证或承诺!文档内容仅供研究参考,付费前请自行鉴别。
3、如文档内容存在违规,或者侵犯商业秘密、侵犯著作权等,请点击“违规举报”。

碎片内容

质量程序控制附表(DOC5页)

您可能关注的文档

书海行舟+ 关注
实名认证
内容提供者

热爱教学事业,对互联网知识分享很感兴趣

相关文档

确认删除?
VIP
微信客服
  • 扫码咨询
会员Q群
  • 会员专属群点击这里加入QQ群
客服邮箱
回到顶部