电脑桌面
添加小米粒文库到电脑桌面
安装后可以在桌面快捷访问

清单计价规范(厂房特种门、构件运输安装、屋面、保温防水、防腐)VIP免费

清单计价规范(厂房特种门、构件运输安装、屋面、保温防水、防腐)_第1页
1/30
清单计价规范(厂房特种门、构件运输安装、屋面、保温防水、防腐)_第2页
2/30
清单计价规范(厂房特种门、构件运输安装、屋面、保温防水、防腐)_第3页
3/30
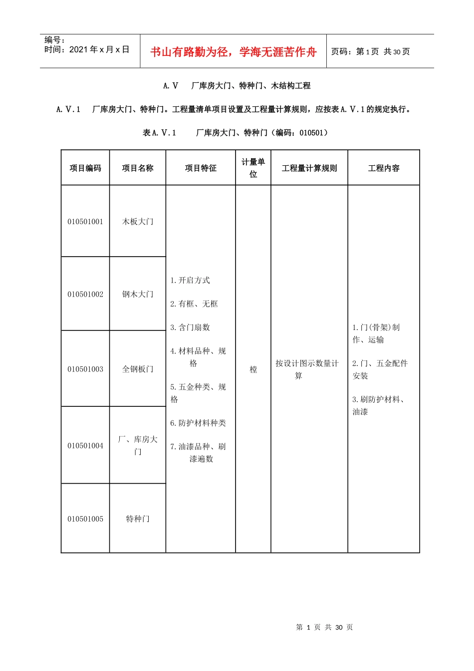
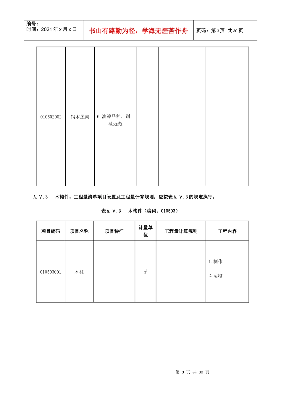
第1页共30页编号:时间:2021年x月x日书山有路勤为径,学海无涯苦作舟页码:第1页共30页A.Ⅴ厂库房大门、特种门、木结构工程A.Ⅴ.1厂库房大门、特种门。工程量清单项目设置及工程量计算规则,应按表A.Ⅴ.1的规定执行。表A.Ⅴ.1厂库房大门、特种门(编码:010501)项目编码项目名称项目特征计量单位工程量计算规则工程内容010501001木板大门1.开启方式2.有框、无框3.含门扇数4.材料品种、规格5.五金种类、规格6.防护材料种类7.油漆品种、刷漆遍数樘按设计图示数量计算1.门(骨架)制作、运输2.门、五金配件安装3.刷防护材料、油漆010501002钢木大门010501003全钢板门010501004厂、库房大门010501005特种门第2页共30页第1页共30页编号:时间:2021年x月x日书山有路勤为径,学海无涯苦作舟页码:第2页共30页010501006围墙铁丝门A.Ⅴ.2木屋架。工程量清单项目设置及工程量计算规则,应按表A.Ⅴ.2的规定执行。表A.Ⅴ.2木屋架(编码:010502)项目编码项目名称项目特征计量单位工程量计算规则工程内容010502001木屋架1.跨度2.安装高度3.材料品种、规格4.刨光要求5.防护材料种类榀按设计图示数量计算1.制作、运输2.安装3.刷防护材料、油漆第3页共30页第2页共30页编号:时间:2021年x月x日书山有路勤为径,学海无涯苦作舟页码:第3页共30页6.油漆品种、刷漆遍数010502002钢木屋架A.Ⅴ.3木构件。工程量清单项目设置及工程量计算规则,应按表A.Ⅴ.3的规定执行。表A.Ⅴ.3木构件(编码:010503)项目编码项目名称项目特征计量单位工程量计算规则工程内容010503001木柱m31.制作2.运输第4页共30页第3页共30页编号:时间:2021年x月x日书山有路勤为径,学海无涯苦作舟页码:第4页共30页1.构件高度、长度2.构件截面3.木材种类4.刨光要求5.防护材料种类6.油漆品种、刷漆遍数按设计图示尺寸以体积计算3.安装4.刷防护材料、油漆010503002木梁010503003木楼梯1.木材种类2.刨光要求3.防护材料种类4.油漆品种、刷漆遍数m2按设计图示尺寸以水平投影面积计算。不扣除宽度小于300mm的楼梯井,伸入墙内部分不计算010503004其他木构件1.构件名称2.构件截面3.木材种类4.刨光要求5.防护材料种类6.油漆品种、刷漆遍数m3按设计图示尺寸以体积计算续表A.Ⅴ.3项目编码项目名称项目特征计量单位工程量计算规则工程内容第5页共30页第4页共30页编号:时间:2021年x月x日书山有路勤为径,学海无涯苦作舟页码:第5页共30页010503005檩木、椽子1.截面2.木材种类3.刨光要求4.防护材料种类5.搭接方式m3按设计图示尺寸以体积计算1.制作2.运输3.安装4.刷防护材料、油漆010503006木屋面板m2按设计图示尺寸以斜面积计算,不扣除房上烟囱、风帽底座、风道、小气窗、斜沟等所占面积,小气窗的出檐部分不增加面积010503007封檐板、搏风板1.板高度、厚度2.木材种类3.刨光要求4.防护材料种类5.油漆品种、油漆遍数m按设计图示以长度计算A.Ⅴ.4本章相关问题,应按下列规定处理。第6页共30页第5页共30页编号:时间:2021年x月x日书山有路勤为径,学海无涯苦作舟页码:第6页共30页1冷藏门、冷冻间门、保温门、变电室门、折叠门、隔音门、防射线门、人防门、金库门等,应按A.Ⅴ.1中特种门项目编码列项。2屋架的跨度应以上、下弦中心线两交点之间的距离计算。3带气楼的屋架和马尾、折角以及正交部分的半屋架,应分别编码列项。4木楼梯的栏杆(栏板)、扶手,应按B.Ⅰ.7中相关项目编码列项。A.Ⅵ.金属结构工程A.Ⅵ.1钢屋架、钢网架。工程量清单项目设置及工程量计算规则,应按表A.Ⅵ.1的规定执行。表A.Ⅵ.1钢屋架、钢网架(编码:010601)项目编码项目名称项目特征计量单位工程量计算规则工程内容010601001钢屋架1.钢材品种、规格2.单榀屋架的重量3.屋架跨度、安装高度4.探伤要求5.油漆品种、刷漆遍数t按设计图示尺寸以质量计算。不扣除孔眼、切边、切肢的质量,焊条、铆钉、螺栓等不另增加质量,不规则或多边形钢板以其外接矩形面积乘厚度乘单位理论质量计算1.制作2.运输3.拼装4.拼装台安拆5.安装6.探伤7.刷油漆010601002钢网架1.钢材品种、规格2.网架节点形式、连接方式3.网架跨度、安装高度4.探伤要求5.油漆品种、刷漆遍数第7页共30页第6页共...

1、当您付费下载文档后,您只拥有了使用权限,并不意味着购买了版权,文档只能用于自身使用,不得用于其他商业用途(如 [转卖]进行直接盈利或[编辑后售卖]进行间接盈利)。
2、本站所有内容均由合作方或网友上传,本站不对文档的完整性、权威性及其观点立场正确性做任何保证或承诺!文档内容仅供研究参考,付费前请自行鉴别。
3、如文档内容存在违规,或者侵犯商业秘密、侵犯著作权等,请点击“违规举报”。

碎片内容

清单计价规范(厂房特种门、构件运输安装、屋面、保温防水、防腐)

确认删除?
VIP
微信客服
  • 扫码咨询
会员Q群
  • 会员专属群点击这里加入QQ群
客服邮箱
回到顶部