电脑桌面
添加小米粒文库到电脑桌面
安装后可以在桌面快捷访问

某地产建筑要求VIP免费

某地产建筑要求_第1页
1/24
某地产建筑要求_第2页
2/24
某地产建筑要求_第3页
3/24
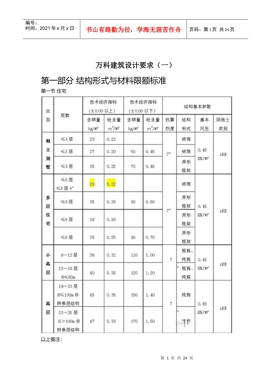
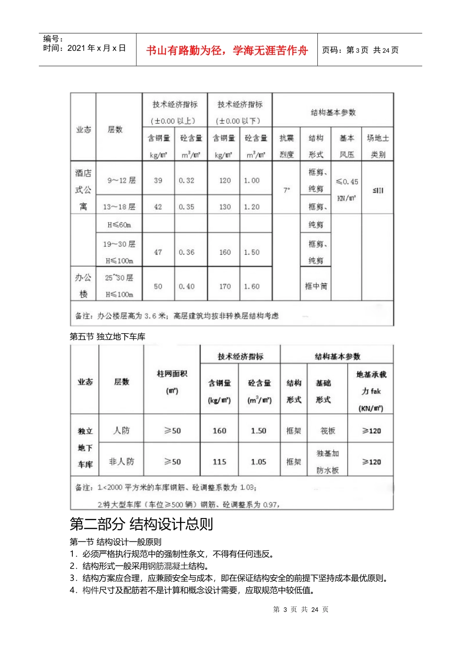
第1页共24页编号:时间:2021年x月x日书山有路勤为径,学海无涯苦作舟页码:第1页共24页万科建筑设计要求(一)第一部分结构形式与材料限额标准第一节住宅以上备注:第2页共24页第1页共24页编号:时间:2021年x月x日书山有路勤为径,学海无涯苦作舟页码:第2页共24页A.住宅层高为2.9米,无地暖。B.钢筋含量的调整:抗震等级为6度时,钢筋含量降低3~5kg;抗震等级为8度时,钢筋含量提高5~7kg。C.结构限额设计变更指标:别墅、多层为已完工作量1.1%;小高层为1.0%;高层为0.8%。D.地上指标列入设计合同条款,若低于限额指标,则按比例奖励设计人员;若超过限额指标的5~7%,则根据实情对设计单位及项目公司处以一定数额的罚款。罚款条款在签定合同时确定。E.表中地下指标为参考指标,具体工程应根据地勘报告和设计管理中心审定的基础形式加以调整,调整后的数额列入设计合同补充条款。第二节会所第三节商业步行街第四节酒店式公寓第3页共24页第2页共24页编号:时间:2021年x月x日书山有路勤为径,学海无涯苦作舟页码:第3页共24页第五节独立地下车库第二部分结构设计总则第一节结构设计一般原则1.必须严格执行规范中的强制性条文,不得有任何违反。2.结构形式一般采用钢筋混凝土结构。3.结构方案应合理,应兼顾安全与成本,即在保证结构安全的前提下坚持成本最优原则。4.构件尺寸及配筋若不是计算和概念设计需要,应取规范中较低值。第4页共24页第3页共24页编号:时间:2021年x月x日书山有路勤为径,学海无涯苦作舟页码:第4页共24页第二节各业态活载取值要求除严格执行《建筑结构荷载规范》外:1.商业步行街中独立商铺楼面使用荷载取4.0kN/m2。2.会所中健身房、舞厅使用荷载取4.0kN/m2,其余取2.0kN/m2。3.独立地下车库顶板荷载应根据景观布置图或文字说明分块计算,并满足《种植屋面工程技术规程》取值标准。顶板活载取值:绿地取1.5kN/m2;小型广场取4.0kN/m2;机动车道一般兼做消防车道,可按《建筑结构荷载规范》相关条文取用。4.公共建筑的种植屋面填土厚度为500mm,活载取值:绿地取1.5kN/m2,观光处取3.0kN/m2;住宅的入户花园及露台有填土要求时,填土厚度为200mm,活载取2.0kN/m2。第三节梁、柱断面及配筋率取值范围1.主梁断面高度一般取跨度的1/10~1/14,合理的计算配筋率一般在0.8%~1.6%之间。2.次梁断面高度一般取跨度的1/14~1/18,合理的计算配筋率一般在0.4%~1.4%之间。3.除砖混结构外,结构外围梁的高度还应满足建筑要求,一般梁底至洞顶小于150时梁高做到窗顶。4.大跨度(大于10米)和大悬挑(大于2.5米)的梁应专门验算绕度和裂缝。5.梁配筋的归并系数取0.15,并严格按计算结果配置,不应随意放大。6.当梁腹板高度小于450时,不配置构造腰筋。(如计算结果需要配置抗扭腰筋则属例外)7.悬挑梁箍筋全长加密。8.主次梁相交处以加密箍筋为优先,吊筋设置与否应根据计算结果文件中剪力包络图为依据,如不需要,不应随意设置,以减少施工麻烦。9.管道穿梁应加套管,直径大于30的圆洞(30X30方洞)应配置洞口加强筋。10.屋面、露台板跨中一般不设反梁,若设反梁,应根据排水情况在反梁上预留过水洞,标出洞的位置、大小,并做疏水处理,保证洞口排水通畅。11.柱断面可根据层数、层高、轴压比等要求来确定,尽量使柱轴压比接近规范限值。12.沿竖向柱计算配筋变化大于15%时,应分层配置;同一层柱配筋归并系数取0.15,并严格按计算结果配置,不应随意放大。13.柱断面配筋中拉筋应钩住主箍筋并参与体积配箍率计算。第四节板厚及配筋要求1.楼板荷载应满足装饰要求。2.楼板厚度一般取跨度的1/30~1/35,合理的计算配筋率一般在0.20%~0.6%之间。3.楼板负筋不应大面积拉通,但小板块如卫生间、暗埋管线较多处、建筑平面薄弱处、温度应力较大处则属例外。4.楼板配筋应满足地方标准的有关要求。5.同样跨度,同样支承条件,同样荷载的板板厚及配筋各单元必须完全一致。6.异形板设计应进行有限元分析,对跨度较大的异形板应验算弹塑性下挠度和裂缝。7.设备专业与结构专业应密切配合,楼板中穿线管不应出现大量集中及相互交叉超过2第5页共24页第4页共24页编号:时间:2021年x月x...

1、当您付费下载文档后,您只拥有了使用权限,并不意味着购买了版权,文档只能用于自身使用,不得用于其他商业用途(如 [转卖]进行直接盈利或[编辑后售卖]进行间接盈利)。
2、本站所有内容均由合作方或网友上传,本站不对文档的完整性、权威性及其观点立场正确性做任何保证或承诺!文档内容仅供研究参考,付费前请自行鉴别。
3、如文档内容存在违规,或者侵犯商业秘密、侵犯著作权等,请点击“违规举报”。

碎片内容

某地产建筑要求

确认删除?
VIP
微信客服
  • 扫码咨询
会员Q群
  • 会员专属群点击这里加入QQ群
客服邮箱
回到顶部