电脑桌面
添加小米粒文库到电脑桌面
安装后可以在桌面快捷访问

某啤酒企业生产技术副厂长岗位说明书VIP免费

某啤酒企业生产技术副厂长岗位说明书_第1页
1/7
某啤酒企业生产技术副厂长岗位说明书_第2页
2/7
某啤酒企业生产技术副厂长岗位说明书_第3页
3/7
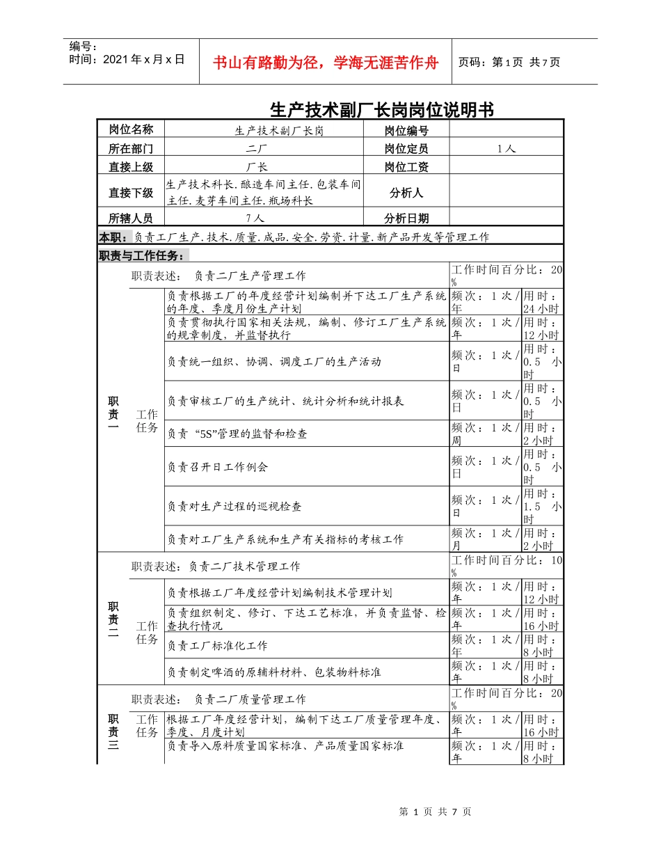
第1页共7页编号:时间:2021年x月x日书山有路勤为径,学海无涯苦作舟页码:第1页共7页生产技术副厂长岗岗位说明书岗位名称生产技术副厂长岗岗位编号所在部门二厂岗位定员1人直接上级厂长岗位工资直接下级生产技术科长.酿造车间主任.包装车间主任.麦芽车间主任.瓶场科长分析人所辖人员7人分析日期本职:负责工厂生产.技术.质量.成品.安全.劳资.计量.新产品开发等管理工作职责与工作任务:职责一职责表述:负责二厂生产管理工作工作时间百分比:20%工作任务负责根据工厂的年度经营计划编制并下达工厂生产系统的年度、季度月份生产计划频次:1次/年用时:24小时负责贯彻执行国家相关法规,编制、修订工厂生产系统的规章制度,并监督执行频次:1次/年用时:12小时负责统一组织、协调、调度工厂的生产活动频次:1次/日用时:0.5小时负责审核工厂的生产统计、统计分析和统计报表频次:1次/日用时:0.5小时负责“5S”管理的监督和检查频次:1次/周用时:2小时负责召开日工作例会频次:1次/日用时:0.5小时负责对生产过程的巡视检查频次:1次/日用时:1.5小时负责对工厂生产系统和生产有关指标的考核工作频次:1次/月用时:2小时职责二职责表述:负责二厂技术管理工作工作时间百分比:10%工作任务负责根据工厂年度经营计划编制技术管理计划频次:1次/年用时:12小时负责组织制定、修订、下达工艺标准,并负责监督、检查执行情况频次:1次/年用时:16小时负责工厂标准化工作频次:1次/年用时:8小时负责制定啤酒的原辅料材料、包装物料标准频次:1次/年用时:8小时职责三职责表述:负责二厂质量管理工作工作时间百分比:20%工作任务根据工厂年度经营计划,编制下达工厂质量管理年度、季度、月度计划频次:1次/年用时:16小时负责导入原料质量国家标准、产品质量国家标准频次:1次/年用时:8小时第2页共7页第1页共7页编号:时间:2021年x月x日书山有路勤为径,学海无涯苦作舟页码:第2页共7页负责修订原料质量内控标准、半成品的质量内控标准、产品质量的企业标准频次:1次/年用时:16小时负责对工厂生产过程的半成品至成品的监督、检查、控制频次:1次/日用时:0.5小时负责组织工厂的品质研讨会频次:3次/年用时:2小时负责对工厂啤酒产品的质量进行品评,做出评价频次:1次/日用时:0.5小时负责工厂化验数据的分析和审核频次:1次/日用时:0.5小时负责组织对工厂重大质量事故的调查分析处理频次:1次/年用时:8小时负责对质量指标进行考核频次:1次/月用时:2小时负责监督原材料及包装的进货质量检验工作频次:1次/周用时:0.5小时配合技术监督局、卫生检疫局等有关稽查工作的进行频次:2-3次/半年用时:4小时负责工厂的质量认证工作频次:2次/年用时:32小时负责QC工作频次:1次/月用时:2小时负责制定内部质量认证审核计划,并组织实施频次:1次/半年用时:8小时负责组织外部质量审核工作频次:1次/年用时:16小时职责四职责表述:负责二厂生产安全管理工作工作时间百分比:5%工作任务贯彻执行国家安全生产的方针、政策、法律法规和制度。负责监督工厂的安全管理工作频次:1次/月用时:1小时组织参与修订工厂的职业安全卫生管理制度和安全技术规程,并监督检查执行情况频次:1次/月用时:1小时负责各类事故的调查、处理、汇总、上报频次:1-2次/年用时:8小时负责检查督促有关的部门制度的落实情况及搞好安全技术装备的维护、保养管理工作频次:1次/月用时:1小时职责五职责表述:负责二厂综合统计管理工作工作时间百分比:10%工作任务根据国家统计法和相关法规建立健全工厂的统计制度,并监督检杳其实施情况频次:1次/年用时:8小时负责统一制定修改工厂统计计算标准频次:1次/年用时:8小时负责下达工厂生产技术经济指标,并负责检查考核频次:1次/月用时:2小时负责配合工厂对全体统计人员的业务指导和培训频次:1次/年用时:2小时第3页共7页第2页共7页编号:时间:2021年x月x日书山有路勤为径,学海无涯苦作舟页码:第3页共7页负责向上级政府部门和工厂领导提报统计报表频次:1次/月用时:0.5小时负责对工厂其它职能部门对外统计报表的审核频次:1次/月用时:0.5小时负责啤酒行业信息...

1、当您付费下载文档后,您只拥有了使用权限,并不意味着购买了版权,文档只能用于自身使用,不得用于其他商业用途(如 [转卖]进行直接盈利或[编辑后售卖]进行间接盈利)。
2、本站所有内容均由合作方或网友上传,本站不对文档的完整性、权威性及其观点立场正确性做任何保证或承诺!文档内容仅供研究参考,付费前请自行鉴别。
3、如文档内容存在违规,或者侵犯商业秘密、侵犯著作权等,请点击“违规举报”。

碎片内容

某啤酒企业生产技术副厂长岗位说明书

精品中小学资料+ 关注
实名认证
内容提供者

精品文档

确认删除?
VIP
微信客服
  • 扫码咨询
会员Q群
  • 会员专属群点击这里加入QQ群
客服邮箱
回到顶部