电脑桌面
添加小米粒文库到电脑桌面
安装后可以在桌面快捷访问

煤矿机电设备选型设计VIP免费

煤矿机电设备选型设计_第1页
1/88
煤矿机电设备选型设计_第2页
2/88
煤矿机电设备选型设计_第3页
3/88
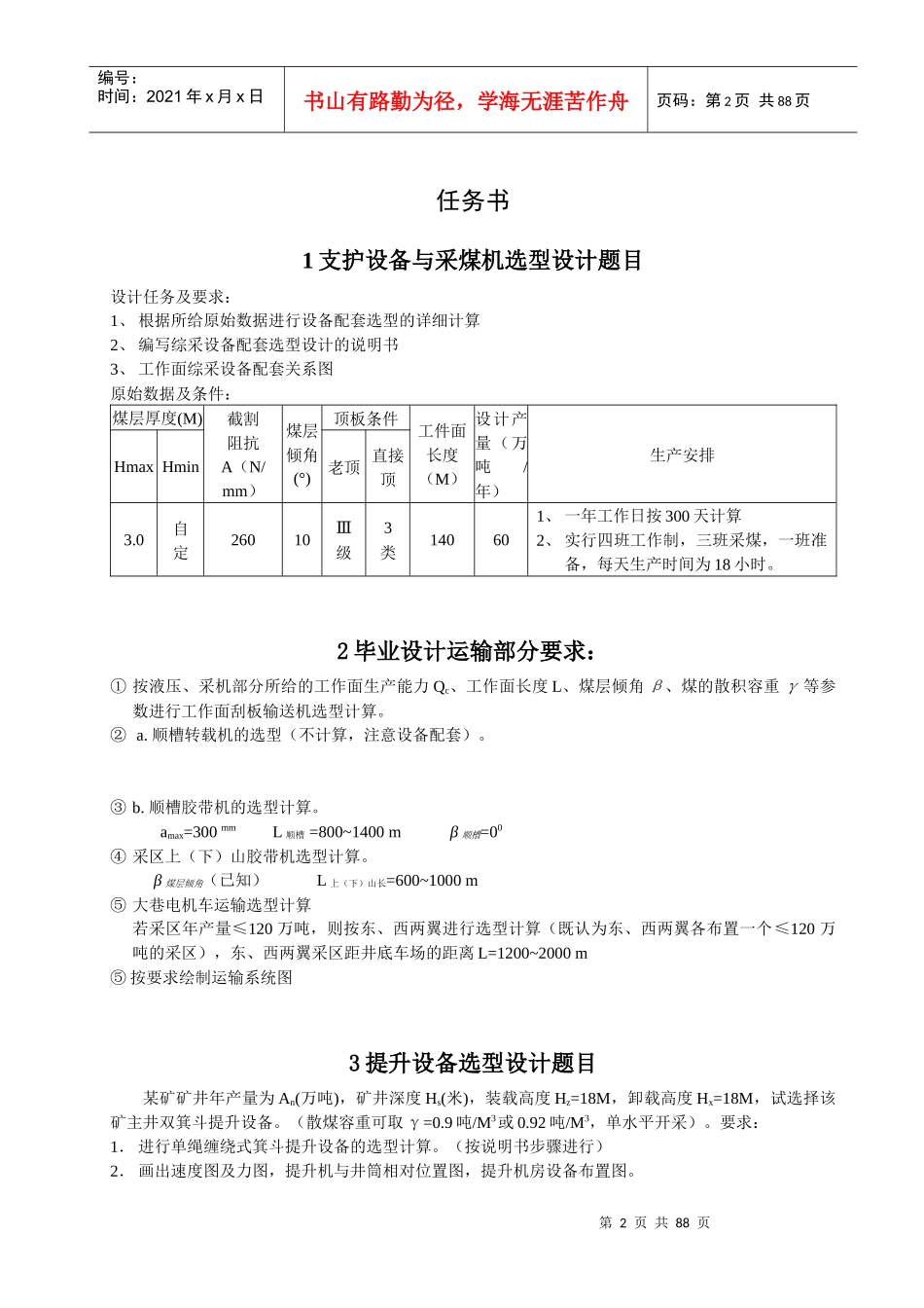
煤矿机电设备选型设计函授站:靖煤培训中心年级:2012级专业:机电一体化技术姓名:康明春西安科技大学第2页共88页编号:时间:2021年x月x日书山有路勤为径,学海无涯苦作舟页码:第2页共88页任务书1支护设备与采煤机选型设计题目设计任务及要求:1、根据所给原始数据进行设备配套选型的详细计算2、编写综采设备配套选型设计的说明书3、工作面综采设备配套关系图原始数据及条件:煤层厚度(M)截割阻抗A(N/mm)煤层倾角(°)顶板条件工件面长度(M)设计产量(万吨/年)生产安排HmaxHmin老顶直接顶3.0自定26010Ⅲ级3类140601、一年工作日按300天计算2、实行四班工作制,三班采煤,一班准备,每天生产时间为18小时。2毕业设计运输部分要求:①按液压、采机部分所给的工作面生产能力Qc、工作面长度L、煤层倾角β、煤的散积容重γ等参数进行工作面刮板输送机选型计算。②a.顺槽转载机的选型(不计算,注意设备配套)。③b.顺槽胶带机的选型计算。amax=300mmL顺槽=800~1400mβ顺槽=00④采区上(下)山胶带机选型计算。β煤层倾角(已知)L上(下)山长=600~1000m⑤大巷电机车运输选型计算若采区年产量≤120万吨,则按东、西两翼进行选型计算(既认为东、西两翼各布置一个≤120万吨的采区),东、西两翼采区距井底车场的距离L=1200~2000m⑤按要求绘制运输系统图3提升设备选型设计题目某矿矿井年产量为An(万吨),矿井深度Hs(米),装载高度Hz=18M,卸载高度Hx=18M,试选择该矿主井双箕斗提升设备。(散煤容重可取γ=0.9吨/M3或0.92吨/M3,单水平开采)。要求:1.进行单绳缠绕式箕斗提升设备的选型计算。(按说明书步骤进行)2.画出速度图及力图,提升机与井筒相对位置图,提升机房设备布置图。第3页共88页第2页共88页编号:时间:2021年x月x日书山有路勤为径,学海无涯苦作舟页码:第3页共88页具体设计数据:矿井年产量An(万吨)井深(M)备注602804煤矿压、通、排设备选型设计任务及参数一、排水设备选型设计已知条件:井深H(米),正常涌水量QZ(m3/h),最大涌水量QM(m3/h),每年正常涌水按320天计算,矿水中性,矿水密度ρ=1020kg/m3。各组参数如下:H=345;QZ=560;QM=1150要求:⒈按要求选用排水设备,给出排水系统简图(参P102)。⒉绘出正常与最大涌水时,排水系统的工况变化曲线。二、通风设备选型设计已知条件:矿井需要风源风量为:通风容易期QY’(m3/s),通风困难期QY”(m3/s),所需负压:通风容易期Pyst’(Pa),通风困难期Pyst”(Pa),各组参数如下:QY’=75;QY”=83;Pyst’=2010;Pyst”=4100要求:⒈离心式风机的类型特性选离心式风机(参见P146,附图16-8)。⒉利用2K-60型轴流式风机的类型特性选轴流式风机(参见P380,附图30)。三、矿井压力设备(学生自选参数)某矿空压机供气系统如图所示:各管段的长度分别为(米)。AB=200;BC=205;BD=300;LM=CL=DE=EG=150;FI=130;KN=30;EH=KC=200;DF=FG=170。分工作面采用的凿岩机为YT-30型(给了6组数据),风镐为G-7(给了6组数据),采用三班工作(1,2,3),各工作面工作台数为:工作面凿岩机(YT-30)风镐(G-7)工作班时M4213411243221、3K2124323214322、3G2324311324411、2H3431241423211、2I1213412314131、3第4页共88页第3页共88页编号:时间:2021年x月x日书山有路勤为径,学海无涯苦作舟页码:第4页共88页J3123242413432、3N2221343122341、2要求:选空压机型号及输气管网的直径。(注意:上表数据可形成6Х6=36组数据,在选择时每人选一组数据,切勿重复)A机站EMLGHCBDKNIJL图.掘进工作面网路图5供电设备选型设计题目根据采煤工作面设备选型,采区上、下山及顺槽运输设备选型情况做出一个采区供电方案设计。主要包括:1.确定变压器容量、型号、台数2.采区供电系统拟定:电缆型号、长度和截面的确定,高低压开关的选择,继电保护的整定计算。3.绘出采区供电系统接线图,造采区供电设备表第5页共88页第4页共88页编号:时间:2021年x月x日书山有路勤为径,学海无涯苦作舟页码:第5页共88页目录第一部分综采工作面配套设备选型设计.............................................................

1、当您付费下载文档后,您只拥有了使用权限,并不意味着购买了版权,文档只能用于自身使用,不得用于其他商业用途(如 [转卖]进行直接盈利或[编辑后售卖]进行间接盈利)。
2、本站所有内容均由合作方或网友上传,本站不对文档的完整性、权威性及其观点立场正确性做任何保证或承诺!文档内容仅供研究参考,付费前请自行鉴别。
3、如文档内容存在违规,或者侵犯商业秘密、侵犯著作权等,请点击“违规举报”。

碎片内容

煤矿机电设备选型设计

您可能关注的文档

确认删除?
VIP
微信客服
  • 扫码咨询
会员Q群
  • 会员专属群点击这里加入QQ群
客服邮箱
回到顶部