电脑桌面
添加小米粒文库到电脑桌面
安装后可以在桌面快捷访问

某市城市规划规定概论VIP专享VIP免费

某市城市规划规定概论_第1页
1/63
某市城市规划规定概论_第2页
2/63
某市城市规划规定概论_第3页
3/63
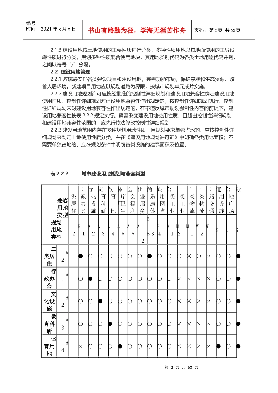
第1页共63页编号:时间:2021年x月x日书山有路勤为径,学海无涯苦作舟页码:第1页共63页、总则………………………………………………12、建设用地与开发强度……………………………23、城市绿地与广场用地……………………………124、公共服务配套设施………………………………195、建筑间距与建筑退让……………………………276、建筑单体设计控制要求…………………………347、城市景观环境控制………………………………408、用地竖向与地下空间利用………………………499、城市道路与交通设施……………………………5410、城市市政公用设施………………………………6611、城市户外广告设置………………………………8012、城市综合防灾……………………………………8513、附则………………………………………………91附录1计算规则…………………………………………92附录2名词解释…………………………………………98附录3用词说明…………………………………………101建筑主体内外阳台类型示意图…………………………1021总则1.1为贯彻落实《中华人民共和国城乡规划法》和《广东省城乡规划条例》,提高湛江市城市规划建设管理水平,实现城市规划编制和管理的标准化、规范化,科学、合理、有效地利用城市土地和空间,特制定《湛江市城市规划管理技术规定》(以下简称技术规定)。1.2本技术规定依据国家和广东省城乡规划相关法律、法规、规范和标准,参考国内先进城市的同类技术规定,结合湛江城市规划发展要求和建设实际情况制定。1.3本技术规定尚未涵盖到的有关城市规划管理内容,应按国家和广东省现行的相关规范和标准执行。1.4为提高湛江市城市生态环境建设水平,在控制性详细规划和修建性详细规划中应贯彻落实住建部颁布的《海绵城市建设技术指南——低影响开发雨水系统构建(试行)》的要求。1.5本技术规定作为湛江市城市规划编制和管理的技术依据,湛江市城市规划区内的各项建设活动及城市规划、设计和管理工作均应按本技术规定的相关要求执行。城市规划区内村民住宅(民房)的规划建设要求另行规定。1.6本技术规定在施行过程中如需增补或修订的,应按相关的法定程序进行。2建设用地与开发强度2.1建设用地分类2.1.1建设用地分类和代码按《城市用地分类与规划建设用地标准》(GB50137—2011)的规定执行。在规划图纸中同一地类的大、中、小类代码不能同时出现使用。2.1.2规划选址和规划条件确定用地性质应以用地分类中类或小类进行划分,并标注类别代码。第2页共63页第1页共63页编号:时间:2021年x月x日书山有路勤为径,学海无涯苦作舟页码:第2页共63页2.1.3建设用地按土地使用的主要性质进行分类,多种性质用地以其地面使用的主导设施性质进行分类。规划多种性质混合使用地块,其用地类别代码为各类土地用途代码并列,之间以符号“/”分隔。2.2建设用地管理2.2.1应统筹安排各类建设项目和建设用地,完善功能布局,保护景观和生态资源、改善人居环境。新建项目用地应以规划道路为界限,按城市规划单元成片实施。2.2.2建设用地规划许可应按经批准的控制性详细规划和建设用地兼容性确定建设用地使用性质。控制性详细规划对建设用地兼容性作出规定的,按控制性详细规划执行。控制性详细规划未对建设用地兼容性作出规定的,在不违反城市规划强制性内容的前提下,建设用地兼容性按表2.2.2规定执行。确需改变建设用地使用性质,且超出控制性详细规划和建设用地兼容性范围的,应先行依法修改控制性详细规划。2.2.3建设用地范围内存在多种规划用地性质,且规划要求单独占地的,应按控制性详细规划来划定土地使用性质分类,并在《建设用地规划许可证》中明确各类用地面积;不需要单独占地的,应在规划条件中明确各类设施的建筑面积及位置。表2.2.2城市建设用地规划与兼容类型兼容用地类型规划用地类型二类居住行政办公文化设施教育科研体育用地医疗卫生社会福利商业服务娱乐康体公用网点一类工业二类工业一类物流二类物流道路交通公用设施绿地广场R2A1A2A3A4A5A6B1B2B3B4M1M2W1W2SUG二类居住R2●○○○○○○●○○○×○×○○●行政办公A1○●○○○○○○○○××××○○●文...

1、当您付费下载文档后,您只拥有了使用权限,并不意味着购买了版权,文档只能用于自身使用,不得用于其他商业用途(如 [转卖]进行直接盈利或[编辑后售卖]进行间接盈利)。
2、本站所有内容均由合作方或网友上传,本站不对文档的完整性、权威性及其观点立场正确性做任何保证或承诺!文档内容仅供研究参考,付费前请自行鉴别。
3、如文档内容存在违规,或者侵犯商业秘密、侵犯著作权等,请点击“违规举报”。

碎片内容

某市城市规划规定概论

确认删除?
VIP
微信客服
  • 扫码咨询
会员Q群
  • 会员专属群点击这里加入QQ群
客服邮箱
回到顶部