电脑桌面
添加小米粒文库到电脑桌面
安装后可以在桌面快捷访问

某啤酒企业成品库副科长岗位说明书VIP免费

某啤酒企业成品库副科长岗位说明书_第1页
1/4
某啤酒企业成品库副科长岗位说明书_第2页
2/4
某啤酒企业成品库副科长岗位说明书_第3页
3/4
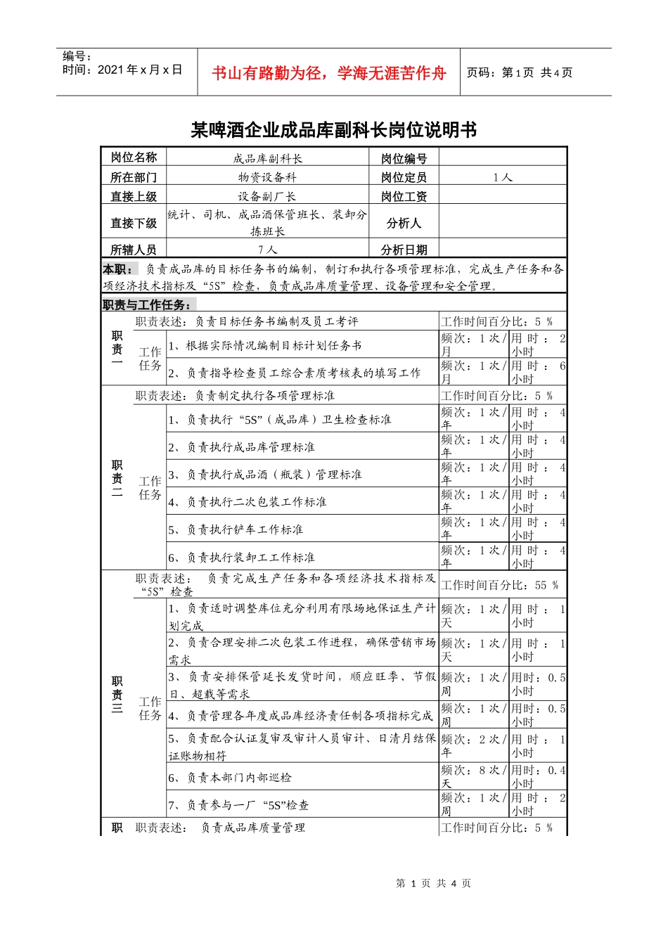
第1页共4页编号:时间:2021年x月x日书山有路勤为径,学海无涯苦作舟页码:第1页共4页某啤酒企业成品库副科长岗位说明书岗位名称成品库副科长岗位编号所在部门物资设备科岗位定员1人直接上级设备副厂长岗位工资直接下级统计、司机、成品酒保管班长、装卸分拣班长分析人所辖人员7人分析日期本职:负责成品库的目标任务书的编制,制订和执行各项管理标准,完成生产任务和各项经济技术指标及“5S”检查,负责成品库质量管理、设备管理和安全管理。职责与工作任务:职责一职责表述:负责目标任务书编制及员工考评工作时间百分比:5%工作任务1、根据实际情况编制目标计划任务书频次:1次/月用时:2小时2、负责指导检查员工综合素质考核表的填写工作频次:1次/月用时:6小时职责二职责表述:负责制定执行各项管理标准工作时间百分比:5%工作任务1、负责执行“5S”(成品库)卫生检查标准频次:1次/年用时:4小时2、负责执行成品库管理标准频次:1次/年用时:4小时3、负责执行成品酒(瓶装)管理标准频次:1次/年用时:4小时4、负责执行二次包装工作标准频次:1次/年用时:4小时5、负责执行铲车工作标准频次:1次/年用时:4小时6、负责执行装卸工工作标准频次:1次/年用时:4小时职责三职责表述:负责完成生产任务和各项经济技术指标及“5S”检查工作时间百分比:55%工作任务1、负责适时调整库位充分利用有限场地保证生产计划完成频次:1次/天用时:1小时2、负责合理安排二次包装工作进程,确保营销市场需求频次:1次/天用时:1小时3、负责安排保管延长发货时间,顺应旺季、节假日、超载等需求频次:1次/周用时:0.5小时4、负责管理各年度成品库经济责任制各项指标完成频次:1次/周用时:0.5小时5、负责配合认证复审及审计人员审计、日清月结保证账物相符频次:2次/年用时:1小时6、负责本部门内部巡检频次:8次/天用时:0.4小时7、负责参与一厂“5S”检查频次:1次/周用时:2小时职职责表述:负责成品库质量管理工作时间百分比:5%第2页共4页第1页共4页编号:时间:2021年x月x日书山有路勤为径,学海无涯苦作舟页码:第2页共4页责四工作任务1、负责执行搬运、贮存、包装、防护和交付成品酒的质量管理规定频次:1次/周用时:1小时2、负责执行质量方针频次:1次/周用时:1小时3、负责成品付货频次:1次/周用时:1小时职责五职责表述:负责成品库设备管理工作时间百分比:5%工作任务1、负责安排叉车交替使用,保证正常运行频次:1次/周用时:1小时2、负责安排钉箱机正常保养频次:1次/周用时:1小时职责六职责表述:负责成品库节支降耗工作时间百分比:5%工作任务1、负责制定本部门节支降耗计划频次:1次/年用时:3小时2、负责单车燃油考核频次:1次/天用时:10分钟3、负责叉车更换配件单车考核频次:1次/月用时:1小时4、负责提高二次包装班工作质量,节约装卸倒垛费用频次:1次/周用时:1小时5、利用二楼仓库,增加循环次数,节省叉车费用频次:1次/周用时:1小时6、负责安排本部门缝补棉被篷布、节约费用成本频次:1次/年用时:1小时职责七职责表述:负责安全管理,提高员工整体素质工作时间百分比:5%工作任务1、负责执行有关消防安全规定频次:1次/月用时:1小时2、负责指导保证“冬季四防”“夏季四防”文件落实频次:2次/年用时:2小时3、负责指导各班组班前学习频次:1次/周用时:0.5小时职责八职责表述:负责学习落实公司、一厂历次会议精神工作时间百分比:10%工作任务1、负责参加公司部分会议,一厂全部中层会议频次:10次/月用时:1小时2、负责召开班长会议及部分骨干会议频次:2次/月用时:1小时3、负责召开全体人员会议频次:1次/季用时:1小时4、负责带领成品库全体成员参加公司、一厂工会所组织的一切活动频次:15次/年用时:10小时职责九职责表述:完成上级交办的其他工作工作时间百分比:5%权力:有编写每月目标计划任务书;检查考核员工绩效权有执行并修订成品库各项工作管理标准权有成品库“5S”管理标准检查、监督执行权有完成生产任务,保证成品库经济责任制指标完成,各项报表、台账、记录询问、第3页共4页第2页共4页编号:时间:2021年x月x日书山有路勤为径,学海无...

1、当您付费下载文档后,您只拥有了使用权限,并不意味着购买了版权,文档只能用于自身使用,不得用于其他商业用途(如 [转卖]进行直接盈利或[编辑后售卖]进行间接盈利)。
2、本站所有内容均由合作方或网友上传,本站不对文档的完整性、权威性及其观点立场正确性做任何保证或承诺!文档内容仅供研究参考,付费前请自行鉴别。
3、如文档内容存在违规,或者侵犯商业秘密、侵犯著作权等,请点击“违规举报”。

碎片内容

某啤酒企业成品库副科长岗位说明书

确认删除?
VIP
微信客服
  • 扫码咨询
会员Q群
  • 会员专属群点击这里加入QQ群
客服邮箱
回到顶部