电脑桌面
添加小米粒文库到电脑桌面
安装后可以在桌面快捷访问

某年造价工程师考试部分知识点VIP免费

某年造价工程师考试部分知识点_第1页
1/15
某年造价工程师考试部分知识点_第2页
2/15
某年造价工程师考试部分知识点_第3页
3/15
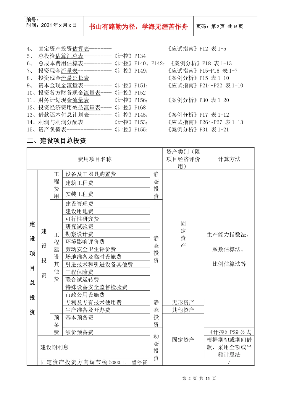
第1页共15页编号:时间:2021年x月x日书山有路勤为径,学海无涯苦作舟页码:第1页共15页2011造价工程师考试部分知识点巧记/速记/顺口溜汇总一、学习经验总结(一)提醒:1、2009版的规费删除了工程定额测定费。2、2009版的措施费中(环境保护费、文明施工费、安全施工费、临时设施费)合并为安全、文明施工费。混凝土、钢筋混凝土模板及支架费,脚手架费变成专业措施项目(混凝土、钢筋混凝土模板及支架费被列为建筑工程的专业措施项目;脚手架费被列为建筑工程、装饰装修工程和市政工程的专业措施项目)。增加了(冬雨季施工增加费)和(地上地下设施、建筑物的临时保护设施费)。施工排水、降水费拆分为(施工排水费,施工降水费)。3、另外:夜间施工增加费,二次搬运费,大型机械设备进出场及安拆费,已完工程及设备保护费没有变化。(二)学习经验,简单总结:1、确定目标,树立信心,(别人能过我为什么不能)2、努力学习,要下苦功,(为了目标要向“钱”冲)3、善于总结,灵巧记忆,(良好的方法记忆的保证)4、多听多看,多想多练。(没说的-------下功夫!)(三)关于学习思路:1、首先通读考试大纲,熟悉考试内容,尤其是案例大纲要求的其他三门的必会内容;2、对于财务评价、工程经济(现值、终值、年金等)、定额、206号文、08工程量清单、招投标程序、合同管理与索赔、单双代号网络图、十五张表、教材中所有公式、建筑/安装工程量计算规则等知识必须达到非常熟练应用的程度,不能有半点生疏;(要下苦功!)3、对于各科重点内容,请参考四本《应试指南》知识要点集成和网络课件中老师的讲座;4、对于需要记忆的内容,可以找别人总结的顺口溜(最好是自己看书总结)来帮助记忆;5、案例分析,必须把《教材--城市出版社2010.5第五版》和《应试指南--计划出版社2011.4第7版》这两本书中的题目都要搞懂,然后不看答案在草稿纸上再做一二遍。(提示:光看不练是不行的,必须通过限时闭卷做题练习,才能发现自己的不足,从而提高水平。)注:十五张表(6张估算表,6张流量表)1、建设投资估算表------------《计控》P128、P1302、建设期利息估算表----------《计控》P1313、流动资金估算表------------《计控》P133;《案例分析》P7表1-4第2页共15页第1页共15页编号:时间:2021年x月x日书山有路勤为径,学海无涯苦作舟页码:第2页共15页4、固定资产投资估算表--------《应试指南》P12表1-55、总投资估算汇总表----------《计控》P1346、总成本费用估算表----------《计控》P140、P142;《案例分析》P18表1-137、投资现金流量表------------《计控》P149;《应试指南》P15-P16表1-78、投资现金流量延长表--------《案例分析》P15表1-109、资本金现金流量表----------《计控》P151;《应试指南》P21~P22表1-1010、投资各方财务现金流量表----《计控》P15211、财务计划现金流量表--------《计控》P156;《案例分析》P30表1-2012、投资经济费用效益流量表----《计控》P16813、借款还本付息计划表--------《计控》P145;《案例分析》P17表1-1214、利润与利润分配表----------《计控》P153;《应试指南》P26~P27表1-1315、资产负债表----------------《计控》P155;《案例分析》P31表1-21二、建设项目总投资费用项目名称资产类别(限项目经济评价用)计算方法建设项目总投资建设投资工程费用设备及工器具购置费静态投资固定资产生产能力指数法、系数估算法、比例估算法等建筑工程费安装工程费工程建设其他费建设管理费静态投资建设用地费可行性研究费研究试验费勘察设计费环境影响评价费劳动安全卫生评价费场地准备及临时设施费引进技术和引进设备其他费工程保险费联合试运转费特殊设备安全监督检验费市政公用设施费专利及专有技术使用费静态投资无形资产生产准备及开办费其他资产预备费基本预备费固定资产涨价预备费动态投资《计控》P29公式建设期利息根据期初或期间借款,采用全额或半额计息法固定资产投资方向调节税(2000.1.1暂停征/第3页共15页第2页共15页编号:时间:2021年x月x日书山有路勤为径,学海无涯苦作舟页码:第3页共15页收)流动资金流动资产扩大指标估算法、详...

1、当您付费下载文档后,您只拥有了使用权限,并不意味着购买了版权,文档只能用于自身使用,不得用于其他商业用途(如 [转卖]进行直接盈利或[编辑后售卖]进行间接盈利)。
2、本站所有内容均由合作方或网友上传,本站不对文档的完整性、权威性及其观点立场正确性做任何保证或承诺!文档内容仅供研究参考,付费前请自行鉴别。
3、如文档内容存在违规,或者侵犯商业秘密、侵犯著作权等,请点击“违规举报”。

碎片内容

某年造价工程师考试部分知识点

精品中小学资料+ 关注
实名认证
内容提供者

精品文档

相关文档

确认删除?
VIP
微信客服
  • 扫码咨询
会员Q群
  • 会员专属群点击这里加入QQ群
客服邮箱
回到顶部