电脑桌面
添加小米粒文库到电脑桌面
安装后可以在桌面快捷访问

毕业设计任务书机械手顺序控制系统的设计VIP免费

毕业设计任务书机械手顺序控制系统的设计_第1页
1/3
毕业设计任务书机械手顺序控制系统的设计_第2页
2/3
毕业设计任务书机械手顺序控制系统的设计_第3页
3/3
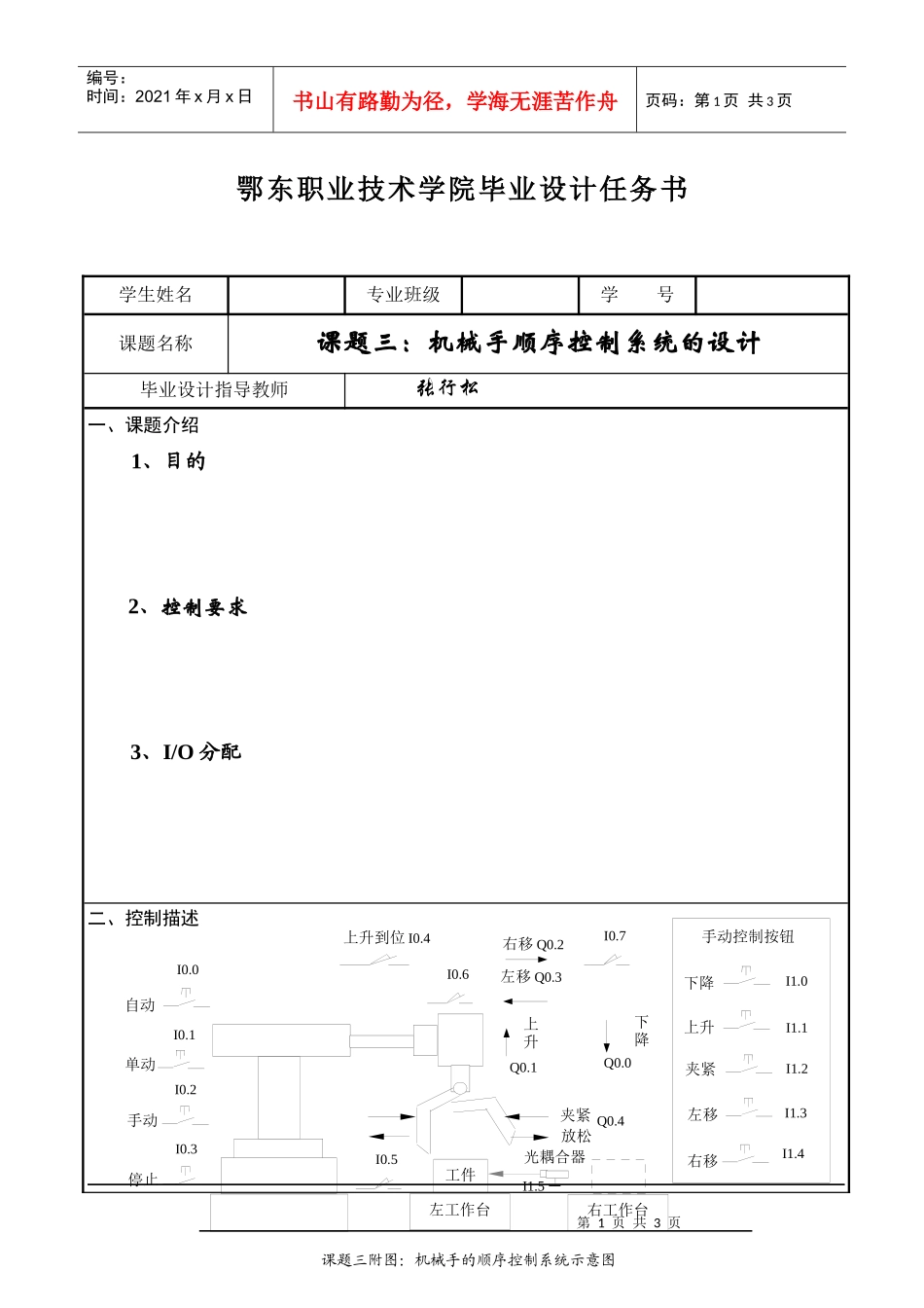
第1页共3页左工作台工件右工作台光耦合器左移Q0.3右移Q0.2夹紧放松上升下降下降上升夹紧左移右移手动控制按钮I1.0I1.1I1.2I1.3I1.4自动单动手动停止I0.0I0.1I0.2I0.3上升到位I0.4I0.5I0.6I0.7I1.5Q0.4Q0.0Q0.1课题三附图:机械手的顺序控制系统示意图编号:时间:2021年x月x日书山有路勤为径,学海无涯苦作舟页码:第1页共3页鄂东职业技术学院毕业设计任务书学生姓名专业班级学号课题名称课题三:机械手顺序控制系统的设计毕业设计指导教师张行松一、课题介绍1、目的2、控制要求3、I/O分配二、控制描述第2页共3页第1页共3页编号:时间:2021年x月x日书山有路勤为径,学海无涯苦作舟页码:第2页共3页三、编写设计说明书的具体要求1、设计说明书应包括设计课题、目录、摘要、正文,设备材料明细表,参考文献,设计图纸。2、用电脑绘制“I/O分配接线图”,“工作状态流程图”,“内存分配表”,“PLC控制程序”(梯形图程序、指令表程序),並打印设计图纸。3、设计说明书要求方案可行,方法正确,图纸规范,条理清楚,语言通顺,字数在3000-4000字。四、主要仪器设备PLC实验台和演示板。五、主要资料及参考文献任务下达时间2007年09月20日毕业设计开始与完成时间2007年10月08日至2007年12月10日预计毕业答辩时间2007年12月15日第3页共3页第2页共3页编号:时间:2021年x月x日书山有路勤为径,学海无涯苦作舟页码:第3页共3页毕业设计进度安排周次工作内容执行情况第6周熟悉毕业设计任务书,收集资料,选定课题第7周确定初步方案第8周进行课题调研第9周绘制“I/O分配接线图”、“工作状态流程图”第10周“内存分配表”,PLC主程序第11周全部PLC程序设计第12周绘制主要设备材料表第13周绘制图样第14周编写设计说明书第15周毕业答辩专业教研室负责人意见签名:年月日系审核意见(系公章)年月日任务下达人签字年月日任务接受人签字年月日备注:1、此表由各专业教研室统一规格后打印。2、本任务书一式三份,由指导教师填写相关栏目,经系审核同意后,系、指导教师和学生各执一份。3、本任务书须与学生的毕业设计一并按要求装订存档。鄂东职业技术学院教务处

1、当您付费下载文档后,您只拥有了使用权限,并不意味着购买了版权,文档只能用于自身使用,不得用于其他商业用途(如 [转卖]进行直接盈利或[编辑后售卖]进行间接盈利)。
2、本站所有内容均由合作方或网友上传,本站不对文档的完整性、权威性及其观点立场正确性做任何保证或承诺!文档内容仅供研究参考,付费前请自行鉴别。
3、如文档内容存在违规,或者侵犯商业秘密、侵犯著作权等,请点击“违规举报”。

碎片内容

毕业设计任务书机械手顺序控制系统的设计

您可能关注的文档

确认删除?
VIP
微信客服
  • 扫码咨询
会员Q群
  • 会员专属群点击这里加入QQ群
客服邮箱
回到顶部