电脑桌面
添加小米粒文库到电脑桌面
安装后可以在桌面快捷访问

某开发区供电局新建办公楼、食堂施工组织设计(DOC50页)VIP免费

某开发区供电局新建办公楼、食堂施工组织设计(DOC50页)_第1页
1/27
某开发区供电局新建办公楼、食堂施工组织设计(DOC50页)_第2页
2/27
某开发区供电局新建办公楼、食堂施工组织设计(DOC50页)_第3页
3/27
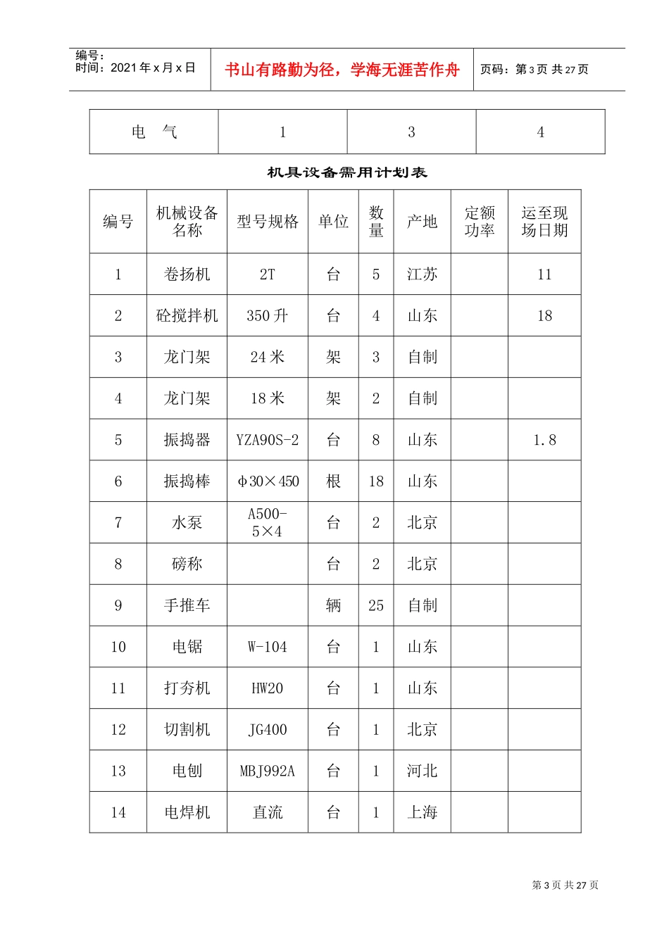
第1页共27页编号:时间:2021年x月x日书山有路勤为径,学海无涯苦作舟页码:第1页共27页XXXXXX新建综合楼、食堂施工组织设计一、编依依据1、本工程设计图纸、设计说明2、本工程的施工合同3、国家和省市有关工程施工的规范、规定4、本公司有关工程质量管理、安全管理文明施工的文件和制度二、工程概况1、工程名称:XXXXXX综合楼2、工程地址:开发区南海路南,渤海大街西3、建筑单位:4、设计单位:锦州市建筑设计研究院5、监理单位:6、结构型式:框架结构7、层数:主体五层,局部六层8、建筑面积:4504.68m29、屋面防水保温:SPS改性沥青防水,聚苯板保温10、楼地面:待二次装修11、内墙:刮大白二遍12、顶棚:刮大白二遍13、外墙面:外墙涂料及装饰物14、门窗:塑钢窗、白钢门、木门15、设备安装:上下水管本工程质量目标为样板工程,现场施工达到市安全文明施工标准。三、施工部署1、按“先地下后地上,先结构后装修”的施工原则组织施工。依据“高效、低耗、均衡”的原则进行人员和施工段落的划分。利用施工进度计划,对工程各步骤施工进行管理,抓住关键工作,确定关键路线,合理配备劳动力及建筑用材料设备,确保总进度按计划顺利完成。2、以流水的施工方法,加快材料的周转和各施工班组的紧密衔接。四、施工准备1、管理准备工作组织调集各类管理人员,使用的机械设备和材料陆续进入现场,邀请建设单位及地方各个有关部门,接洽施工事宜,了解工程所在地的环境和特殊规定,保证施工顺利进行。第2页共27页编号:时间:2021年x月x日书山有路勤为径,学海无涯苦作舟页码:第2页共27页组织施工力量,作好施工队伍的工种编制及其分工,做好进场操作人员的安全三级教育和操作技术培训,审核劳动岗位技能情况。落实组织机构和人员编制,制定管理制度,组织有关人员熟悉合同内容,按合同条款实施。2、技术准备工作及时组织有关人员认真审查施工图纸领会设计意图,组织图纸会审。编制出本工程施工组织设计和单项工程的详细施工方案,进行工序设计和交底。根据甲方要求编制预算和进度计划。将场外坐标引入现场内制作半永性控制桩。3、材料、机械准备工作编制材料使用计划、落实进货渠道,并作出进场计划,根据施工进度计划,提出施工机械的使用计划,组织调拨、购置、运输和安装。劳动力计划表按工程施工阶段投入劳动情况分部分项工程基础主体装饰瓦工4102木工10144力工253030砼工24钢筋工881抹灰工1215架子工344吊装22油漆6水暖134第3页共27页编号:时间:2021年x月x日书山有路勤为径,学海无涯苦作舟页码:第3页共27页电气134机具设备需用计划表编号机械设备名称型号规格单位数量产地定额功率运至现场日期1卷扬机2T台5江苏112砼搅拌机350升台4山东183龙门架24米架3自制4龙门架18米架2自制5振捣器YZA90S-2台8山东1.86振捣棒φ30×450根18山东7水泵A500-5×4台2北京8磅称台2北京9手推车辆25自制10电锯W-104台1山东11打夯机HW20台1山东12切割机JG400台1北京13电刨MBJ992A台1河北14电焊机直流台1上海第4页共27页编号:时间:2021年x月x日书山有路勤为径,学海无涯苦作舟页码:第4页共27页15电焊机交流台216煨弯机台14、现场准备首先在施工现场进行场地平整,依据施工组织设计修整道路。工程用水和施工现场生活用水经计算日最大用量为:总用量4L/S,消防用量Q=10L/S。选用φ100mm焊接钢管按平面布置图埋地铺设,在楼层结构中间部分设置消防水管,每层设置消防接口兼做砼养护用水接口。现场设置配电室设立回路分配箱分别引至现场各机械闸箱。做到一机一闸一漏。根据现场平面布置图,完成现场临时设施的安排,作好现场停水停电的布置和安排,并了解现场内地上,地下的管线分布情况,作好记录。在施工中作出相应的保护措施。在施工前完成临时设施的建设,如:砼、砂浆搅拌站;办公室、材料库房、门卫房、钢筋堆放棚、水泥库、木制作棚、临时宿舍、厕所等。另外还应准备钢卷尺、水准仪、氧气表、乙炔表、水准尺、垂直检测尺、塔尺、试模、坍落度测试筒、环刀、温度计、经纬仪等工具。五、测量放线1、平面控制根据规划总平面图标准坐标点进行引测,至基槽外边1.5m处设置埋地控制轴线桩,并在周围...

1、当您付费下载文档后,您只拥有了使用权限,并不意味着购买了版权,文档只能用于自身使用,不得用于其他商业用途(如 [转卖]进行直接盈利或[编辑后售卖]进行间接盈利)。
2、本站所有内容均由合作方或网友上传,本站不对文档的完整性、权威性及其观点立场正确性做任何保证或承诺!文档内容仅供研究参考,付费前请自行鉴别。
3、如文档内容存在违规,或者侵犯商业秘密、侵犯著作权等,请点击“违规举报”。

碎片内容

某开发区供电局新建办公楼、食堂施工组织设计(DOC50页)

确认删除?
VIP
微信客服
  • 扫码咨询
会员Q群
  • 会员专属群点击这里加入QQ群
客服邮箱
回到顶部