电脑桌面
添加小米粒文库到电脑桌面
安装后可以在桌面快捷访问

煤炭行业-机动部-职能说明书VIP免费

煤炭行业-机动部-职能说明书_第1页
1/3
煤炭行业-机动部-职能说明书_第2页
2/3
煤炭行业-机动部-职能说明书_第3页
3/3
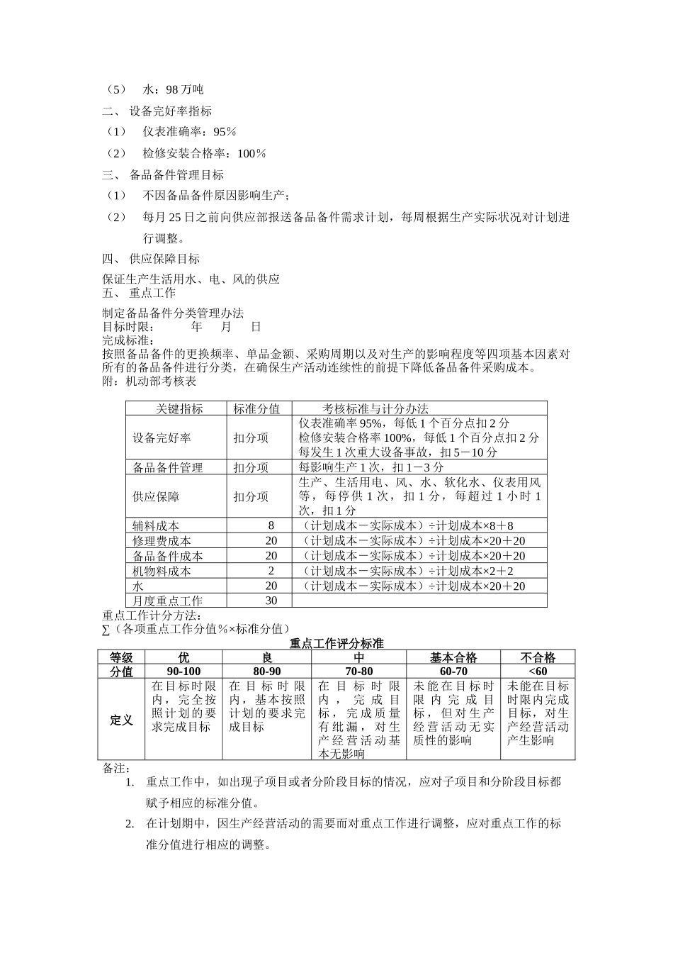
机动部门职责(一)设备管理1.负责编制设备维修管理制度,并贯彻实施。2.负责对各车间的设备管理情况进行指导和检查。3.负责存档、保管设备使用说明书。4.负责设备档案的更新和保管。5.负责建立和保存设备台帐。6.负责淘汰设备的拆除和处置。(二)设备购置和提升1.负责制定和实施设备提升计划。2.负责跟踪设备、技术发展动态,提出设备改造和升级方案并组织实施。3.负责制定设备采购计划,并协助供应部实施采购。(三)设备维护和正常运转保障1.负责设备安装和调试的组织。2.负责定期检查设备状况,发现并排除故障隐患。3.负责依据设备维修管理制度制定设备大修和中修计划,并组织实施。4.负责定期检查车间设备使用和维护保养情况,指导车间安全、正确使用和维护保养设备。5.负责及时组织排除设备故障。6.负责提出备品备件的采购要求和申请计划。(四)生产动力供应1.负责公司生产用风的供应。2.负责公司生产用水的供应。3.负责保障公司的生产与办公用电供应。4.负责公司的生产用蒸汽供应。年度目标一、动力成本目标其中:(1)辅料:3万(2)修理费;120万(3)备件:120万(4)机物料:5040元(5)水:98万吨二、设备完好率指标(1)仪表准确率:95%(2)检修安装合格率:100%三、备品备件管理目标(1)不因备品备件原因影响生产;(2)每月25日之前向供应部报送备品备件需求计划,每周根据生产实际状况对计划进行调整。四、供应保障目标保证生产生活用水、电、风的供应五、重点工作制定备品备件分类管理办法目标时限:年月日完成标准:按照备品备件的更换频率、单品金额、采购周期以及对生产的影响程度等四项基本因素对所有的备品备件进行分类,在确保生产活动连续性的前提下降低备品备件采购成本。附:机动部考核表关键指标标准分值考核标准与计分办法设备完好率扣分项仪表准确率95%,每低1个百分点扣2分检修安装合格率100%,每低1个百分点扣2分每发生1次重大设备事故,扣5-10分备品备件管理扣分项每影响生产1次,扣1-3分供应保障扣分项生产、生活用电、风、水、软化水、仪表用风等,每停供1次,扣1分,每超过1小时1次,扣1分辅料成本8(计划成本-实际成本)÷计划成本×8+8修理费成本20(计划成本-实际成本)÷计划成本×20+20备品备件成本20(计划成本-实际成本)÷计划成本×20+20机物料成本2(计划成本-实际成本)÷计划成本×2+2水20(计划成本-实际成本)÷计划成本×20+20月度重点工作30重点工作计分方法:∑(各项重点工作分值%×标准分值)重点工作评分标准等级优良中基本合格不合格分值90-10080-9070-8060-70<60定义在目标时限内,完全按照计划的要求完成目标在目标时限内,基本按照计划的要求完成目标在目标时限内,完成目标,完成质量有纰漏,对生产经营活动基本无影响未能在目标时限内完成目标,但对生产经营活动无实质性的影响未能在目标时限内完成目标,对生产经营活动产生影响备注:1.重点工作中,如出现子项目或者分阶段目标的情况,应对子项目和分阶段目标都赋予相应的标准分值。2.在计划期中,因生产经营活动的需要而对重点工作进行调整,应对重点工作的标准分值进行相应的调整。

1、当您付费下载文档后,您只拥有了使用权限,并不意味着购买了版权,文档只能用于自身使用,不得用于其他商业用途(如 [转卖]进行直接盈利或[编辑后售卖]进行间接盈利)。
2、本站所有内容均由合作方或网友上传,本站不对文档的完整性、权威性及其观点立场正确性做任何保证或承诺!文档内容仅供研究参考,付费前请自行鉴别。
3、如文档内容存在违规,或者侵犯商业秘密、侵犯著作权等,请点击“违规举报”。

碎片内容

煤炭行业-机动部-职能说明书

您可能关注的文档

确认删除?
VIP
微信客服
  • 扫码咨询
会员Q群
  • 会员专属群点击这里加入QQ群
客服邮箱
回到顶部