电脑桌面
添加小米粒文库到电脑桌面
安装后可以在桌面快捷访问

某框架结构工程施工组织设计技术标完整版VIP免费

某框架结构工程施工组织设计技术标完整版_第1页
1/132
某框架结构工程施工组织设计技术标完整版_第2页
2/132
某框架结构工程施工组织设计技术标完整版_第3页
3/132
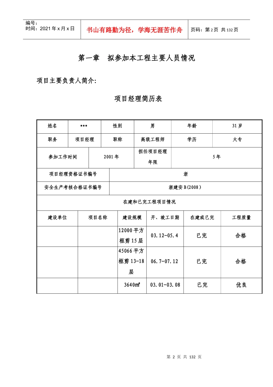
第1页共132页编号:时间:2021年x月x日书山有路勤为径,学海无涯苦作舟页码:第1页共132页(此文档为word格式,下载后您可任意编辑修改!)第一部分技术资格文件第2页共132页第1页共132页编号:时间:2021年x月x日书山有路勤为径,学海无涯苦作舟页码:第2页共132页第一章拟参加本工程主要人员情况项目主要负责人简介:项目经理简历表姓名***性别男年龄31岁职务项目经理职称高级工程师学历大专参加工作时间2001年担任项目经理年限5年项目经理资格证书编号浙安全生产考核合格证书编号浙建安B(2008)在建和已完工程项目情况建设单位项目名称建设规模开、竣工日期在建或已完工程质量12000平方框剪15层03.12-05.4已完合格45066平方框剪13-18层06.7-07.12已完合格3640㎡03.01-03.08已完优良第3页共132页第2页共132页编号:时间:2021年x月x日书山有路勤为径,学海无涯苦作舟页码:第3页共132页项目技术负责人简历表姓名***性别男年龄34岁职务技术负责人职称工程师学历专科参加工作1990年安全生产考核合格证书号037021在建或完工程项目情况建设单位项目名称建设规模开、竣工日期在建或已完工程质量7600㎡03.4-03.10已完钱湖杯标化12000平方框剪15层03.12-05.4已完合格第二章投标人主要工器具、机械设备情况序号机械类型规格数量产地年份功率使用时间备注1塔吊QTZ601山东200950结构工程2井字架SDD8007宁波20097.5主体开始3卷扬机JJK-18宁波20087.5基础开始4挖土机PZC2002德国2007机动土方工程5劳动车0.1T50扬州2009人力施工全过程6对焊机UNI-1002上海2008100KVA钢筋加工7弯曲机G26-402上海20083钢筋加工8钢筋切断机GT5-4002上海20093.5钢筋加工9拉筋机Z-1.51上海20077.5钢筋加工10电渣压力焊机BX-10004山东200920钢筋加工11砂轮切割机J36-402杭州20092.2钢筋加工12手提电焊机BX-1002杭州200815KVA钢筋加工第4页共132页第3页共132页编号:时间:2021年x月x日书山有路勤为径,学海无涯苦作舟页码:第4页共132页13交流电焊机BX3-5402杭州200830KVA钢筋加工14移动泵三菱1日本2008机动混凝土浇捣15砼搅拌机J3507湖州20097.5混凝土浇捣16砂浆机HJI-200B7湖州20093混凝土浇捣17扦入式振动机ZH-5015杭州20091.1混凝土浇捣18平板振动机ZW-J6湖州20091.5混凝土浇捣19木工平刨MB-F5132湖州20082.5模板加工20木工圆盘锯MJ-1052湖州20083.5模板加工21水泵QX110-502上海20093.5基础排水22潜水泵PYX1006杭州20091.2基础排水23高压泵1施工用水24照明大灯3上海20093.5KW台照明25发电机组250KVA1上海2008机动施工全过程26第5页共132页第4页共132页编号:时间:2021年x月x日书山有路勤为径,学海无涯苦作舟页码:第5页共132页第二部分项目管理实施规划第一章工程概况与工程实施条件分析1.1工程概况第一节工程概况项目名称:***特高压直流生产管理基地建设项目建设地点:招标单位:第6页共132页第5页共132页编号:时间:2021年x月x日书山有路勤为径,学海无涯苦作舟页码:第6页共132页设计单位:结构类型:框架结构,结构层数多五层、六层质量要求标准:总体优良并达到国家电网公司优质工程、争创国家级优质工程。安全要求标准:创建全国电网工程建设安全文明施工一流水平投标工期:2009年9月10日开工,2010年5月30日竣工验收合格。第二节工程设计概况本工程三通一平已完成,进场道路已修通,水、电由业主提供接入点,施工区周围交通畅通,基本具备施工条件。工程技术经济指标:总用地面积47054平方米,总建筑面积18897.6平方米,其中地上建筑总面积18292.6平方米,地下总建筑面积605平方米,建筑密度12.6%,容积率0.48,绿地率64%,机动车停车位73辆,非机动车停车位125辆。施工图建筑、结构、给排水、电气等工程设计概况详见相应设计图纸1.2工程特点对工程特点的细致剖析和全面认识是了解工程全貌,管理好工程的前提。只有具有最全面的认识,才有最切实的措施。对工程特点的剖析,也同时体现了施工单位对工程建设的经验和对工程整体的把握程度。第二章施工现场组织机构2.1组织机构关系图第7页共132页第6页共132页编号:时间:2021年x月x日书山有路勤为径,学海无涯苦作舟页码:第7页共132页2、工程管理体系图3、工程质...

1、当您付费下载文档后,您只拥有了使用权限,并不意味着购买了版权,文档只能用于自身使用,不得用于其他商业用途(如 [转卖]进行直接盈利或[编辑后售卖]进行间接盈利)。
2、本站所有内容均由合作方或网友上传,本站不对文档的完整性、权威性及其观点立场正确性做任何保证或承诺!文档内容仅供研究参考,付费前请自行鉴别。
3、如文档内容存在违规,或者侵犯商业秘密、侵犯著作权等,请点击“违规举报”。

碎片内容

某框架结构工程施工组织设计技术标完整版

您可能关注的文档

确认删除?
VIP
微信客服
  • 扫码咨询
会员Q群
  • 会员专属群点击这里加入QQ群
客服邮箱
回到顶部