电脑桌面
添加小米粒文库到电脑桌面
安装后可以在桌面快捷访问

某省某市排水工程毕业设计说明书VIP免费

某省某市排水工程毕业设计说明书_第1页
1/97
某省某市排水工程毕业设计说明书_第2页
2/97
某省某市排水工程毕业设计说明书_第3页
3/97
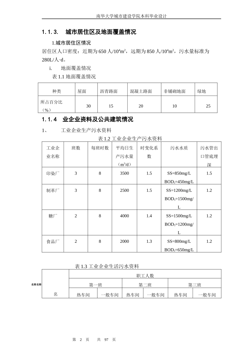
南华大学城市建设学院本科毕业设计第一部分**省南部某市排水工程设计说明书第1章概述1.1设计基础资料1.1.1.地形及城市概况该市位于**南部的一座新兴城市,水陆交通方便,A河自西向东穿过该市南郊。城市地形由西北向东南方向倾斜,海拔最高50.50M。该城有2个工业区,工业区Ⅰ主要有棉纺印染厂和制革厂,工业区Ⅱ主要有糖厂和食品厂。今后工业发展主要在城市西南方向。现有该市市区地形图一张,比例为1:5000,见附录41.1.2.自然条件1.地质情况地面表土约0.6M厚,表土下层为粘土与砂质粘土,约厚6M左右,粘土层以下为含粘土的沙砾石层。地震等级4~5级,且地震较早发生。2.气象资料最高气温40.8℃,最低气温—6.2℃,历年平均气温18.2℃,夏季平均气压为992.8毫巴。全年主导风为东北风,夏季以西南风为主,最大风力7级,平均风力3级,最大风速15.2m/s,平均风速2.3m/s,年最高降雨量1337mm,最低降雨量435mm,年平均降雨量725.5mm。暴雨强度公式:q=(L/S*104m2)3.水文资料A河宽约30~40M,河床标高为24M左右,河岸线标高为32.5M左右。A河最大流量为7000m3/s,最小流量为40m3/s,平均流量为80m3/s,最高水位30.00M,最低水位26.00M,平均水位28.00M,最大流速2.9m/s,最小流速0.5m/s。河水最高水温为28℃,最低水温为7℃,平均水温为14℃,河水中BOD5WEI5mg/L,SS为40mg/L,DO为5.0mg/L,河床水体的耗氧常数为0.1日-1,复氧常数为0.2日-1。地下水距地表6M,地下水温10~16℃,地下水未受污染。第1页共97页南华大学城市建设学院本科毕业设计1.1.3.城市居住区及地面覆盖情况1.城市居住区情况居住区人口密度:近期为650人/104m2,远期为850人/104m2,污水量标准为280L/人·d。i.地面覆盖情况表1.1地面覆盖情况1.1.4业企业资料及公共建筑情况1、工业企业生产污水资料表1.2工业企业生产污水资料工业企业名称班数每班时数平均日生产污水量(m3/d)时变化系数污水水质污水管出口管底埋深印染厂3835001.5SS=850mg/LBOD5=450mg/L1.5制革厂3825001.5SS=1200mg/LBOD5=1500mg/L1.2糖厂2840001.4SS=1500mg/LBOD5=1200mg/L1.2食品厂2820001.3SS=800mg/LBOD5=650mg/L1.2表1.3工业企业生活污水资料名称名称名职工人数第一班第二班第三班热车间一般车间热车间一般车间热车间一般车间第2页共97页种类屋面沥青路面混凝土路面非铺砌地面绿地所占百分比(%)3015201025南华大学城市建设学院本科毕业设计称职工人数淋浴人数职工人数淋浴人数职工人数淋浴人数职工人数淋浴人数职工人数淋浴人数职工人数淋浴人数印染厂9080150751009025075806015075制革厂100801406012090160701108015065糖厂2501904009026020045010025019040090食品厂80351604012060250801.1.5其他情况1.本市居民生活及工业生产用水均为城市自来水厂供应,水厂日平均供水量为40万m3,最高供水量为50万m3。2.本市排水工程很不健全,现有的排水管渠损坏严重,且过水断面太小,需要重建城市排水管渠。3.本市电力供应充足。4.各种建筑材料和管道制品,本市及附近地区均可供应。施工力量较强,劳力充足,并有机具齐备的建筑安装公司。1.2设计内容、原则及主要依据1.2.1设计内容随着城市人口的增加和工业发展,污水未经任何处理排入河流,近年来对水体和环境的污染日趋严重。为了保护环境和水体,以利渔业、航运和游览事业的发展,要求对该市污水进行处理,以达到国家规定的排放标准。并鉴于原有排水管渠断面太小,损失严重,要求重新建造城市排水管道。设计内容主要包括以下几部分:1、排水工程系统方案的比较(1)排水系统体制的比较和选择;(2)污水厂位置的比较和选择;(3)确定排水管渠的走向及位置、布置污水管、雨水管;(4)排水系统投资及运行费用估算;(5)排水系统方案综合比较。第3页共97页南华大学城市建设学院本科毕业设计2、排水工程系统设计计算(1)排水管渠系统的设计计算;(2)污水处理构筑物的设计计算;(3)污泥处理构筑物的设计计算;(4)污水处理厂高程计算1.2.2基本原则(—)系统布置原则城市排水管渠系统是城市的一项重要基础设施,是城市建设的重要组成部分,同时也是控制水污染、改善和保护水环境的重要工程措施。在...

1、当您付费下载文档后,您只拥有了使用权限,并不意味着购买了版权,文档只能用于自身使用,不得用于其他商业用途(如 [转卖]进行直接盈利或[编辑后售卖]进行间接盈利)。
2、本站所有内容均由合作方或网友上传,本站不对文档的完整性、权威性及其观点立场正确性做任何保证或承诺!文档内容仅供研究参考,付费前请自行鉴别。
3、如文档内容存在违规,或者侵犯商业秘密、侵犯著作权等,请点击“违规举报”。

碎片内容

某省某市排水工程毕业设计说明书

精品中小学资料+ 关注
实名认证
内容提供者

精品文档

确认删除?
VIP
微信客服
  • 扫码咨询
会员Q群
  • 会员专属群点击这里加入QQ群
客服邮箱
回到顶部