电脑桌面
添加小米粒文库到电脑桌面
安装后可以在桌面快捷访问

日化企业生产厂厂长岗位说明书VIP免费

日化企业生产厂厂长岗位说明书_第1页
1/3
日化企业生产厂厂长岗位说明书_第2页
2/3
日化企业生产厂厂长岗位说明书_第3页
3/3
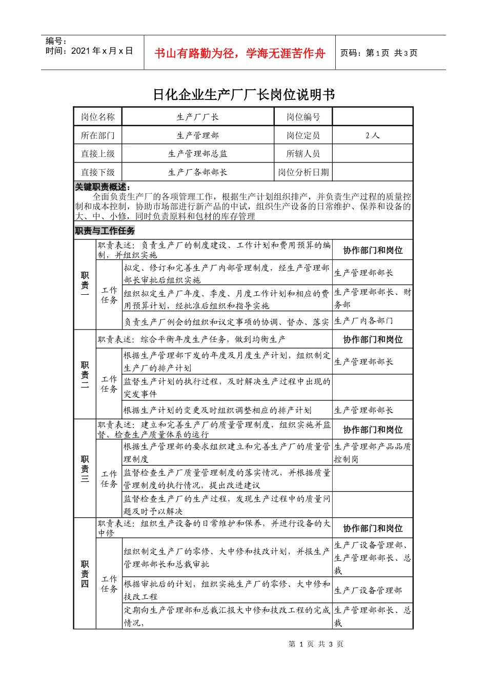
第1页共3页编号:时间:2021年x月x日书山有路勤为径,学海无涯苦作舟页码:第1页共3页日化企业生产厂厂长岗位说明书岗位名称生产厂厂长岗位编号所在部门生产管理部岗位定员2人直接上级生产管理部总监所辖人员直接下级生产厂各部部长岗位分析日期关键职责概述:全面负责生产厂的各项管理工作,根据生产计划组织排产,并负责生产过程的质量控制和成本控制,协助市场部进行新产品的中试,组织生产设备的日常维护、保养和设备的大、中、小修,同时负责原料和包材的库存管理职责与工作任务职责一职责表述:负责生产厂的制度建设、工作计划和费用预算的编制,并组织实施协作部门和岗位工作任务拟定、修订和完善生产厂内部管理制度,经生产管理部部长审批后组织实施生产管理部部长组织拟定生产厂年度、季度、月度工作计划和相应的费用预算计划,经批准后组织和指导实施生产管理部部长、财务部负责生产厂例会的组织和议定事项的协调、督办、落实生产厂内各部门职责二职责表述:综合平衡年度生产任务,做到均衡生产协作部门和岗位工作任务根据生产管理部下发的年度及月度生产计划,组织制定生产厂的排产计划生产管理部部长监督生产计划的执行过程,及时解决生产过程中出现的突发事件根据生产计划的变更及时组织调整相应的排产计划生产管理部部长职责三职责表述:建立和完善生产厂的质量管理制度,组织实施并监督、检查生产质量体系的运行协作部门和岗位工作任务根据生产管理部的要求组织建立和完善生产厂的质量管理制度生产管理部产品品质控制岗监督检查生产厂质量管理制度的落实情况,并根据质量管理制度的执行情况,提出改进建议监督检查生产厂的生产过程,发现生产过程中的质量问题及时予以解决职责四职责表述:组织生产设备的日常维护和保养,并进行设备的大中修协作部门和岗位工作任务组织制定生产厂的零修、大中修和技改计划,并报生产管理部部长和总裁审批生产厂设备管理部、生产管理部部长、总裁根据审批后的计划,组织实施生产厂的零修、大中修和技改工程生产厂设备管理部定期向生产管理部和总裁汇报大中修和技改工程的完成情况,生产管理部部长、总裁第2页共3页第1页共3页编号:时间:2021年x月x日书山有路勤为径,学海无涯苦作舟页码:第2页共3页撰写大中修和技改工程完成情况总结,对大中修和技改工程中存在的问题进行总结分析,不断提高管理水平职责五职责表述:控制生产厂的生产成本,努力实现目标利润协作部门和岗位工作任务组织生产厂严格按照工艺配方要求进行生产,降低生产过程中的各种损耗生产部、工艺技术部组织生产厂进行生产工艺的改进,努力提高生产效率,降低生产成本生产部、工艺技术部合理控制生产厂的各项费用支出职责六职责表述:确保生产厂的安全生产协作部门和岗位工作任务组织制定生产厂的安全管理制度,并贯彻落实生产部根据安全管理制度检查生产厂的安全情况,发现问题及时整改生产部根据实际情况,组织不断修改完善生产厂的安全管理制度职责七职责表述:组织进行原料和包材的库存管理协作部门和岗位工作任务负责组织制定原料和包材的库存管理制度,并贯彻落实仓储物流部负责组织制定原料和包材的安全库存量仓储物流部、采购部负责组织进行原料和包材的定期盘点,并与财务进行对帐仓储物流部、财务部、采购部负责组织原料和包括的入库和出库管理仓储物流部负责及时、准确的向采购部提供原料和包材的库存量仓储物流部、采购部职责八职责表述:协助市场部组织进行新产品的中试协作部门和岗位工作任务根据研发中心提供的配方,组织进行新产品的中试研发中心及时反馈新产品中试的结果,并提出合理的改进建议职责九职责表述:负责生产厂的日常管理和人力资源梯队建设协作部门和岗位工作任务负责选拔和配备下属,合理安排工作任务,指导下属员工制定阶段工作计划,并督促执行指导下属的业务活动,并审核和控制相关费用支出组织生产厂员工的考核评价,并有针对性地培养专业人才,管理和建设人力资源梯队职责十职责表述:完成上级交办的其它任务任职资格教育水平大学本科及以上学历第3页共3页第2页共3页编号:时间:2021年x月x日书山有路勤为径,学海无涯苦作舟页...

1、当您付费下载文档后,您只拥有了使用权限,并不意味着购买了版权,文档只能用于自身使用,不得用于其他商业用途(如 [转卖]进行直接盈利或[编辑后售卖]进行间接盈利)。
2、本站所有内容均由合作方或网友上传,本站不对文档的完整性、权威性及其观点立场正确性做任何保证或承诺!文档内容仅供研究参考,付费前请自行鉴别。
3、如文档内容存在违规,或者侵犯商业秘密、侵犯著作权等,请点击“违规举报”。

碎片内容

日化企业生产厂厂长岗位说明书

您可能关注的文档

确认删除?
VIP
微信客服
  • 扫码咨询
会员Q群
  • 会员专属群点击这里加入QQ群
客服邮箱
回到顶部