电脑桌面
添加小米粒文库到电脑桌面
安装后可以在桌面快捷访问

某高层住宅施工组织设计方案VIP专享VIP免费

某高层住宅施工组织设计方案_第1页
1/171
某高层住宅施工组织设计方案_第2页
2/171
某高层住宅施工组织设计方案_第3页
3/171
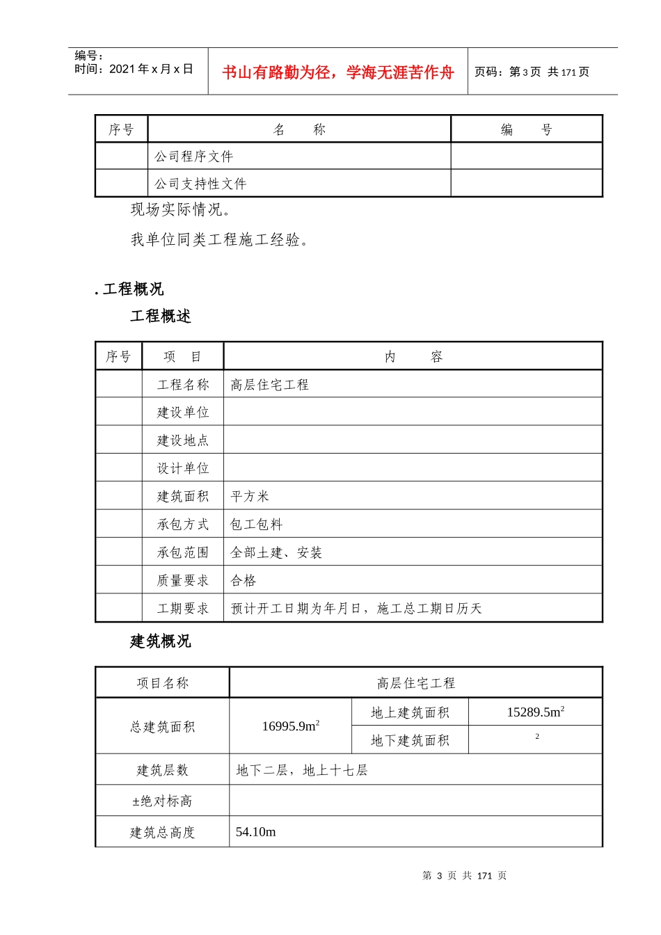
第1页共171页编号:时间:2021年x月x日书山有路勤为径,学海无涯苦作舟页码:第1页共171页.编制依据招标人提供的高层住宅工程招标文件。招标人提供的由世源科技工程有限公司设计的施工图纸。序号图号图纸名称页数备注建施总—建施建施结施—结施电施—电施设施—设施水施—给排水国家、地方及行业现行的有关规范、规程、验评标准及图集。序号名称编号工程测量规范建筑工程施工质量验收规范建筑地基基础工程施工质量验收规范地下防水工程质量验收规范地下工程防水技术规范砼结构工程施工质量验收规范屋面工程质量验收规范建筑地面工程施工及验收规范建筑装饰装修工程质量验收规范民用建筑工程室内环境污染控制规范钢筋焊接及验收规程钢筋机械连接通用技术规程高层建筑箱形及筏形基础技术规范电气装置安装工程施工及验收规范(、)建筑电气工程施工质量验收规范第2页共171页第1页共171页编号:时间:2021年x月x日书山有路勤为径,学海无涯苦作舟页码:第2页共171页序号名称编号通风与空调工程施工及验收规范建筑给排水及采暖工程施工质量验收规范施工现场临时用电安全技术规范建筑排水用硬聚氯乙烯内螺旋管管道工程技术规范:建筑排水用硬聚氯乙烯管道安装建筑工程冬季施工规程建筑机械使用安全技术规程建筑施工高处作业安全技术规程建筑工程技术资料管理规程()混凝土泵送施工技术规程系列建筑标准设计图集02-22-98系列建筑标准设计图集主要的法律法规序号名称编号中华人民共和国建筑法主席令第号中华人民共和国安全生产法第次会议中华人民共和国环境保护法主席令第号建设工程质量管理条例国务院令第号建设工程施工现场管理规定建设部令第号房屋建筑工程质量保修办法建设部第号**省建筑条例省人代会**省建设工程质量管理规定省政府令第号**省建设工程质量监督管理暂行办法冀建建[]号其他资料和文件序号名称编号公司管理手册第3页共171页第2页共171页编号:时间:2021年x月x日书山有路勤为径,学海无涯苦作舟页码:第3页共171页序号名称编号公司程序文件公司支持性文件现场实际情况。我单位同类工程施工经验。.工程概况工程概述序号项目内容工程名称高层住宅工程建设单位建设地点设计单位建筑面积平方米承包方式包工包料承包范围全部土建、安装质量要求合格工期要求预计开工日期为年月日,施工总工期日历天建筑概况项目名称高层住宅工程总建筑面积16995.9m2地上建筑面积15289.5m2地下建筑面积2建筑层数地下二层,地上十七层±绝对标高建筑总高度54.10m第4页共171页第3页共171页编号:时间:2021年x月x日书山有路勤为径,学海无涯苦作舟页码:第4页共171页建筑防火耐火等级为二级,地下室耐火等级一级防水等级地下室防水等级二级,屋面防水等级二级人防等级抗力等级为六级,防化等级为二级外墙保温聚苯板外保温砌筑墙体砌块墙体加气砼砌块,混合砂浆隔墙五防轻体隔墙板外装修外墙面装饰三层以下为浅灰色蘑菇石面砖,三层以上为浅砖红色涂料门窗系茶色塑钢中空玻璃带纱扇屋面工程铺块材上人屋面内装修地下一层水泥地面;水泥踢脚;水泥砂浆白色乳胶漆内墙面;地下二层砼地面;水泥踢脚;水泥砂浆内墙面;顶棚喷白色涂料厨房铺陶瓷地砖防水楼面;釉面砖到底;顶棚混合砂浆白色乳胶漆卫生间铺陶瓷地砖防水楼面;釉面砖到底;顶棚混合砂浆白色乳胶漆客厅卧室餐厅铺陶瓷地砖楼面;地砖踢脚;混合砂浆白色乳胶漆内墙面;混合砂浆白色乳胶漆顶棚前室公用廊道铺地砖楼面;地砖踢脚;混合砂浆白色乳胶漆内墙面;混合砂浆白色乳胶漆顶棚机房厚水泥砂浆楼面;水泥踢脚;水泥砂浆内墙面;水泥砂浆内墙涂料顶棚水箱间厚水泥砂浆楼面;水泥踢脚;水泥砂浆内墙面;水泥砂浆内墙涂料顶棚楼梯间厚水泥砂浆楼面;水泥踢脚;混合砂浆白色乳胶漆内墙面;混合砂浆白色乳胶漆顶棚第5页共171页第4页共171页编号:时间:2021年x月x日书山有路勤为径,学海无涯苦作舟页码:第5页共171页结构概况序号项目内容结构形式基础结构形式筏型基础,底板厚主体结构形式现浇钢筋混凝土剪力墙结构体系屋盖结构形式现浇钢筋混凝土平面屋盖楼板建筑物地基地基土质层粉质粘土(第四层)地基承载力地下防水系统混凝土自防水抗...

1、当您付费下载文档后,您只拥有了使用权限,并不意味着购买了版权,文档只能用于自身使用,不得用于其他商业用途(如 [转卖]进行直接盈利或[编辑后售卖]进行间接盈利)。
2、本站所有内容均由合作方或网友上传,本站不对文档的完整性、权威性及其观点立场正确性做任何保证或承诺!文档内容仅供研究参考,付费前请自行鉴别。
3、如文档内容存在违规,或者侵犯商业秘密、侵犯著作权等,请点击“违规举报”。

碎片内容

某高层住宅施工组织设计方案

确认删除?
VIP
微信客服
  • 扫码咨询
会员Q群
  • 会员专属群点击这里加入QQ群
客服邮箱
回到顶部