电脑桌面
添加小米粒文库到电脑桌面
安装后可以在桌面快捷访问

有限空间安全事故应急救援演练VIP免费

有限空间安全事故应急救援演练_第1页
1/7
有限空间安全事故应急救援演练_第2页
2/7
有限空间安全事故应急救援演练_第3页
3/7
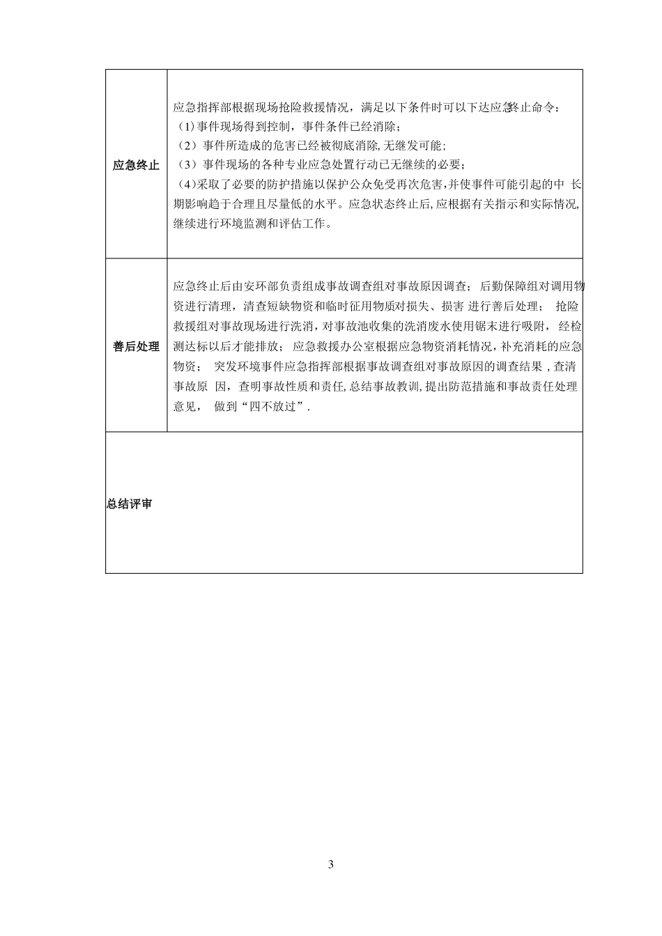
XXXXX有限公司受限空间安全事故应急救援演练XXXXX有限公司安环部编制二0一七年六月十九日1XXXXX有限公司受限空间安全事故应急救授演练方案演练时间2017年6月28日事故地点污水处理站集水池突发事故集水池清洗作业过程人员发生跌落,右手前臂骨折。参加部门应急指挥部、现场抢险组、通信后勤组、医疗救护组、治安警戒组检验突发安全事故应急组织响应能力;强化应急人员应急处置能力;检验应急设施、应急物资的可靠性;检验应急救援预案的可行性;演练目的应急物资隔离锥、隔离带、防护服、口罩、气体检测仪、通风机、通讯设备等。报警集水池清洗作业完成后,人员在爬梯出池时慎跌落.现场安全监督员立即联系上报应急指挥部。应急指挥部接到报警后启动《受限空间安全事故应急救援预案》,通知各应急小组紧急就位(1)现场施工人员与安全监督人员将情况汇报给现场抢险组组长.(2)抢险组长接到汇报后,带领队员进入现场堪察情况,并制订救援方案,组织落实抢险与救援需要措施,立即向指挥长汇报。同时通知各应急小组组长到位。(3)治安警戒组根据抢险组指导划定警戒区,防止非抢险救灾人员入内,并组织无关人员的撤离。应急处置(4)现场施工人员重新对集水池内空气进行检测,确定指示正常后,抢险组立即指派人员下池将受伤作业人员背出集水池。(5)医疗救护组人员立即对受伤人员进行伤势确认,将骨折手臂进行箭单固定后送医。(6)处理工作结束后,对事件的起因进行调查,并采取有效的防范措施、预防类似事件发生。若事故超出企业自身的处置范围,指挥长应及时联系南明区安监局、南明区市疾扩大应急控中心请求外部救援力量进行支援.应急指挥部根据南明区安监局、专家意见,决定是否需要提高应急响应级别申请外部救援力量支持;接警2应急指挥部根据现场抢险救援情况,满足以下条件时可以下达应急终止命令:(1)事件现场得到控制,事件条件已经消除;(2)事件所造成的危害已经被彻底消除,无继发可能;应急终止(3)事件现场的各种专业应急处置行动已无继续的必要;(4)采取了必要的防护措施以保护公众免受再次危害,并使事件可能引起的中长期影响趋于合理且尽量低的水平。应急状态终止后,应根据有关指示和实际情况,继续进行环境监测和评估工作。应急终止后由安环部负责组成事故调查组对事故原因调查;后勤保障组对调用物资进行清理,清查短缺物资和临时征用物质.对损失、损害进行善后处理;抢险救援组对事故现场进行洗消,对事故池收集的洗消废水使用锯末进行吸附,经检善后处理测达标以后才能排放;应急救援办公室根据应急物资消耗情况,补充消耗的应急物资;突发环境事件应急指挥部根据事故调查组对事故原因的调查结果,查清事故原因,查明事故性质和责任,总结事故教训,提出防范措施和事故责任处理意见,做到“四不放过”.总结评审3XXXXX有限公司受限空间作业安全事故应急演练流程为进一步提高应急队伍处置突发安全事故的综合能力,及时、有效地控制和消除安全事故的危害,加强应急小组之间的协调配合,XXXXXXX有限公司于2017年6月28日在污水站举行了突发安全事件应急演练.一、演练依据《有限空间事故应急救援预案》二、参演人员1、污水处理站操作人:XXX2、XXXXX应急救援组24小时报警电话:XXXXXXXX序号1应急机构职务应急指挥部指挥长副指挥长组长组员2现场抢险组组员组员组员组长3治安警戒组组员组员组长4通讯后勤组组员组员组员组长5医疗救护组组员组员组员三、演练宗旨通过应急演练,达到各应急小组在应对公司受限空间作业的突发事故时,能及时高效地进行应急救援处置、降低事故风险的目的。姓名公司内职务生产总监安环部经理设备主任维修工维修工维修工司炉工行政办主任保安保安验证办主任QA主任车间主任仓库主任质量总监质审办主任质审办人员QC主任联系电话4四、演练目标1、通过演练检验应急预案的可操作性,进一步修订完善应急预案,增强实用性.2、提高各应急小组的协同配合及作战能力。五、演练基本要求1、报警内容简明扼要;各应急小组出动迅速;熟悉自身在预案中的职责。2、物资准备:应急救援物资准备齐全,摆放整齐,取用方便;身体防护器具数量充足,质量可靠。3、通迅报警器材:保...

1、当您付费下载文档后,您只拥有了使用权限,并不意味着购买了版权,文档只能用于自身使用,不得用于其他商业用途(如 [转卖]进行直接盈利或[编辑后售卖]进行间接盈利)。
2、本站所有内容均由合作方或网友上传,本站不对文档的完整性、权威性及其观点立场正确性做任何保证或承诺!文档内容仅供研究参考,付费前请自行鉴别。
3、如文档内容存在违规,或者侵犯商业秘密、侵犯著作权等,请点击“违规举报”。

碎片内容

有限空间安全事故应急救援演练

确认删除?
VIP
微信客服
  • 扫码咨询
会员Q群
  • 会员专属群点击这里加入QQ群
客服邮箱
回到顶部