电脑桌面
添加小米粒文库到电脑桌面
安装后可以在桌面快捷访问

常用建筑材料质量指标VIP免费

常用建筑材料质量指标_第1页
1/76
常用建筑材料质量指标_第2页
2/76
常用建筑材料质量指标_第3页
3/76
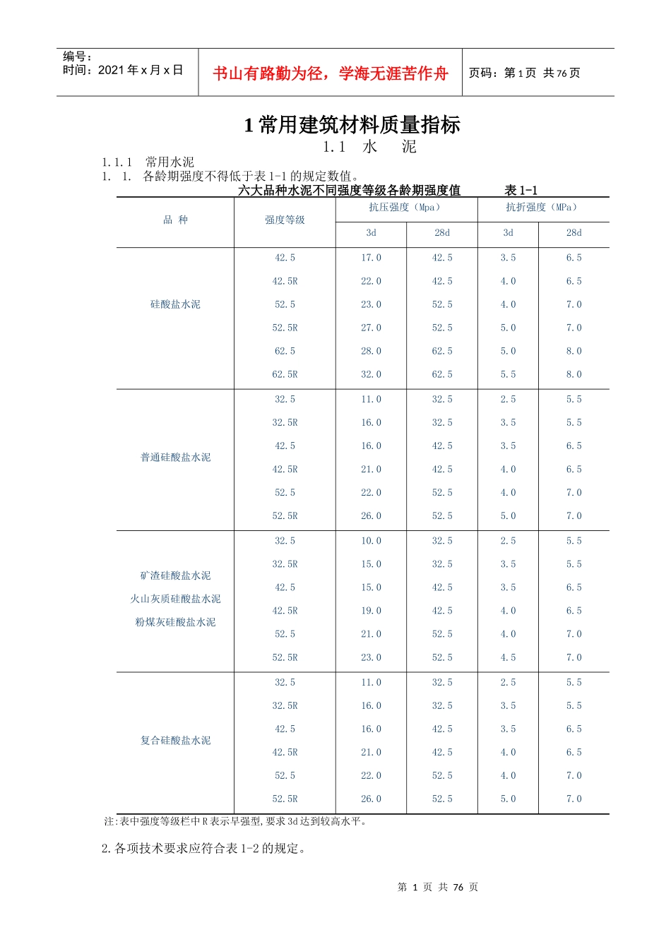
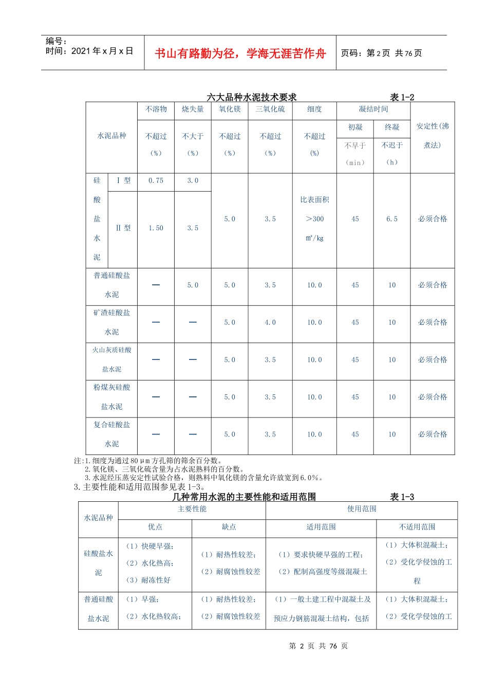
第1页共76页编号:时间:2021年x月x日书山有路勤为径,学海无涯苦作舟页码:第1页共76页1常用建筑材料质量指标1.1水泥1.1.1常用水泥1.1.各龄期强度不得低于表1-1的规定数值。六大品种水泥不同强度等级各龄期强度值表1-1品种强度等级抗压强度(Mpa)抗折强度(MPa)3d28d3d28d硅酸盐水泥42.542.5R52.552.5R62.562.5R17.022.023.027.028.032.042.542.552.552.562.562.53.54.04.05.05.05.56.56.57.07.08.08.0普通硅酸盐水泥32.532.5R42.542.5R52.552.5R11.016.016.021.022.026.032.532.542.542.552.552.52.53.53.54.04.05.05.55.56.56.57.07.0矿渣硅酸盐水泥火山灰质硅酸盐水泥粉煤灰硅酸盐水泥32.532.5R42.542.5R52.552.5R10.015.015.019.021.023.032.532.542.542.552.552.52.53.53.54.04.04.55.55.56.56.57.07.0复合硅酸盐水泥32.532.5R42.542.5R52.552.5R11.016.016.021.022.026.032.532.542.542.552.552.52.53.53.54.04.05.05.55.56.56.57.07.0注:表中强度等级栏中R表示早强型,要求3d达到较高水平。2.各项技术要求应符合表1-2的规定。第2页共76页第1页共76页编号:时间:2021年x月x日书山有路勤为径,学海无涯苦作舟页码:第2页共76页六大品种水泥技术要求表1-2水泥品种不溶物烧失量氧化镁三氧化硫细度凝结时间安定性(沸煮法)不超过(%)不大于(%)不超过(%)不超过(%)不超过(%)初凝终凝不早于(min)不迟于(h)硅酸盐水泥Ⅰ型0.753.05.03.5比表面积>300㎡/㎏456.5必须合格Ⅱ型1.503.5普通硅酸盐水泥-5.05.03.510.04510必须合格矿渣硅酸盐水泥--5.04.010.04510必须合格火山灰质硅酸盐水泥--5.03.510.04510必须合格粉煤灰硅酸盐水泥--5.03.510.04510必须合格复合硅酸盐水泥--5.03.510.04510必须合格注:1.细度为通过80μm方孔筛的筛余百分数。2.氧化镁、三氧化硫含量为占水泥熟料的百分数。3.水泥经压蒸安定性试验合格,则熟料中氧化镁的含量允许放宽到6.0%。3.主要性能和适用范围参见表1-3。几种常用水泥的主要性能和适用范围表1-3水泥品种主要性能使用范围优点缺点适用范围不适用范围硅酸盐水泥(1)快硬早强;(2)水化热高;(3)耐冻性好(1)耐热性较差;(2)耐腐蚀性较差(1)要求快硬早强的工程;(2)配制高强度等级混凝土(1)大体积混凝土;(2)受化学侵蚀的工程普通硅酸盐水泥(1)早强;(2)水化热较高;(1)耐热性较差;(2)耐腐蚀性较差(1)一般土建工程中混凝土及预应力钢筋混凝土结构,包括(1)大体积混凝土;(2)受化学侵蚀的工第3页共76页第2页共76页编号:时间:2021年x月x日书山有路勤为径,学海无涯苦作舟页码:第3页共76页(3)耐冻性较好受反复冰冻作用结构以及高强度等级混凝土;(2)配制建筑砂浆程矿渣硅酸盐水泥(1)早期强度低,后期强度增长较快;(2)水化热较低;(3)耐热性较好;(4)抗硫酸盐类侵蚀和抗水性较好(1)抗冻性较差;(2)干燥收缩较大(1)适用于大体积混凝土;(2)配制耐热混凝土;(3)蒸汽养护构件;(4)一般地上地下和水中的混凝土构筑物等;(5)配制建筑砂浆(1)早期要求强度较高的工程;(2)严寒地区并在水位升降部位的结构火山灰质硅酸水泥(1)早期强度低,后期强度增长较快;(2)水化热较低;(3)耐热性较好;(4)抗硫酸盐类侵蚀和抗水性较好(1)抗冻性较差;(2)干燥收缩较大;(3)耐热性较差(1)大体积混凝土工程;(2)有抗渗要求的混凝土;(3)蒸汽养护构件;(4)一般混凝土工程(1)早期要求较高的混凝土工程;(2)严寒地区并在水位升降部位的结构;(3)干燥环境下的混凝土;(4)有耐磨要求的混凝土;续表水泥品种主要性能使用范围优点缺点适用范围不适用范围粉煤灰硅酸盐水泥除干燥收缩较小外,其他同火山灰质硅酸盐水泥除抗碳化能力较差外,其他同火山灰质硅酸盐水泥一般混凝土工程有抗碳化要求的混凝土工程,其他同火山灰质硅酸盐水泥1.1.2几种特种水泥1.1.各龄期强度不得低于表1-4规定数值。几种特种水泥不同标号各龄期强度值表1-4标号强度(MPa)抗硫酸盐硅酸盐水泥白色硅酸盐水泥高铝水泥快硬硅酸盐水泥3d28d3d7d28d1d3d1d3d第4页共76页第3页共76页编号:时间:20...

1、当您付费下载文档后,您只拥有了使用权限,并不意味着购买了版权,文档只能用于自身使用,不得用于其他商业用途(如 [转卖]进行直接盈利或[编辑后售卖]进行间接盈利)。
2、本站所有内容均由合作方或网友上传,本站不对文档的完整性、权威性及其观点立场正确性做任何保证或承诺!文档内容仅供研究参考,付费前请自行鉴别。
3、如文档内容存在违规,或者侵犯商业秘密、侵犯著作权等,请点击“违规举报”。

碎片内容

常用建筑材料质量指标

您可能关注的文档

教育精品店+ 关注
实名认证
内容提供者

优良的服务

确认删除?
VIP
微信客服
  • 扫码咨询
会员Q群
  • 会员专属群点击这里加入QQ群
客服邮箱
回到顶部