电脑桌面
添加小米粒文库到电脑桌面
安装后可以在桌面快捷访问

建筑施工安全检查评分汇总表分项检查评分表(DOC32页)VIP专享VIP免费

建筑施工安全检查评分汇总表分项检查评分表(DOC32页)_第1页
1/35
建筑施工安全检查评分汇总表分项检查评分表(DOC32页)_第2页
2/35
建筑施工安全检查评分汇总表分项检查评分表(DOC32页)_第3页
3/35
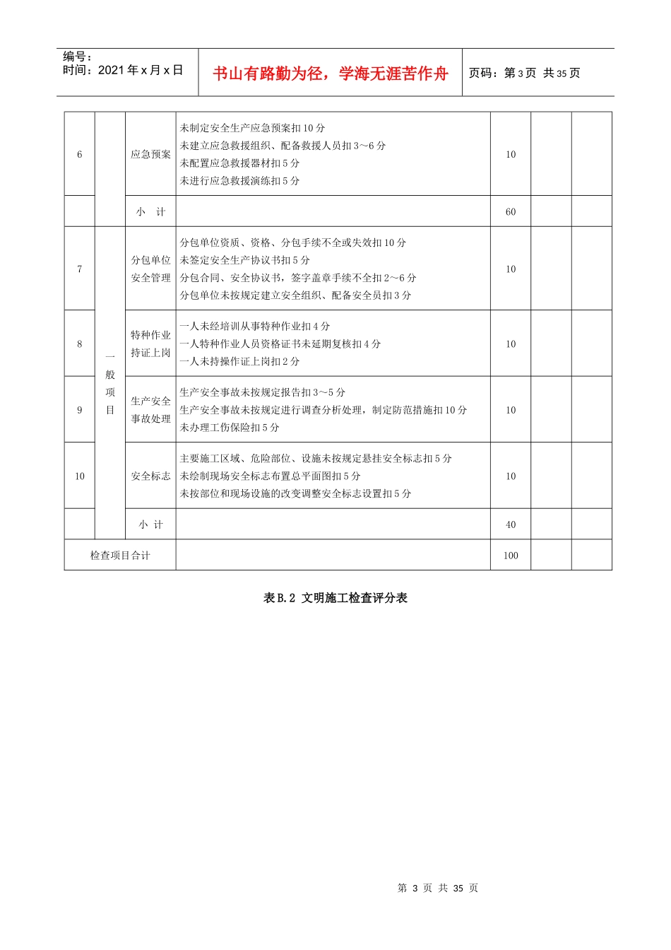
附录A建筑施工安全检查评分汇总表表A建筑施工安全检查评分汇总表企业名称:资质等级:年月日单位工程(施工现场)名称建筑面积(m2)结构类型总计得分(满分分值100分)项目名称及分值安全管理(满分10分)文明施工(满分15分)脚手架(满分10分)基坑工程(满分10分)模板支架(满分10分)高处作业(满分10分)施工用电(满分10分)物料提升机与施工升降机(满分10分)塔式起重机与起重吊装(满分10分)施工机具(满分5分)评语:检查单位负责人受检项目项目经理第2页共35页编号:时间:2021年x月x日书山有路勤为径,学海无涯苦作舟页码:第2页共35页附录B建筑施工安全分项检查评分表表B.1安全管理检查评分表序号检查项目扣分标准应得分数扣减分数实得分数1保证项目安全生产责任制未建立安全生产责任制扣10分安全生产责任制未经责任人签字确认扣3分未制定各工种安全技术操作规程扣10分未按规定配备专职安全员扣10分工程项目部承包合同中未明确安全生产考核指标扣8分未制定安全资金保障制度扣5分未编制安全资金使用计划及实施扣2~5分未制定安全生产管理目标(伤亡控制、安全达标、文明施工)扣5分未进行安全责任目标分解的扣5分未建立安全生产责任制、责任目标考核制度扣5分未按考核制度对管理人员定期考核扣2~5分102施工组织设计施工组织设计中未制定安全措施扣10分危险性较大的分部分项工程未编制安全专项施工方案,扣3~8分未按规定对专项方案进行专家论证扣10分施工组织设计、专项方案未经审批扣10分安全措施、专项方案无针对性或缺少设计计算扣6~8分未按方案组织实施扣5~10分103安全技术交底未采取书面安全技术交底扣10分交底未做到分部分项扣5分交底内容针对性不强扣3~5分交底内容不全面扣4分交底未履行签字手续扣2~4分104安全检查未建立安全检查(定期、季节性)制度扣5分未留有定期、季节性安全检查记录扣5分事故隐患的整改未做到定人、定时间、定措施扣2~6分对重大事故隐患改通知书所列项目未按期整改和复查扣8分105安全教育未建立安全培训、教育制度扣10分新入场工人未进行三级安全教育和考核扣10分未明确具体安全教育内容扣6~8分变换工种时未进行安全教育扣10分施工管理人员、专职安全员未按规定进行年度培训考核扣5分10第3页共35页第2页共35页编号:时间:2021年x月x日书山有路勤为径,学海无涯苦作舟页码:第3页共35页6应急预案未制定安全生产应急预案扣10分未建立应急救援组织、配备救援人员扣3~6分未配置应急救援器材扣5分未进行应急救援演练扣5分10小计607一般项目分包单位安全管理分包单位资质、资格、分包手续不全或失效扣10分未签定安全生产协议书扣5分分包合同、安全协议书,签字盖章手续不全扣2~6分分包单位未按规定建立安全组织、配备安全员扣3分108特种作业持证上岗一人未经培训从事特种作业扣4分一人特种作业人员资格证书未延期复核扣4分一人未持操作证上岗扣2分109生产安全事故处理生产安全事故未按规定报告扣3~5分生产安全事故未按规定进行调查分析处理,制定防范措施扣10分未办理工伤保险扣5分1010安全标志主要施工区域、危险部位、设施未按规定悬挂安全标志扣5分未绘制现场安全标志布置总平面图扣5分未按部位和现场设施的改变调整安全标志设置扣5分10小计40检查项目合计100表B.2文明施工检查评分表第4页共35页第3页共35页编号:时间:2021年x月x日书山有路勤为径,学海无涯苦作舟页码:第4页共35页序号检查项目扣分标准应得分数扣减分数实得分数1保证项目现场围挡在市区主要路段的工地周围未设置高于2.5m的封闭围挡扣10分一般路段的工地周围未设置高于1.8m的封闭围挡扣10分围挡材料不坚固、不稳定、不整洁、不美观扣5~7分围挡没有沿工地四周连续设置扣3~5分102封闭管理施工现场出入口未设置大门扣3分未设置门卫室扣2分未设门卫或未建立门卫制度扣3分进入施工现场不佩戴工作卡扣3分施工现场出入口未标有企业名称或标识,且未设置车辆冲洗设施扣3分103施工场地现场主要道路未进行硬化处理扣5分现场道路不畅通、路面不平整坚实扣5分现场作业、运输、存放材料等采取的防尘措施不齐全、不合理扣5分排水设施不齐全或排水不通畅、有积水扣4分未...

1、当您付费下载文档后,您只拥有了使用权限,并不意味着购买了版权,文档只能用于自身使用,不得用于其他商业用途(如 [转卖]进行直接盈利或[编辑后售卖]进行间接盈利)。
2、本站所有内容均由合作方或网友上传,本站不对文档的完整性、权威性及其观点立场正确性做任何保证或承诺!文档内容仅供研究参考,付费前请自行鉴别。
3、如文档内容存在违规,或者侵犯商业秘密、侵犯著作权等,请点击“违规举报”。

碎片内容

建筑施工安全检查评分汇总表分项检查评分表(DOC32页)

确认删除?
VIP
微信客服
  • 扫码咨询
会员Q群
  • 会员专属群点击这里加入QQ群
客服邮箱
回到顶部