电脑桌面
添加小米粒文库到电脑桌面
安装后可以在桌面快捷访问

工程监理工作流程与工作方法VIP免费

工程监理工作流程与工作方法_第1页
1/7
工程监理工作流程与工作方法_第2页
2/7
工程监理工作流程与工作方法_第3页
3/7
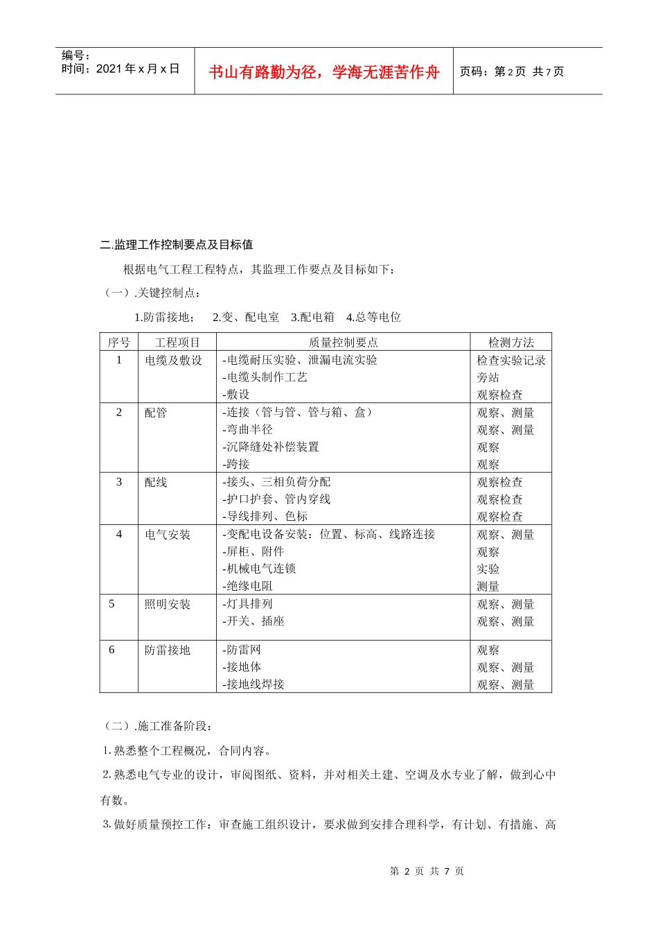
第1页共7页编号:时间:2021年x月x日书山有路勤为径,学海无涯苦作舟页码:第1页共7页工程电气专业监理实施细则一.监理工作流程项目监理部熟悉图纸、收集资料------各专业监理组编制监理工作实施细则-------项目监理部向施工单位进行监理交底------审查专业工程施工方案-----监理人员巡视------(材料进场或工序完成)施工单位进场材料报验、检验批报验-----监理人员审查质保资料,对材料监督取样送检,对检验批进行平行检验,对重要部位、关键工序旁站监理------监理人员指出问题,施工单位纠正问题,监理人员签署认可意见------对分项工程进行验收-----在总监的主持下参与分部工程验收,编写分部工程质量评估报告-----参与业主组织的工程竣工验收,整理资料,编写专业监理工作总结。第2页共7页第1页共7页编号:时间:2021年x月x日书山有路勤为径,学海无涯苦作舟页码:第2页共7页二.监理工作控制要点及目标值根据电气工程工程特点,其监理工作要点及目标如下:(一).关键控制点:1.防雷接地;2.变、配电室3.配电箱4.总等电位序号工程项目质量控制要点检测方法1电缆及敷设-电缆耐压实验、泄漏电流实验-电缆头制作工艺-敷设检查实验记录旁站观察检查2配管-连接(管与管、管与箱、盒)-弯曲半径-沉降缝处补偿装置-跨接观察、测量观察、测量观察观察3配线-接头、三相负荷分配-护口护套、管内穿线-导线排列、色标观察检查观察检查观察检查4电气安装-变配电设备安装:位置、标高、线路连接-屏柜、附件-机械电气连锁-绝缘电阻观察、测量观察实验测量5照明安装-灯具排列-开关、插座观察、测量观察、测量6防雷接地-防雷网-接地体-接地线焊接观察观察、测量观察、测量(二).施工准备阶段:⒈熟悉整个工程概况,合同内容。⒉熟悉电气专业的设计,审阅图纸、资料,并对相关土建、空调及水专业了解,做到心中有数。⒊做好质量预控工作:审查施工组织设计,要求做到安排合理科学,有计划、有措施、高第3页共7页第2页共7页编号:时间:2021年x月x日书山有路勤为径,学海无涯苦作舟页码:第3页共7页标准、严要求。审阅设计图纸,做好技术交底、参加图纸会审工作。尽可能做到在施工前解决错、漏、缺、碰的问题。⒋协助业主选购主要设备,并对供货商的资质进行审查,协助考察供货商生产能力和质量,选择信誉好,节能降耗,采用新材料、新工艺、新技术的产品,参照宁质技监质字(2001)165#文“终端组合电器必须持有江苏省工业产品准产证”,无准产证的电器设备不得进入工地。⒌审查施工单位进场人员的资质,包括项目经理、施工员、质检员、安全员、特殊工种等人员的职称技术等级、上岗证。严禁无证上岗。⒍审查分包单位及零配件、电气材料供应商的施工、产品资质。⒎协助施工单位建立三级质量保证监督体系及措施,建立安全三级保证体系,并监督其落实。⒏监理在现场执行《江苏省建设工程施工阶段监理现场用表示范表示》(第二版),要求各方按示范表示使用说明执行。(三).施工阶段监理:⒈把好材料进场关,重要设备、器具、材料的采购,要参与考查认证,无论是甲方提供的材料或施工单位采购的材料,都要报验,必须有产品质保书,出厂合格证及电气实验记录等。设备的开箱要有监理在场,检查外观质量,取得设备随带资料、文件、说明书等。⒉根据整个工程的要求,审定电气专业的施工进度计划,提出具体要求。⒊做好施工过程中的预控工作,特别是对施工过程中的关键环节,要做到事先有预测,时候有对策,以减少一般事故,杜绝重大事故。⒋检查按设计要求预留的孔洞标高位置是否准确,检查梁、板、柱、墙内的预埋铁件数量和位置标高。⒌检查电管预埋到位,应做到清污、套丝、无毛刺、接地焊接可靠、布置合理,横平竖直,整齐一致。⒍配电照明系统的箱柜、开关、灯具、插座的安装要相序一致,面板标高一致,四周无缝隙。电气器具的数量安装位置准确无误。⒎检查电缆电线的连接,宜采用线帽压接,不准使用人工绑扎。严格按照国家标准《电气装置工程施工及验收规范》执行。⒏检查强弱电配线要按国际标准色标穿线,出现同一色线应套号码管标识,吊顶内必须使用同规格的阻燃线。第4页共7页第3页共7页编号...

1、当您付费下载文档后,您只拥有了使用权限,并不意味着购买了版权,文档只能用于自身使用,不得用于其他商业用途(如 [转卖]进行直接盈利或[编辑后售卖]进行间接盈利)。
2、本站所有内容均由合作方或网友上传,本站不对文档的完整性、权威性及其观点立场正确性做任何保证或承诺!文档内容仅供研究参考,付费前请自行鉴别。
3、如文档内容存在违规,或者侵犯商业秘密、侵犯著作权等,请点击“违规举报”。

碎片内容

工程监理工作流程与工作方法

教育精品店+ 关注
实名认证
内容提供者

优良的服务

相关文档

确认删除?
VIP
微信客服
  • 扫码咨询
会员Q群
  • 会员专属群点击这里加入QQ群
客服邮箱
回到顶部