电脑桌面
添加小米粒文库到电脑桌面
安装后可以在桌面快捷访问

小韩机械设计 减速箱说明书VIP免费

小韩机械设计 减速箱说明书_第1页
1/30
小韩机械设计 减速箱说明书_第2页
2/30
小韩机械设计 减速箱说明书_第3页
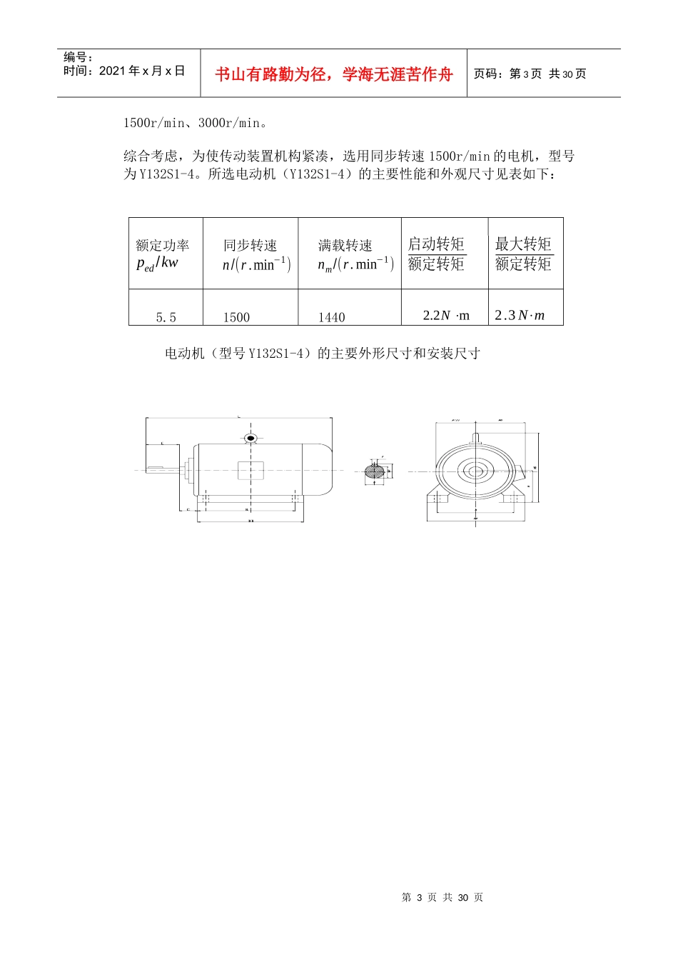
3/30
第1页共30页编号:时间:2021年x月x日书山有路勤为径,学海无涯苦作舟页码:第1页共30页一.设计任务题目:设计一个用于带式运输机上的二级圆柱斜齿轮减速器.给定数据及要求:已知带式运输机驱动卷筒的圆周力(牵引力)F=2500N,带速v=1.5m/s,卷筒直径D=450mm,三相交流电源,有粉尘,工作寿命15年(设每年工作300天)两班制,单向运转,载荷平稳,常温连续工作,齿轮精度为7级。二.机械传动装置总体设计方案:一、拟定传动方案1.减速器类型选择:选用展开式两级圆柱齿轮减速器。2.特点及应用:结构简单,但齿轮相对于轴承的位置不对称,因此要求轴有较大的刚度。高速级齿轮布置在远离转矩输入端,这样,轴在转矩作用下产生的扭转变形和轴在弯矩作用下产生的弯曲变形可部分地互相抵消,以减缓沿齿宽载荷分布不均匀的现象。3.具体传动方案如下:图示:传动方案为:电动机-皮带轮-高速齿轮-低速齿轮-联轴器-工作机。辅助件有:观察孔盖,油标和油尺,放油螺塞,通气孔,吊环螺钉,吊耳和吊钩,定位销,启盖螺钉,轴承套,密封圈等。二、选择电动机1.选择电动机的类型按已知的工作要求和条件,选用Y型(IP44)全封闭笼型三相异步电动机。2.选择电动机的容量工作机要求的电动机输出功率为:第2页共30页第1页共30页编号:时间:2021年x月x日书山有路勤为径,学海无涯苦作舟页码:第2页共30页pd=pωη其中Pω=Fv1000ηω且F=2500N,v=1.5m/s,ηw=0.94则Pd=Fv1000ηωη由电动机至传送带的传动总功率为:ηwη=η1η24η32η4η5式中,η1是带传动的效率,η2是轴承传动的效率,η3是齿轮传动的效率,η4是联轴器传动的效率,η5是卷筒传递的效率。其大小分别为η1=0.96,η2=0.98,η3=0.97,η4=0.99,η5=0.96。则ηwη=η1η24η32η4η5=0.96×0.984×0.972×0.99×0.96=0.79即Pd=Fv1000ηωη=2500×1.51000×0.79kw=4.7kw由《机械设计课程设计》附录九选取电动机额定功率p=5.5kw。3.确定电动机的转速卷筒轴工作转速为:nw=60×1000vπD=60000×1.53.14×450r/min=63.69r/min由《机械设计课程设计》表3-1推荐的常用传动比范围,初选V带的传动比i1=2~4,单级齿轮传动比i=3~5,两级齿轮传动比i2=9~25,故电动机转速的可选范围为:nd=(i1i2⋅¿⋅in)nw=(18~100)×63.69r/min=(1146.42~6369)r/min由《机械设计课程设计》附录九可知,符合这一范围的同步转速有:第3页共30页第2页共30页编号:时间:2021年x月x日书山有路勤为径,学海无涯苦作舟页码:第3页共30页1500r/min、3000r/min。综合考虑,为使传动装置机构紧凑,选用同步转速1500r/min的电机,型号为Y132S1-4。所选电动机(Y132S1-4)的主要性能和外观尺寸见表如下:额定功率ped/kw同步转速n/(r.min−1)满载转速nm/(r.min−1)启动转矩额定转矩最大转矩额定转矩5.5150014402.3N⋅m电动机(型号Y132S1-4)的主要外形尺寸和安装尺寸m2.2N第4页共30页第3页共30页编号:时间:2021年x月x日书山有路勤为径,学海无涯苦作舟页码:第4页共30页三、分配传动比传动装置的总传动比为:因总传动比i=i带⋅i1齿⋅i2齿,为使传动装置尺寸协调、结构匀称、不发生干涉现象,现选V带传动比:i带=3;则减速器的传动比为:i减=ii带=22.63=7.53按展开式布置考虑两级齿轮润滑问题,两级大齿轮应该有相近的浸油深度,则两级齿轮的高速级与低速级传动比的值取为1.4,取i1齿=1.4i2齿,可算出i1齿=√1.4i减=√1.4×7.53=3.25;则i2齿=i减i1齿=7.533.25=2.32;四、计算运动和动力参数1.各轴的功率计算I轴P1=Pdη01=Pd⋅η1=4.7kw×0.96=4.51kwII轴P2=p1η12=P1¿η2¿η3=4.51kw×0.97×0.98=4.29kwIII轴P3=p2η23=P2⋅η2⋅η3=4.29kw×0.97×0.98=4.08kwIV轴P4=P3η34=p3η2η4=4.08kw×0.98×0.99=3.96kw2.各轴的转速计算I轴的转速n1=nmi带=14403r/min=480r/minII轴的转速n2=n1i1=4803.25r/min=147.69r/min中心高外型尺寸L×(AC/2+AD)×HD底脚安装尺寸A×B地脚螺栓孔直径K轴外伸尺寸D×E装键部位尺寸F×GD132515×345×315216×1401238k×58010×41第5页共30页第4页共30页编号:时间:2021年x月x日书山有路勤为径,学海无涯苦作舟页码:第5页共30页III轴的转速n3...

1、当您付费下载文档后,您只拥有了使用权限,并不意味着购买了版权,文档只能用于自身使用,不得用于其他商业用途(如 [转卖]进行直接盈利或[编辑后售卖]进行间接盈利)。
2、本站所有内容均由合作方或网友上传,本站不对文档的完整性、权威性及其观点立场正确性做任何保证或承诺!文档内容仅供研究参考,付费前请自行鉴别。
3、如文档内容存在违规,或者侵犯商业秘密、侵犯著作权等,请点击“违规举报”。

碎片内容

小韩机械设计 减速箱说明书

您可能关注的文档

确认删除?
VIP
微信客服
  • 扫码咨询
会员Q群
  • 会员专属群点击这里加入QQ群
客服邮箱
回到顶部