电脑桌面
添加小米粒文库到电脑桌面
安装后可以在桌面快捷访问

房地产投资测算操作手册(北京)VIP免费

房地产投资测算操作手册(北京)_第1页
1/24
房地产投资测算操作手册(北京)_第2页
2/24
房地产投资测算操作手册(北京)_第3页
3/24
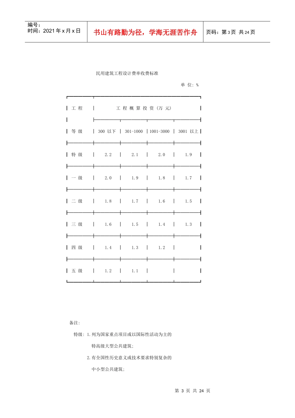
第1页共24页编号:时间:2021年x月x日书山有路勤为径,学海无涯苦作舟页码:第1页共24页房地产投资测算操作手册(北京)第一部分投资成本一.征地补偿费(一).土地出让金1.计算方法:土地出让金基准价*容积率修正系数*年限修正系数*用地面积2.上交部门:市财政局3.依据:(1)京政发[1993]34号文.(2)京政发[1994]43号文.4.说明:(1)各区类地价取值详见附件;(2)城近郊区土地出让金的60%返还区财政;(3)远郊区县地区土地出让金全部由区县留用;(4)市属各局,总公司所属企业和在市计划单列的企业集团,在已取得的划拨土地使用权的土地上或低价征用的土地上进行开发,利用,经营,应补交土地出让金,其中的60%返还企业,由留用企业专项用于开发项目的基础设施建设.(5)在使用《基准地价表》时,由于地区分类是按照区县划分,不同区县的同类地区差别很大,而且周围环境至关重要,所以把同类同种用途地类的地价区间等分为第2页共24页第1页共24页编号:时间:2021年x月x日书山有路勤为径,学海无涯苦作舟页码:第2页共24页十级.在实际操作中,首先判断土地的区类,然后评定地价的级别,最后选定基准地价,使地价测算更为合理,规范.同时考虑到说明(2),(3),(4),在测算地价时加入"操作系数"概念,以准确测算必须交纳的土地出让金比例.附件:(1)1-10类地区土地出让金标准价;(2)土地出让金修正系数表.(二).征地及拆迁补偿费:详见附资料一:土地征用及拆迁补偿费开支范围.说明:(1)测算时亦可依据《基准地价表》,计取"土地开发及其它费用"的数据.二.前期工程费:(取值在40-120元/平米)1.临时水,电,路,场地平整费依据:1992年建安工程定额;标准:按实际发生工程量计算;说明:施工现场千差万别,通常按建筑面积5-15元/平米,或建安工程费的1%.2.规划,测量,勘察,设计费:依据:原国家建委(79)建发设字第315号文,国家计委计字(1984)596号文,建设部(1991)第150,316,425号文;国家物价局,建设部[1992]价费字375号.标准:(1)勘察费:概算价*0.30-0.80%(2)民用建筑设计费第3页共24页第2页共24页编号:时间:2021年x月x日书山有路勤为径,学海无涯苦作舟页码:第3页共24页民用建筑工程设计费率收费标准单位:%┏━━━━━┯━━━━━━━━━━━━━━━━━━━━━━━┓┃工程│工程概算投资(万元)┃┃├─────┬─────┬─────┬─────┨┃等级│300以下│301-1000│1001-3000│3001以上┃┠─────┼─────┼─────┼─────┼─────┨┃特级│2.2│2.1│2.0│1.9┃┠─────┼─────┼─────┼─────┼─────┨┃一级│2.0│1.9│1.8│1.7┃┠─────┼─────┼─────┼─────┼─────┨┃二级│1.8│1.7│1.6│1.5┃┠─────┼─────┼─────┼─────┼─────┨┃三级│1.6│1.5│1.4│1.3┃┠─────┼─────┼─────┼─────┼─────┨┃四级│1.4│1.3│1.2│┃┠─────┼─────┼─────┼─────┼─────┨┃五级│1.2│1.1││┃┗━━━━━┷━━━━━┷━━━━━┷━━━━━┷━━━━━┛备注:特级:1.列为国家重点项目或以国际性活动为主的特高级大型公共建筑;2.有全国性历史意义或技术要求特别复杂的中小型公共建筑;第4页共24页第3页共24页编号:时间:2021年x月x日书山有路勤为径,学海无涯苦作舟页码:第4页共24页3.30层以上建筑;4.高大空间有声,光等特殊要求的建筑.一级:1.高级大型公共建筑;2.有地区性历史意义或技术要求复杂的中小型公共建筑;3.16层以上29层以下或超过50米高的公共建筑.二级:1.中高级,大中型公共建筑;2.技术要求较高的中小型建筑;3.16层以上29层以下住宅.三级:1.中级,中型公共建筑;2.7层以上(含7层)15层以下有电梯住宅或框架结构的建筑;四级:1.一般中小型公共建筑;2.7层以下无电梯的住宅,宿舍及砖混建筑.五级:一,二层单功能,一般小跨度结构建筑.说明:(1)民用建筑大型>10000平米中型3000-10000平米小型<3000平米(2)仅做民用建筑初步设计或施工图分阶段设计时,其工作量的比例为40%和60%.(3)提供文件的份数为初步设计图纸6份,施工图8份.3.规划条件,可行性研究费依据:...

1、当您付费下载文档后,您只拥有了使用权限,并不意味着购买了版权,文档只能用于自身使用,不得用于其他商业用途(如 [转卖]进行直接盈利或[编辑后售卖]进行间接盈利)。
2、本站所有内容均由合作方或网友上传,本站不对文档的完整性、权威性及其观点立场正确性做任何保证或承诺!文档内容仅供研究参考,付费前请自行鉴别。
3、如文档内容存在违规,或者侵犯商业秘密、侵犯著作权等,请点击“违规举报”。

碎片内容

房地产投资测算操作手册(北京)

教育精品店+ 关注
实名认证
内容提供者

优良的服务

确认删除?
VIP
微信客服
  • 扫码咨询
会员Q群
  • 会员专属群点击这里加入QQ群
客服邮箱
回到顶部