电脑桌面
添加小米粒文库到电脑桌面
安装后可以在桌面快捷访问

数控中级铣工培训资料(Ⅱ)VIP免费

数控中级铣工培训资料(Ⅱ)_第1页
1/23
数控中级铣工培训资料(Ⅱ)_第2页
2/23
数控中级铣工培训资料(Ⅱ)_第3页
3/23
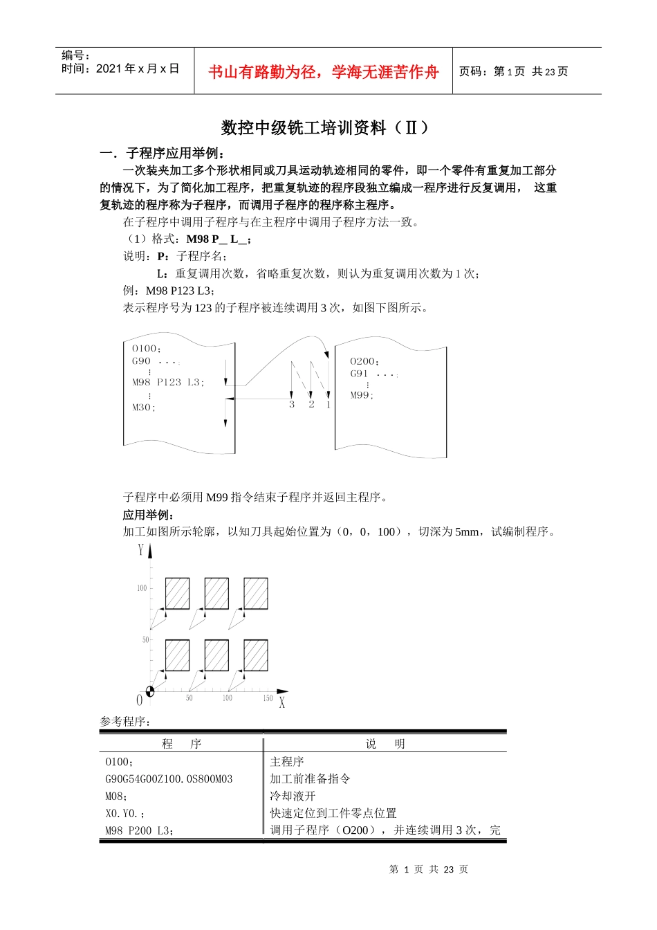
第1页共23页编号:时间:2021年x月x日书山有路勤为径,学海无涯苦作舟页码:第1页共23页数控中级铣工培训资料(Ⅱ)一.子程序应用举例:一次装夹加工多个形状相同或刀具运动轨迹相同的零件,即一个零件有重复加工部分的情况下,为了简化加工程序,把重复轨迹的程序段独立编成一程序进行反复调用,这重复轨迹的程序称为子程序,而调用子程序的程序称主程序。在子程序中调用子程序与在主程序中调用子程序方法一致。(1)格式:M98PL;说明:P:子程序名;L:重复调用次数,省略重复次数,则认为重复调用次数为1次;例:M98P123L3;表示程序号为123的子程序被连续调用3次,如图下图所示。子程序中必须用M99指令结束子程序并返回主程序。应用举例:加工如图所示轮廓,以知刀具起始位置为(0,0,100),切深为5mm,试编制程序。参考程序:程序说明O100;G90G54G00Z100.0S800M03M08;X0.Y0.;M98P200L3;主程序加工前准备指令冷却液开快速定位到工件零点位置调用子程序(O200),并连续调用3次,完第2页共23页第1页共23页编号:时间:2021年x月x日书山有路勤为径,学海无涯苦作舟页码:第2页共23页G90G00X0.Y60.0;M98P200L3;G90G00Z100.0;X0.Y0.;M09;M05;M30;O200;G91Z-95.0;G41X20.0Y10.0D1;G01Z-10.0F100;Y40.0;X30.0;X-40.0;G00Z110.0;G40X-10.0Y-20.0;X50.0;M99;成3个方形轮廓的加工快速定位到加工另3个方形轮廓的起始点位置调用子程序(O200),并连续调用3次,完成3个方形轮廓的加工快速定位到工件零点位置冷却液关主轴停程序结束子程序,加工一个方形轮廓的轨迹路径相对坐标编程建立刀补铣削深度直线插补直线插补直线插补快速退刀取消刀补为铣削另一方形轮廓做好准备子程序结束相关知识点:●在使用子程序编程时,应注意主、子程序使用不同的编程方式。一般主程序中使用G90指令,而子程序使用G91指令,避免刀具在同一位置加工。●当子程序中使用M99指令指定顺序号时,子程序结束时并不返回到调用子程序程序段的下一程序段,而是返回到M99指令指定的顺序号的程序段,并执行该程序段。编程举例::如图1-6所示。图1-6M99顺序号的指定子程序执行完以后,执行主程序顺序号为18的程序段。思考:铣平面程序的如何编制;第3页共23页第2页共23页编号:时间:2021年x月x日书山有路勤为径,学海无涯苦作舟页码:第3页共23页二、镜像功能G50.1,G51.1应用格式:G51.1X__Y__Z__;M98P_G50.1X__Y__Z__;式中:G51.1建立镜像;G50.1取消镜像;X、Y、Z镜像位置;当工件相对于某一轴具有对称形状时,可以利用镜像功能和子程序,只对工件的一部分进行编程,而能加工出工件的对称部分,这就是镜像功能。当某一轴的镜像有效时,该轴执行与编程方向相反的运动。G50.1,G51.1为模态指令,可相互注销,G51.1为缺省值。应用举例:使用镜像功能编制如图1-6所示轮廓的加工程序,已知刀具起点为(0,0,100)处。第4页共23页第3页共23页编号:时间:2021年x月x日书山有路勤为径,学海无涯苦作舟页码:第4页共23页第5页共23页第4页共23页编号:时间:2021年x月x日书山有路勤为径,学海无涯苦作舟页码:第5页共23页程序说明O24;G90G54G80G17;G00X0Y0;S800M03;Z5;M98P100;G51.1X0;M98P100;G50.1X0;G51.1X0YO;M98P100G50.1X0YO;G51.1Y0;M98P100;G50.1Y0;G00Z100;M05;M30;O100;G90G01Z-2F100;G41X10Y10F200D01;Y30;G03X30Y20R10;G01X10;G40X0Y0;G00Z5;主程序加工前准备指令快速定位到工件零点位置主轴正转快速定位到安全高度加工①Y轴镜像加工②Y轴镜像取消X、Y轴镜像加工③X、Y轴镜像取消X轴镜像加工④X轴镜像取消快速返回主轴停程序结束子程序(①轮廓的加工程序)切削深度进给建立刀补直线插补圆弧插补直线插补取消刀补快速返回到安全高度第6页共23页第5页共23页编号:时间:2021年x月x日书山有路勤为径,学海无涯苦作舟页码:第6页共23页M99;子程序结束第7页共23页第6页共23页编号:时间:2021年x月x日书山有路勤为径,学海无涯苦作舟页码:第7页共23页三.固定循环指令固定循环通常是用含有G功能的一个程序段完成用多个程序段指令才能完成的加工动作,使程序得...

1、当您付费下载文档后,您只拥有了使用权限,并不意味着购买了版权,文档只能用于自身使用,不得用于其他商业用途(如 [转卖]进行直接盈利或[编辑后售卖]进行间接盈利)。
2、本站所有内容均由合作方或网友上传,本站不对文档的完整性、权威性及其观点立场正确性做任何保证或承诺!文档内容仅供研究参考,付费前请自行鉴别。
3、如文档内容存在违规,或者侵犯商业秘密、侵犯著作权等,请点击“违规举报”。

碎片内容

数控中级铣工培训资料(Ⅱ)

您可能关注的文档

确认删除?
VIP
微信客服
  • 扫码咨询
会员Q群
  • 会员专属群点击这里加入QQ群
客服邮箱
回到顶部