电脑桌面
添加小米粒文库到电脑桌面
安装后可以在桌面快捷访问

竹地板面层工程检验批质量验收记录表VIP免费

竹地板面层工程检验批质量验收记录表_第1页
1/2
竹地板面层工程检验批质量验收记录表_第2页
2/2
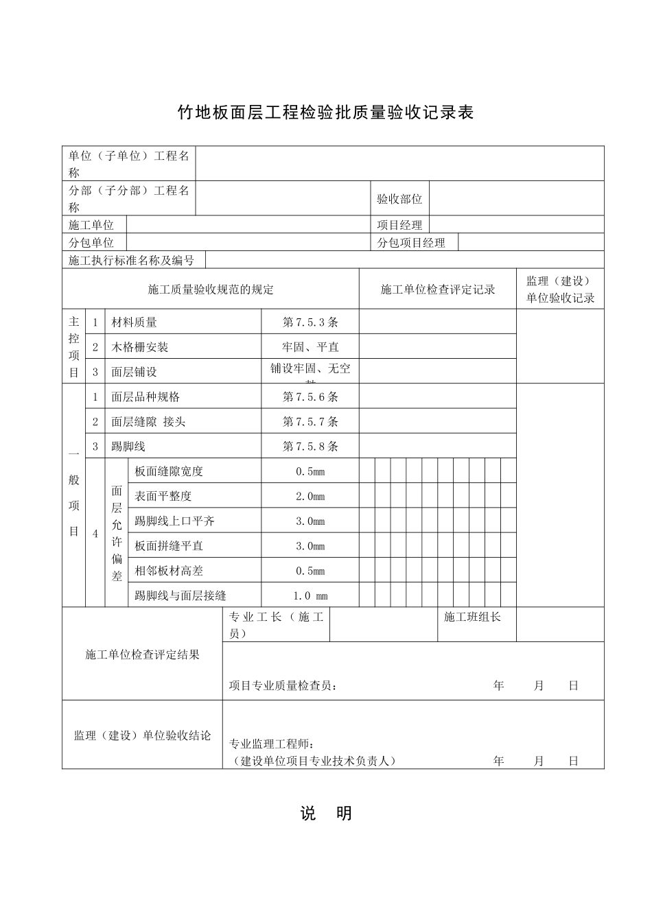
竹地板面层工程检验批质量验收记录表单位(子单位)工程名称分部(子分部)工程名称验收部位施工单位项目经理分包单位分包项目经理施工执行标准名称及编号施工质量验收规范的规定施工单位检查评定记录监理(建设)单位验收记录主控项目1材料质量第7.5.3条2木格栅安装牢固、平直3面层铺设铺设牢固、无空鼓一般项目1面层品种规格第7.5.6条2面层缝隙接头第7.5.7条3踢脚线第7.5.8条4面层允许偏差板面缝隙宽度0.5mm表面平整度2.0mm踢脚线上口平齐3.0mm板面拼缝平直3.0mm相邻板材高差0.5mm踢脚线与面层接缝1.0mm施工单位检查评定结果专业工长(施工员)施工班组长项目专业质量检查员:年月日监理(建设)单位验收结论专业监理工程师:(建设单位项目专业技术负责人)年月日说明030117主控项目1、竹地板面层所采用的材料,其技术等级和质量要求应符合设计要求。木搁栅、毛地板和垫木等应做防腐、防蛀处理。同时应符合第7.1.2条规定。观察检查和检查产品材质证明文件及检测报告。2、木搁栅安装应牢固、平直。观察、脚踩检查。3、面层铺设应牢固;粘贴无空鼓。观察、脚踩或用小锤轻击检查。一般项目1、竹地板面层品种与规格应符合设计要求,板面无翘曲。观察检查。2、面层缝隙应均匀、接头位置错开,表面洁净。观察检查。3、踢脚线表面光滑,接缝均匀,高度一致。观察和用尺量检查。4、用钢尺检查缝隙宽度允许偏差;2m靠尺和楔形塞尺检查表面平整度的允许偏差;拉5m通线用钢尺检查平齐和平直度允许偏差;用钢尺和楔形塞尺检查相邻板材高差允许偏差;用楔形塞尺检查接缝允许偏差。

1、当您付费下载文档后,您只拥有了使用权限,并不意味着购买了版权,文档只能用于自身使用,不得用于其他商业用途(如 [转卖]进行直接盈利或[编辑后售卖]进行间接盈利)。
2、本站所有内容均由合作方或网友上传,本站不对文档的完整性、权威性及其观点立场正确性做任何保证或承诺!文档内容仅供研究参考,付费前请自行鉴别。
3、如文档内容存在违规,或者侵犯商业秘密、侵犯著作权等,请点击“违规举报”。

碎片内容

竹地板面层工程检验批质量验收记录表

书海行舟+ 关注
实名认证
内容提供者

热爱教学事业,对互联网知识分享很感兴趣

确认删除?
VIP
微信客服
  • 扫码咨询
会员Q群
  • 会员专属群点击这里加入QQ群
客服邮箱
回到顶部