电脑桌面
添加小米粒文库到电脑桌面
安装后可以在桌面快捷访问

建筑材料验收登记表(钢筋)VIP免费

建筑材料验收登记表(钢筋)_第1页
1/281
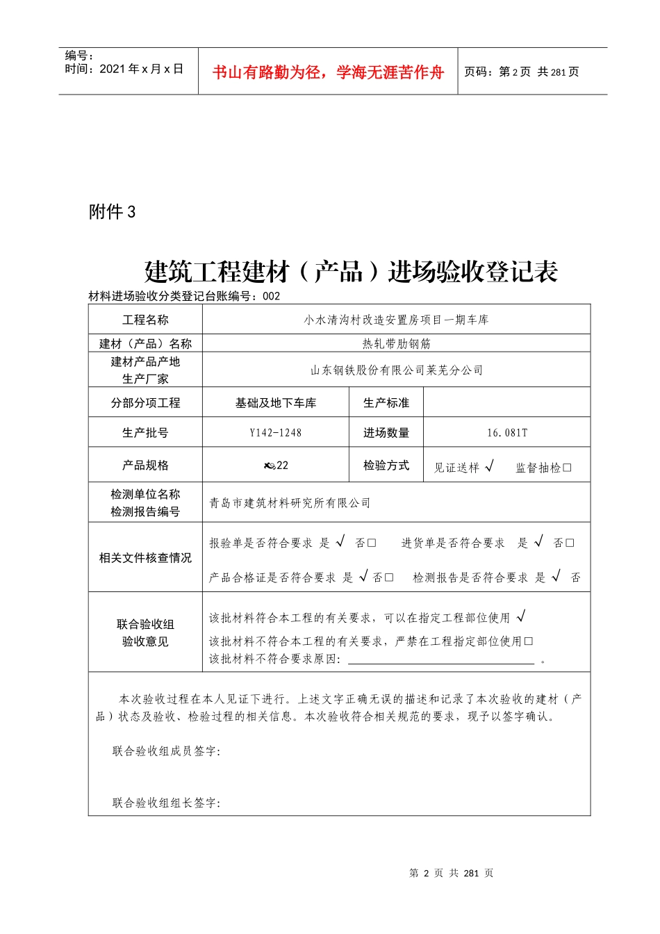
建筑材料验收登记表(钢筋)_第2页
2/281
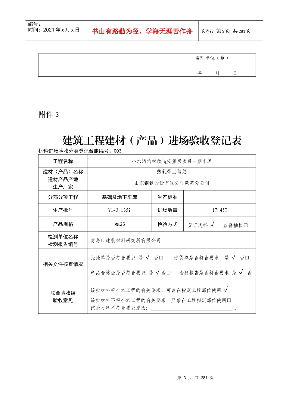
建筑材料验收登记表(钢筋)_第3页
3/281
第1页共281页编号:时间:2021年x月x日书山有路勤为径,学海无涯苦作舟页码:第1页共281页附件3建筑工程建材(产品)进场验收登记表材料进场验收分类登记台账编号:001工程名称小水清沟村改造安置房项目一期车库建材(产品)名称热轧带肋钢筋建材产品产地生产厂家山东钢铁股份有限公司莱芜分公司分部分项工程基础及地下车库生产标准生产批号Y148-1255进场数量9.52T产品规格20检验方式见证送样√监督抽检□检测单位名称检测报告编号青岛市建筑材料研究所有限公司相关文件核查情况报验单是否符合要求是√否□进货单是否符合要求是√否□产品合格证是否符合要求是√否□检测报告是否符合要求是√否联合验收组验收意见该批材料符合本工程的有关要求,可以在指定工程部位使用√该批材料不符合本工程的有关要求,严禁在工程指定部位使用□该批材料不符合要求原因:。本次验收过程在本人见证下进行。上述文字正确无误的描述和记录了本次验收的建材(产品)状态及验收、检验过程的相关信息。本次验收符合相关规范的要求,现予以签字确认。联合验收组成员签字:联合验收组组长签字:监理单位(章)年月日第2页共281页第1页共281页编号:时间:2021年x月x日书山有路勤为径,学海无涯苦作舟页码:第2页共281页附件3建筑工程建材(产品)进场验收登记表材料进场验收分类登记台账编号:002工程名称小水清沟村改造安置房项目一期车库建材(产品)名称热轧带肋钢筋建材产品产地生产厂家山东钢铁股份有限公司莱芜分公司分部分项工程基础及地下车库生产标准生产批号Y142-1248进场数量16.081T产品规格22检验方式见证送样√监督抽检□检测单位名称检测报告编号青岛市建筑材料研究所有限公司相关文件核查情况报验单是否符合要求是√否□进货单是否符合要求是√否□产品合格证是否符合要求是√否□检测报告是否符合要求是√否联合验收组验收意见该批材料符合本工程的有关要求,可以在指定工程部位使用√该批材料不符合本工程的有关要求,严禁在工程指定部位使用□该批材料不符合要求原因:。本次验收过程在本人见证下进行。上述文字正确无误的描述和记录了本次验收的建材(产品)状态及验收、检验过程的相关信息。本次验收符合相关规范的要求,现予以签字确认。联合验收组成员签字:联合验收组组长签字:第3页共281页第2页共281页编号:时间:2021年x月x日书山有路勤为径,学海无涯苦作舟页码:第3页共281页监理单位(章)年月日附件3建筑工程建材(产品)进场验收登记表材料进场验收分类登记台账编号:003工程名称小水清沟村改造安置房项目一期车库建材(产品)名称热轧带肋钢筋建材产品产地生产厂家山东钢铁股份有限公司莱芜分公司分部分项工程基础及地下车库生产标准生产批号Y143-1352进场数量17.45T产品规格25检验方式见证送样√监督抽检□检测单位名称检测报告编号青岛市建筑材料研究所有限公司相关文件核查情况报验单是否符合要求是√否□进货单是否符合要求是√否□产品合格证是否符合要求是√否□检测报告是否符合要求是√否联合验收组验收意见该批材料符合本工程的有关要求,可以在指定工程部位使用√该批材料不符合本工程的有关要求,严禁在工程指定部位使用□该批材料不符合要求原因:。第4页共281页第3页共281页编号:时间:2021年x月x日书山有路勤为径,学海无涯苦作舟页码:第4页共281页本次验收过程在本人见证下进行。上述文字正确无误的描述和记录了本次验收的建材(产品)状态及验收、检验过程的相关信息。本次验收符合相关规范的要求,现予以签字确认。联合验收组成员签字:联合验收组组长签字:监理单位(章)年月日附件3建筑工程建材(产品)进场验收登记表材料进场验收分类登记台账编号:004工程名称小水清沟村改造安置房项目一期车库建材(产品)名称热轧带肋钢筋建材产品产地生产厂家山东钢铁股份有限公司莱芜分公司分部分项工程基础及地下车库生产标准生产批号Y133-16087进场数量11.17T产品规格12检验方式见证送样√监督抽检□检测单位名称检测报告编号青岛市建筑材料研究所有限公司相关文件核查情况报验单是否符合要求是√否□进货单是否符合要求是√否□产品合格证是...

1、当您付费下载文档后,您只拥有了使用权限,并不意味着购买了版权,文档只能用于自身使用,不得用于其他商业用途(如 [转卖]进行直接盈利或[编辑后售卖]进行间接盈利)。
2、本站所有内容均由合作方或网友上传,本站不对文档的完整性、权威性及其观点立场正确性做任何保证或承诺!文档内容仅供研究参考,付费前请自行鉴别。
3、如文档内容存在违规,或者侵犯商业秘密、侵犯著作权等,请点击“违规举报”。

碎片内容

建筑材料验收登记表(钢筋)

确认删除?
VIP
微信客服
  • 扫码咨询
会员Q群
  • 会员专属群点击这里加入QQ群
客服邮箱
回到顶部