电脑桌面
添加小米粒文库到电脑桌面
安装后可以在桌面快捷访问

第二十四章FI24_银行付款流程VIP免费

第二十四章FI24_银行付款流程_第1页
1/15
第二十四章FI24_银行付款流程_第2页
2/15
第二十四章FI24_银行付款流程_第3页
3/15
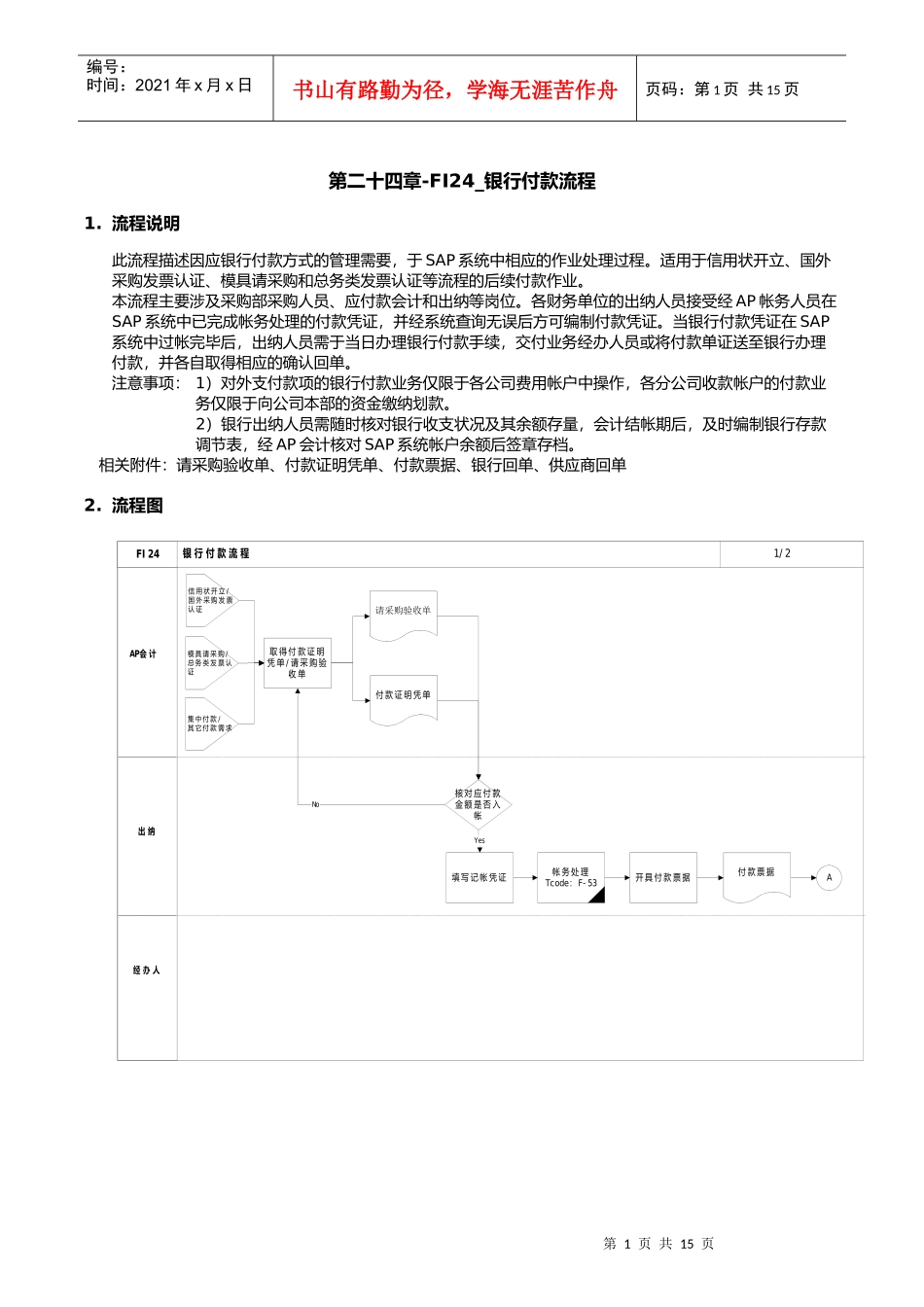
第1页共15页编号:时间:2021年x月x日书山有路勤为径,学海无涯苦作舟页码:第1页共15页第二十四章-FI24_银行付款流程1.流程说明此流程描述因应银行付款方式的管理需要,于SAP系统中相应的作业处理过程。适用于信用状开立、国外采购发票认证、模具请采购和总务类发票认证等流程的后续付款作业。本流程主要涉及采购部采购人员、应付款会计和出纳等岗位。各财务单位的出纳人员接受经AP帐务人员在SAP系统中已完成帐务处理的付款凭证,并经系统查询无误后方可编制付款凭证。当银行付款凭证在SAP系统中过帐完毕后,出纳人员需于当日办理银行付款手续,交付业务经办人员或将付款单证送至银行办理付款,并各自取得相应的确认回单。注意事项:1)对外支付款项的银行付款业务仅限于各公司费用帐户中操作,各分公司收款帐户的付款业务仅限于向公司本部的资金缴纳划款。2)银行出纳人员需随时核对银行收支状况及其余额存量,会计结帐期后,及时编制银行存款调节表,经AP会计核对SAP系统帐户余额后签章存档。相关附件:请采购验收单、付款证明凭单、付款票据、银行回单、供应商回单2.流程图银行付款流程FI24AP会计经办人出纳/信用状开立国外采购发票认证/模具请采购总务类发票认证取得付款证明/凭单请采购验收单核对应付款金额是否入帐填写记帐凭证帐务处理TcodeF-53:开具付款票据AYes付款证明凭单No付款票据1/2请采购验收单/集中付款其它付款需求第2页共15页第1页共15页编号:时间:2021年x月x日书山有路勤为径,学海无涯苦作舟页码:第2页共15页3.系统操作3.1.操作范例1)应付帐款全额支付:付款上海富佳,金额13600.082)应付帐款部分支付:付款上海富佳,金额20003)支付多笔应付帐款:付款上海富佳,金额85199.913.2.系统菜单及交易代码1)应付帐款全额支付:付款上海富佳,金额13600.08路径:会计财务会计应付帐款凭证输入付款过帐交易代码:F-532)应付帐款部分支付:付款上海富佳,金额2000路径:会计财务会计应付帐款凭证输入付款过帐交易代码:F-533)支付多笔应付帐款:付款上海富佳,金额85199.91AP会计经办人出纳送达付款银行取得银行回单领取票据送达供应商取得供应商回单银行回单供应商回单通过银行支付通过票据支付银行付款流程FI24用印A2/2第3页共15页第2页共15页编号:时间:2021年x月x日书山有路勤为径,学海无涯苦作舟页码:第3页共15页路径:会计财务会计应付帐款凭证输入付款过帐交易代码:F-53第4页共15页第3页共15页编号:时间:2021年x月x日书山有路勤为径,学海无涯苦作舟页码:第4页共15页3.3.系统屏幕及栏位解释1)应付帐款全额支付:付款上海富佳,金额13600.08路径:会计财务会计应付帐款凭证输入付款过帐交易代码:F-53栏位名称栏位说明资料范例凭证日期会计凭证日期2001/03/10凭证类型以区分不同交易业务产生的会计记帐凭证。不同的记帐凭证具有不同的凭证编号范围,同一种记帐凭证编号连续KZ:供应商付款公司代码为财务会计的组织结构基本单元,在其层面上出具资产负债表和损益表等法定会计报表,震旦家具公司之公司代码设定为自“F001”至“F999”F001:震旦总部记帐日期付款入帐日期。2001/03/10记帐期间记帐期间3货币为会计凭证之业务货币种类,本公司之记帐本位币为人民币(RMB),业务货币则有美元(USD)等RMB财务凭证编号会计凭证编号。同一种凭证类型、同一会计年度、同一公司代码的会计凭证编号连续。系统自动编号凭证抬头文本会计凭证摘要付上海富佳货款第5页共15页第4页共15页编号:时间:2021年x月x日书山有路勤为径,学海无涯苦作舟页码:第5页共15页银行:帐户银行科目编号1101010000银行:业务范围跨公司代码的核算环境以出具跨公司代码的资产负债表和损益表,震旦家具公司业务范围区分为震旦中国家具董事会(1001)和震旦中国办公家具(1002)1002:震旦中国办公家具银行:金额交易事项金额,付款金额13600.08供应商:帐户指定总帐科目。对于供应商应付款,指定供应商10000072:应付帐款-上海富佳供应商:帐户类型确定过帐对象为总帐或子帐K:供应商,对子帐过帐按<处理未清项>键进入下一个画面。栏位...

1、当您付费下载文档后,您只拥有了使用权限,并不意味着购买了版权,文档只能用于自身使用,不得用于其他商业用途(如 [转卖]进行直接盈利或[编辑后售卖]进行间接盈利)。
2、本站所有内容均由合作方或网友上传,本站不对文档的完整性、权威性及其观点立场正确性做任何保证或承诺!文档内容仅供研究参考,付费前请自行鉴别。
3、如文档内容存在违规,或者侵犯商业秘密、侵犯著作权等,请点击“违规举报”。

碎片内容

第二十四章FI24_银行付款流程

确认删除?
VIP
微信客服
  • 扫码咨询
会员Q群
  • 会员专属群点击这里加入QQ群
客服邮箱
回到顶部