电脑桌面
添加小米粒文库到电脑桌面
安装后可以在桌面快捷访问

财务成本分析细则VIP专享VIP免费

财务成本分析细则_第1页
1/18
财务成本分析细则_第2页
2/18
财务成本分析细则_第3页
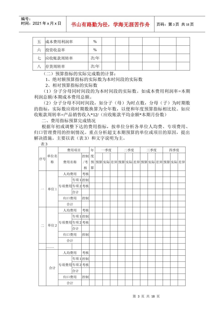
3/18
第1页共18页编号:时间:2021年x月x日书山有路勤为径,学海无涯苦作舟页码:第1页共18页财务成本分析细则第一章总述第一条分析内容公司财务分析具体分为公司基本情况、公司经济运行特点、预算指标完成情况、损益分析、成本费用分析、量本利分析、资产负债分析、现金流分析、税收分析、股票分析、综合分析(产品经营分析、四大能力分析、经营协调性分析、经营风险及财务风险分析)、专题分析等部分。第二条单位基本情况财务成本分析应首先介绍单位的基本情况,主要介绍内容有:单位的性质、单位的产权关系、单位的资产规模状况、单位的人员构成、单位的财务报表体系等。该部分一般在年度分析时采用。第三条公司经济运行特点一、经济运行总体评价通过对本公司本期经济运行情况的分析,得出关于产销量、销售收入、利润总额、资产规模、现金流、经济运行质量,企业发展趋势等方面的特点。以文字描述为主。二、主要财务指标本分析主要采用列表方式进行,分析本期与去年同期或去年年末的变化情况,主要目的在于使阅读者大致了解公司的财务经营状况。表示模型见表1。三、损益项目变化趋势分析。分析产量、存量、销量、销售收入、主营业务利润率、销售费用、管理费用、财务费用、利润率按月的变化情况,并与去年实际和预算情况比较,分析差异及变化趋势,发现变化的规律。以趋势图和文字说明为主。表示模型见图1。表1项目单位2004年末或1-4月较2003年1-4月较03年末增减03年1-4月增减额增减率03年末增减额增减率销售收入万元其中:军品万元利润总额万元资产总额万元其中:银行存款万元应收账款(净值)万元存货(原值)万元固定资产总额万元负债总额万元其中:长期借款万元短期借款万元第2页共18页第1页共18页编号:时间:2021年x月x日书山有路勤为径,学海无涯苦作舟页码:第2页共18页所有者权益总额万元少数股权总额万元经营活动净现金流万元生产汽车辆销售汽车辆库存汽车辆销售发动机台图1第二章预算执行情况简要分析第四条预算指标完成情况一、经济指标预算完成情况(一)主要分析本单位完成年初预算、本期预算、时间进度情况,重点分析指标未完成的原因及解决方案。主要以表(表2)列示和文字说明为主。表2序号指标项目单位年度预算本期预算本期实际实际数与本期预算差异完成年度预算(%)差异额差异率%1234567=6-58=7/59=6/4一销售收入万元二利润总额万元三经营活动净现金流万元四主营业务利润率%第3页共18页第2页共18页编号:时间:2021年x月x日书山有路勤为径,学海无涯苦作舟页码:第3页共18页五成本费用利润率%六投资收益率%七应收账款周转率次/年八存货周转率次/年(二)预算指标的实际完成数的计算:1、绝对额预算指标的实际数为本时间段的实际数2、相对预算指标的实际数(1)分子分母同时间段的为本时间段的实际数。如成本费用利润率=本期利润总额/本期成本费用总额。(2)分子分母不同时间段,如分子(母)为时点数,分母(子)为时期数的指标,实际数应将时期数换算为全年数,以便和年度预算指标相比较。如应收账款周转率=产品销售收入*12/(应收账款平均余额*本期月份数)二、费用指标预算完成情况根据年初或调整下达的费用指标,按单位分析各单位人均费、专项费用、归口管理费用的控制情况。重点分析超支本期预算的单位或项目的原因,提出解决措施。主要以表(表3)和文字说明为主。表3序号单位名称费用项目年度预算一季度二季度三季度四季度费用名称控制/考核预算实际差异预算实际差异预算实际差异预算实际差异一单位1人均费用考核专项费用专项1控制专项2考核合计归口费用控制合计二单位2人均费用考核专项费用专项1控制专项2考核合计归口费用控制合计…….合计人均费用考核专项费用专项1控制专项2考核合计归口费用控制合计第4页共18页第3页共18页编号:时间:2021年x月x日书山有路勤为径,学海无涯苦作舟页码:第4页共18页第三章资产负债权益、损益、现金流分析第五条损益分析一、销售收入分析(一)、利用柱形图分析销售收入与去年同期比变化的情况,并分析增减影响因素即分析销售价格差异(价差),产品销售量差异(量差),产品销售结构差异(结构差)三个因素对收入的...

1、当您付费下载文档后,您只拥有了使用权限,并不意味着购买了版权,文档只能用于自身使用,不得用于其他商业用途(如 [转卖]进行直接盈利或[编辑后售卖]进行间接盈利)。
2、本站所有内容均由合作方或网友上传,本站不对文档的完整性、权威性及其观点立场正确性做任何保证或承诺!文档内容仅供研究参考,付费前请自行鉴别。
3、如文档内容存在违规,或者侵犯商业秘密、侵犯著作权等,请点击“违规举报”。

碎片内容

财务成本分析细则

确认删除?
VIP
微信客服
  • 扫码咨询
会员Q群
  • 会员专属群点击这里加入QQ群
客服邮箱
回到顶部