电脑桌面
添加小米粒文库到电脑桌面
安装后可以在桌面快捷访问

财务常用Excel函数及财务管理知识分析介绍VIP免费

财务常用Excel函数及财务管理知识分析介绍_第1页
1/55
财务常用Excel函数及财务管理知识分析介绍_第2页
2/55
财务常用Excel函数及财务管理知识分析介绍_第3页
3/55
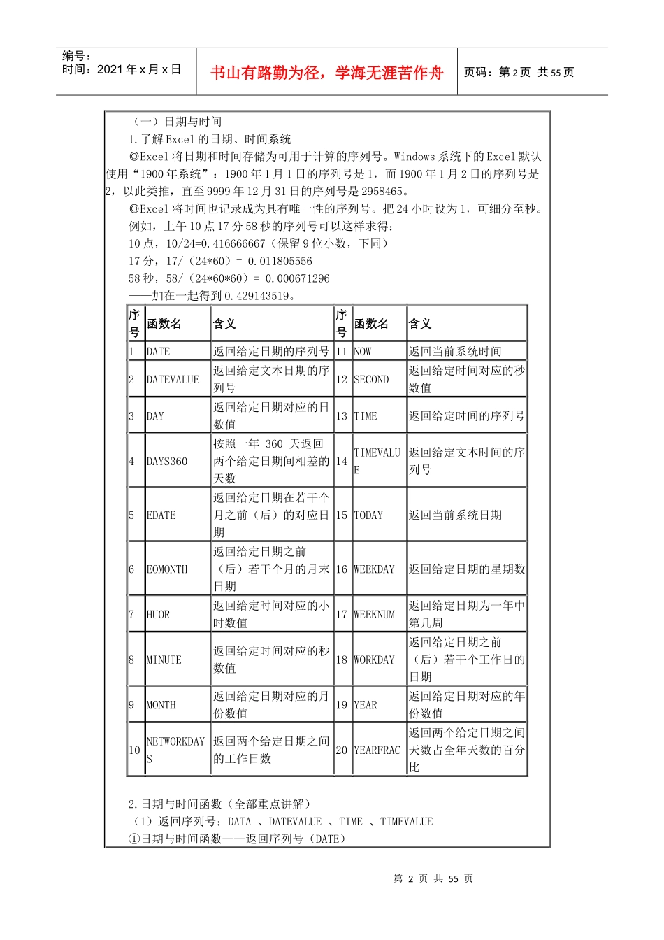
第1页共55页编号:时间:2021年x月x日书山有路勤为径,学海无涯苦作舟页码:第1页共55页财务人员常用Excel函数介绍·Excel函数的含义和格式·Excel函数的输入·常用Excel函数·函数运算常见错误及分析能力目标:·对Excel内置函数框架、内涵的把握·能够读懂一个函数·为财务建模打基础一、Excel函数的含义和格式·函数:函数是位于数学领域中的一种对应关系。如果一个量依赖于另一个量,使后一个量变化时,前一个量也随着变化,那么前一个量就是后一个量的函数。简单地说,甲随着乙变,甲就是乙的函数。·Excel函数是系统预定义的特殊公式。·Excel函数的格式:函数名(参数1,参数2,…,参数n)[]表示可以缺省的参数二、Excel函数的输入·直接输入·应用【插入函数】按钮三、常用Excel函数序号函数类别全部重点讲授1财务53232时间与日期20203数学与三角60184统计83235查找与引用1756数据库1287文本35218逻辑749信息18410工程39-11多维数据集7-12加载宏和自动化5-合计356126第2页共55页第1页共55页编号:时间:2021年x月x日书山有路勤为径,学海无涯苦作舟页码:第2页共55页(一)日期与时间1.了解Excel的日期、时间系统◎Excel将日期和时间存储为可用于计算的序列号。Windows系统下的Excel默认使用“1900年系统”:1900年1月1日的序列号是1,而1900年1月2日的序列号是2,以此类推,直至9999年12月31日的序列号是2958465。◎Excel将时间也记录成为具有唯一性的序列号。把24小时设为1,可细分至秒。例如,上午10点17分58秒的序列号可以这样求得:10点,10/24=0.416666667(保留9位小数,下同)17分,17/(24*60)=0.01180555658秒,58/(24*60*60)=0.000671296——加在一起得到0.429143519。序号函数名含义序号函数名含义1DATE返回给定日期的序列号11NOW返回当前系统时间2DATEVALUE返回给定文本日期的序列号12SECOND返回给定时间对应的秒数值3DAY返回给定日期对应的日数值13TIME返回给定时间的序列号4DAYS360按照一年360天返回两个给定日期间相差的天数14TIMEVALUE返回给定文本时间的序列号5EDATE返回给定日期在若干个月之前(后)的对应日期15TODAY返回当前系统日期6EOMONTH返回给定日期之前(后)若干个月的月末日期16WEEKDAY返回给定日期的星期数7HUOR返回给定时间对应的小时数值17WEEKNUM返回给定日期为一年中第几周8MINUTE返回给定时间对应的秒数值18WORKDAY返回给定日期之前(后)若干个工作日的日期9MONTH返回给定日期对应的月份数值19YEAR返回给定日期对应的年份数值10NETWORKDAYS返回两个给定日期之间的工作日数20YEARFRAC返回两个给定日期之间天数占全年天数的百分比2.日期与时间函数(全部重点讲解)(1)返回序列号:DATA、DATEVALUE、TIME、TIMEVALUE①日期与时间函数——返回序列号(DATE)第3页共55页第2页共55页编号:时间:2021年x月x日书山有路勤为径,学海无涯苦作舟页码:第3页共55页◎返回给定日期的序列号。◎DATE(year,month,day)●year-代表年份的四位数字,取值范围1900-9999。可以是数值、单元格引用或者公式。如果year介于0到1899之间(包含这两个值),系统会将该值与1900相加来计算年份。例如,DATE(111,5,2)将返回2011年5月2日(1900+111)。如果year小于0或大于等于10000,系统将返回错误值#NUM!。●month-代表月份的整数,取值范围为1-12,可以是数值、单元格引用或者公式如果month大于12,则给定年份加1,月份为month值减去12。例如,DATE(2010,17,8)返回表示2011年5月8日的序列号。如果month小于1,则给定年份减1,月份为12减去month的绝对值。例如,DATE(2011,-3,5)返回表示2010年9月5日的序列号。●day-代表日的整数,取值范围为1-31,可以是数值、单元格引用或者公式。如果day大于指定月份的天数,则day从指定月份的第一天开始累加该天数。例如,DATE(2011,1,38)返回表示2011年2月7日的序列号。如果day小于1,则day从指定月份的第一天开始递减该天数,然后再加上1天。例如,DATE(2008,1,-15)返回表示2007年12月16日的序列号。◎如果在输入该函数之前单元格格式为“常规”,Excel会将单元格格式更改为与“控制面板”的区域日期和时...

1、当您付费下载文档后,您只拥有了使用权限,并不意味着购买了版权,文档只能用于自身使用,不得用于其他商业用途(如 [转卖]进行直接盈利或[编辑后售卖]进行间接盈利)。
2、本站所有内容均由合作方或网友上传,本站不对文档的完整性、权威性及其观点立场正确性做任何保证或承诺!文档内容仅供研究参考,付费前请自行鉴别。
3、如文档内容存在违规,或者侵犯商业秘密、侵犯著作权等,请点击“违规举报”。

碎片内容

财务常用Excel函数及财务管理知识分析介绍

您可能关注的文档

确认删除?
VIP
微信客服
  • 扫码咨询
会员Q群
  • 会员专属群点击这里加入QQ群
客服邮箱
回到顶部