电脑桌面
添加小米粒文库到电脑桌面
安装后可以在桌面快捷访问

预算教学课件VIP免费

预算教学课件_第1页
1/14
预算教学课件_第2页
2/14
预算教学课件_第3页
3/14
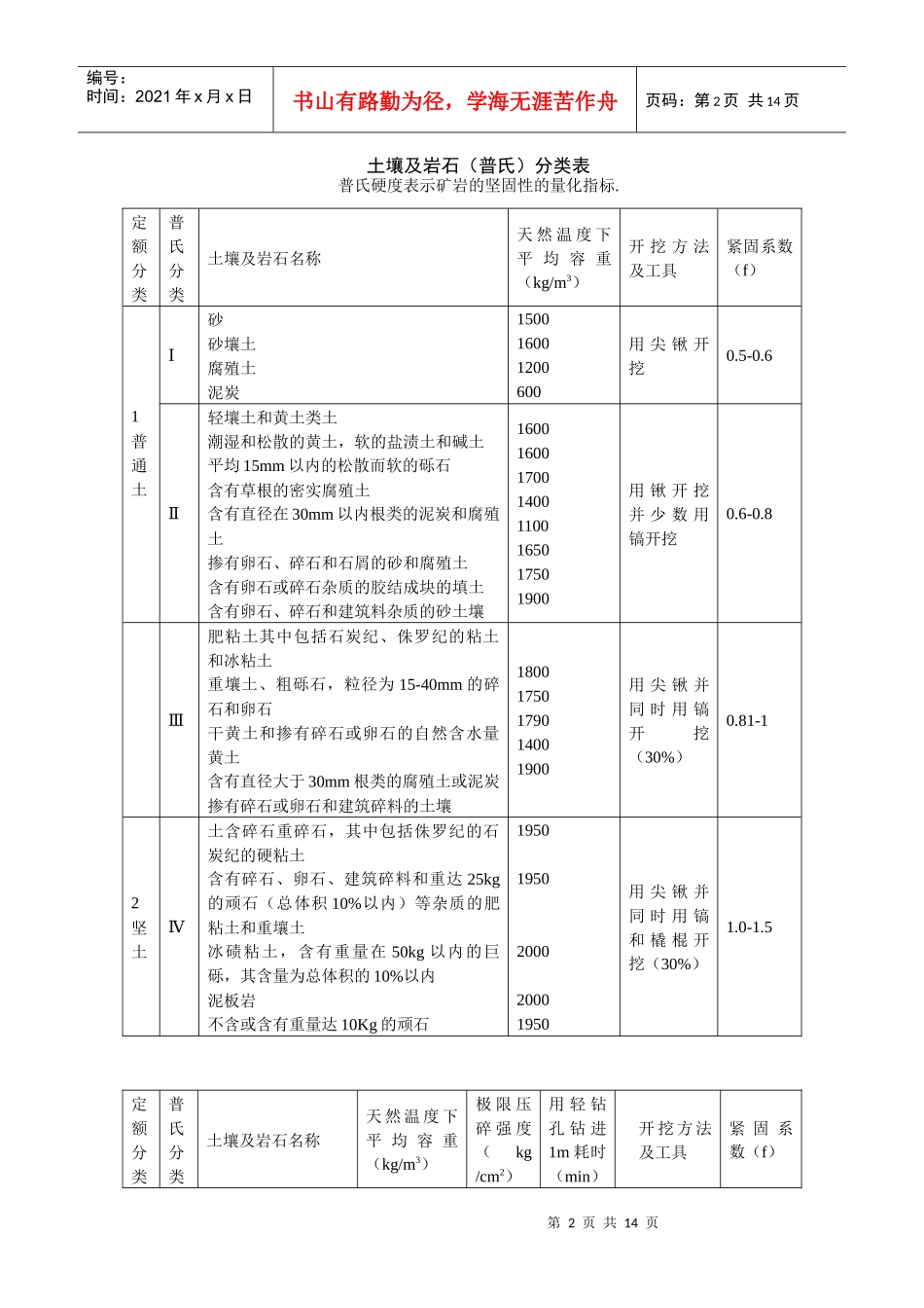
第1页共14页编号:时间:2021年x月x日书山有路勤为径,学海无涯苦作舟页码:第1页共14页土方分部课件石磊主体框架分四部分:一、内容介绍土方分类二、定额编制条件和计算规则三、计算方式和公式四、工程应用实例教学提示:本章主要研究建筑场地和基坑(槽)施工的基本理论知识和施工技术,包括土的基本性质,土方的开挖、运输和压实。与基坑(槽)施工密切相关的施工排水,基坑边坡稳定措施也是土方工程中重要的施工项目。教学要求:通过本章学习,了解施工中土的相关性质,了解影响土方边坡稳定的因素,了解基坑排水方法及要求。掌握土方工程量计算方法,熟悉用线性规划进行土方调配的方法土木工程施工中,常见土石方工程内容有:场地平整、基坑(槽)与管沟开挖、路基开挖、人防工程开挖、地坪填土、路基填筑以及基坑回填等,以及排水、降水、土壁支撑等准备工作和辅助工程。土方工程施工特点:土方工程多为露天作业,土、石又是天然物质,种类繁多。气候、水文、地质、场地限制、地下障碍等因素的影响,加大了施工的难度。在土方工程施工前,应详细分析与核对各项技术资料(如地形图、工程地质和水文地质勘察资料、地下管道、电缆和地下地上构筑物情况及土方工程施工图等),进行现场调查并根据现有施工条件,制定出技术可行、经济合理的施工方案。施工方法变化大,对造价的影响大,开挖的不确定因素多,造价受季节影响和自然条件影响几率大。定额修正系数多。在地面建筑物稠密的城市中进行土方工程施工,还会受到施工环境的影响。因此,在施工预算编制前应做好调查研究,并根据本地区的工程及水文地质情况以及气候、环境等特点,参考合理的施工方案组织。土方工程做预算时,按照定额规定,土方工程共分六类,十一级。《工程地质勘察报告》中对土的性质进行定义,作为土方套定额的重要参考。土壤及岩石分类详见“土壤、岩石分类表”。表中Ⅰ、Ⅱ、Ⅲ类土壤为定额中的“普通土”;Ⅳ类土壤为定额中的“坚土”;Ⅴ类土壤为定额中“松石”;Ⅵ~Ⅷ类为定额中“次坚石”;Ⅸ、Ⅹ类为“普坚石”;Ⅺ~ⅩⅥ类为“特坚石”。第2页共14页第1页共14页编号:时间:2021年x月x日书山有路勤为径,学海无涯苦作舟页码:第2页共14页土壤及岩石(普氏)分类表普氏硬度表示矿岩的坚固性的量化指标.定额分类普氏分类土壤及岩石名称天然温度下平均容重(kg/m3)开挖方法及工具紧固系数(f)1普通土Ⅰ砂砂壤土腐殖土泥炭150016001200600用尖锹开挖0.5-0.6Ⅱ轻壤土和黄土类土潮湿和松散的黄土,软的盐渍土和碱土平均15mm以内的松散而软的砾石含有草根的密实腐殖土含有直径在30mm以内根类的泥炭和腐殖土掺有卵石、碎石和石屑的砂和腐殖土含有卵石或碎石杂质的胶结成块的填土含有卵石、碎石和建筑料杂质的砂土壤16001600170014001100165017501900用锹开挖并少数用镐开挖0.6-0.8Ⅲ肥粘土其中包括石炭纪、侏罗纪的粘土和冰粘土重壤土、粗砾石,粒径为15-40mm的碎石和卵石干黄土和掺有碎石或卵石的自然含水量黄土含有直径大于30mm根类的腐殖土或泥炭掺有碎石或卵石和建筑碎料的土壤18001750179014001900用尖锹并同时用镐开挖(30%)0.81-12坚土Ⅳ土含碎石重碎石,其中包括侏罗纪的石炭纪的硬粘土含有碎石、卵石、建筑碎料和重达25kg的顽石(总体积10%以内)等杂质的肥粘土和重壤土冰碛粘土,含有重量在50kg以内的巨砾,其含量为总体积的10%以内泥板岩不含或含有重量达10Kg的顽石19501950200020001950用尖锹并同时用镐和橇棍开挖(30%)1.0-1.5定额分类普氏分类土壤及岩石名称天然温度下平均容重(kg/m3)极限压碎强度(kg/cm2)用轻钻孔钻进1m耗时(min)开挖方法及工具紧固系数(f)第3页共14页第2页共14页编号:时间:2021年x月x日书山有路勤为径,学海无涯苦作舟页码:第3页共14页3松石Ⅴ含有重量在50kg以内的巨砾(占10体积%以上)的冰碛石2100大于200小于3.5部分用手凿工具,部分用爆破来开挖1.5-2砂藻岩和软白垩岩1800胶结力弱的砾岩1900各种不坚实的片岩2600石膏22004次坚石Ⅵ凝灰岩和浮石1100200-4003.5用风镐的爆破来开挖2-4松软多孔和裂隙严重的石灰岩的介质石灰岩1200中等硬变的片岩2700中等硬变的泥灰...

1、当您付费下载文档后,您只拥有了使用权限,并不意味着购买了版权,文档只能用于自身使用,不得用于其他商业用途(如 [转卖]进行直接盈利或[编辑后售卖]进行间接盈利)。
2、本站所有内容均由合作方或网友上传,本站不对文档的完整性、权威性及其观点立场正确性做任何保证或承诺!文档内容仅供研究参考,付费前请自行鉴别。
3、如文档内容存在违规,或者侵犯商业秘密、侵犯著作权等,请点击“违规举报”。

碎片内容

预算教学课件

确认删除?
VIP
微信客服
  • 扫码咨询
会员Q群
  • 会员专属群点击这里加入QQ群
客服邮箱
回到顶部