电脑桌面
添加小米粒文库到电脑桌面
安装后可以在桌面快捷访问

质量记录清单(自动保存的)VIP免费

质量记录清单(自动保存的)_第1页
1/67
质量记录清单(自动保存的)_第2页
2/67
质量记录清单(自动保存的)_第3页
3/67
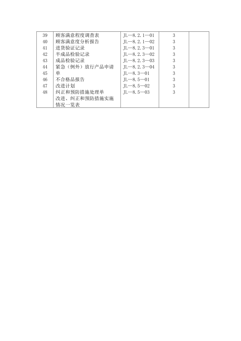
质量记录清单编号:JL—4.2.4—01序号:序号记录名称编号保存期(年)备注1234567891011121314151617181920212223242526272829303132333435363738受控文件清单文件发放、回收记录文件更改申请文件销毁申请质量记录清单员工花名册特殊工种员工花名册培训记录表培训申请单年度培训计划生产设施配置申请单设施验收单设施管理卡生产设施一览表设施检修计划设施检修单设施报废单领物单产品/合同要求评审表定单确认表合同(订单)登记台账供方评定记录表合格供方名录采购物资分类明细表采购单供方绩效评定表采购计划生产计划生产统计特殊过程确认报告领料单物料标识卡物资收发卡合格证测量监控设备履历卡测量监控设备一览表计量校准计划内校记录表JL—4.2.3—01JL—4.2.3—02JL—4.2.3—03JL—4.2.3—04JL—4.2.4—01JL—6.2—01JL—6.2—02JL—6.2—05JL—6.2—04JL—6.2—03JL—6.3—01JL—6.3—02JL—6.3—03JL—6.3—04JL—6.3—05JL—6.3—06JL—6.3—07JL—6.3—08JL—7.2—01JL—7.2—02JL—7.2—03JL—7.4—01JL—7.4—02JL—7.4—03JL—7.4—04JL—7.4—05JL—7.4—06JL—7.5—01JL—7.5—03JL—7.5—03JL—7.5—04JL—7.5—05JL—7.5—06JL—7.5—07JL—7.6—01JL—7.6—02JL—7.6—03JL—7.6—04长期长期33长期长期长期333333长期333333长期3长期333333333333长期3339404142434445464748顾客满意程度调查表顾客满意度分析报告进货验证记录半成品检验记录成品检验记录紧急(例外)放行产品申请单不合格品报告改进计划纠正和预防措施处理单改进、纠正和预防措施实施情况一览表JL—8.2.1—01JL—8.2.1—02JL—8.2.3—01JL—8.2.3—02JL—8.2.3—03JL—8.2.3—04JL—8.3—01JL—8.5—01JL—8.5—02JL—8.5—033333333333受控文件清单编号:JL-4.2.3-01序号;序号文件编号文件名称版本号生效日期批准人/日期备注编制日期:审批日期:文件发放、回收记录编号:JL—4..2.3—02序号序号日期文件名称编号分发号版本发放记录回收记录办公室采购部生产部销售部部门份数备注:外来文件由办公室负责收集和识别,并确认发放的部门,单独填写此表。文件更改申请编号:JL—4.2.3—03序号:文件名称编号版本更改位置及原因:更改后内容:受此影响引起的其它更改文件:申请人:日期:所在部门意见:签名:日期:审批部门意见:签名:日期:文件销毁申请编号:JL—4.2.3—04序号:文件名称编号版本份数销毁原因:申请人:日期:所在部门意见:签名:日期:文件保管部门意见:签名:日期:管理者代表意见:签名:日期:质量记录清单编号JL—4.2.4—01序号记录名称编号保存期(年)备注管理评审通知单编号:JL—5.6—02序号:评审会议时间:评审会议地点:参加人员:评审内容要点:编制:审核:批准:日期:管理评审报告编号:JL—5.6—03序号:评审会议时间、地点:评审目的:参加评审人员:评审内容摘要:评审结论:改进、纠正和预防措施摘要及责任部门:编制:审核:批准:日期:员工花名册编号:JL-6.2-01序号:序号姓名性别身份证号码户籍地址及现住址联系方式用工形式用工起始时间劳动合同期限特殊工种员工花名册编号:JL-6.2-02序号:序号姓名性别身份证号码户籍地址及现住址联系方式岗位上岗证编号上岗时间培训、换证情况培训记录表编号:JL-6.2.2-05序号:时间:培训题目:培训教师地点:培训方式:参加培训人员名单(共人):培训内容摘要:考核方式及成绩考核合格率:备注培训申请单编号:JL-6.2.2-04申请部门:申请人:申请日期:培训方式:期限:培训对象共人申请原因:培训内容:申请部门负责人意见:签名:日期:管理者代表意见:签名:日期:______年度培训计划编号:JL-6.2.2-03日期:受培训部门参加培训人员培训方式:培训内容:考核方式备注:批准:日期:审核:日期:编制:日期:生产设施配置申请单编号JL-6.3-01序号:设施名称:购置数量型号(规格)单价预算使用部门到厂日期主要技术参数:用途说明:预定的订购厂家对厂家质量控制能力的评价(必要时附各种证明资料):申请人:审核:批准:日期:日期:日期:设备验收单编号:编号JL-6.3-02序号:设备名称出厂编号型号(规格)价格生产厂家进厂日...

1、当您付费下载文档后,您只拥有了使用权限,并不意味着购买了版权,文档只能用于自身使用,不得用于其他商业用途(如 [转卖]进行直接盈利或[编辑后售卖]进行间接盈利)。
2、本站所有内容均由合作方或网友上传,本站不对文档的完整性、权威性及其观点立场正确性做任何保证或承诺!文档内容仅供研究参考,付费前请自行鉴别。
3、如文档内容存在违规,或者侵犯商业秘密、侵犯著作权等,请点击“违规举报”。

碎片内容

质量记录清单(自动保存的)

书海行舟+ 关注
实名认证
内容提供者

热爱教学事业,对互联网知识分享很感兴趣

确认删除?
VIP
微信客服
  • 扫码咨询
会员Q群
  • 会员专属群点击这里加入QQ群
客服邮箱
回到顶部